ETF8-56S-Rev06 - 第5页
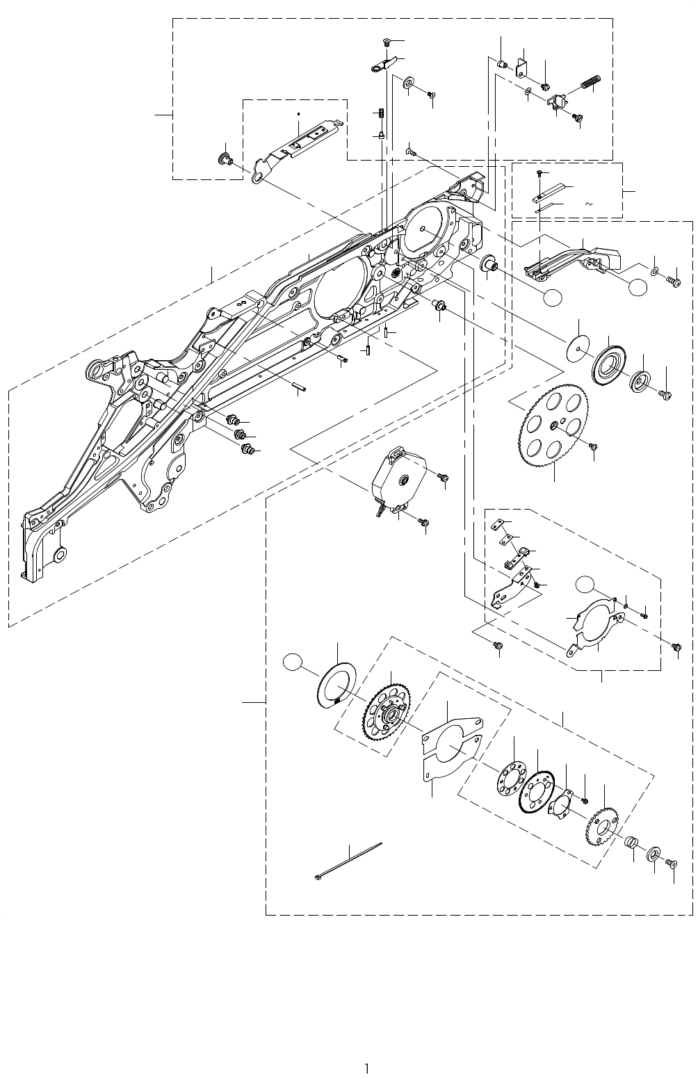
- - REF.NO NOTE PART NO D E S C R I P T I O N Qty 1 400-9 4635 ASM_EF8S_M AIN_FRAME_UNIT 1 2 400-9 8765 MAIN_FRAME _8 _A DC (1) 3 401-1 2491 SPROCKET_SH (1) 4 401-1 2493 MAIN_GEAR_SH (1) 5 PS-0200 102-KH SPRING PIN 2 …

- -
1. EF02HS/EF08HS (1)
2
3
4
5
5
6
7
8
9
1 0
1
1 3
1 4
1 2
1 5
1 6
1 8
1 9
2 0
2 1
2 2
2 3
6 4 6 5
1 7
1 1
2 8
3 4
3 5
3 0
3 1
3 2
3 3
2 9
6 1
6 2
3 6
4 1
3 7
3 8
3 9
4 0
4 3
4 4
4 5
4 6
4 7 A
A
4 8
4 9
6 3
5 0
6 3
4 2
5 2
5 3
5 4
5 5
5 7
5 6
5 8
5 9
6 0
B
B
2 7
5 7
2 6
2 5
5 1
2 4
6 8 7 0
6 7
6 6
7 1

- -
REF.NO NOTE PART NO D E S C R I P T I O N Qty
1 400-94635 ASM_EF8S_MAIN_FRAME_UNIT 1
2 400-98765 MAIN_FRAME_8_ADC (1)
3 401-12491 SPROCKET_SH (1)
4 401-12493 MAIN_GEAR_SH (1)
5 PS-0200102-KH SPRING PIN 2.0 X 10 (2)
6 401-12494 PULL_GEAR_SH (1)
7 401-12495 PULL_INTERMEDIATE_SH (1)
8 401-12494 PULL_GEAR_SH (1)
9 PS-0300142-KH SPRING PIN 0.3 X 14 (1)
10 E6347-705-000 FASTENER PIN BX3 (1)
11 400-82685 UPPER_COVER_UNIT 1
12 400-84398 UPPER_COVER_HOOK_ASSY (1)
13 400-77527 HOOK_PIVOT_SH (1)
14 400-68256 HOOK_SPRING (1)
15 400-68184 HOOK_SP_COVER (1)
16 SL-4030591-SC SCREW M3 L=5 (1)
17 400-77524 UPPER_COVER_SH (1)
18 400-68673 UPPER_COVER_FLANGE (1)
19 SM-1030501-SC SCREW M3 L=5 (1)
20 400-77530 PLUNGER_PIN (1)
21 400-77529 PLUNGER_SP (1)
22 400-68668 SPRING_STOPPER_PLATE (1)
23 SM-1030601-SC SCREW M3 L=6 (2)
24 WP-0320501-SC WASHER M3 (1)
25 400-68185 HOOK_STOPPER_COLLAR (1)
26 SM-1030601-SC SCREW M3 L=6 (1)
27 400-82687 FEED_UNIT 1
28 400-77507 SPROCKET_LINER_WP (1)
29 400-82688 SPROCKET_WHEEL_UNIT (1)
30 400-82597 PP_SLIT_PLATE (1)
31 400-77510 SLIT_PLATE_WP (1)
32 SL-4020581-SC WASHER SCREW (3)
33 401-12487 SPROCKET_GEAR (1)
34 400-69643 SPROCKET_WHEEL_ASSY (1)
35 400-77509 SPACER (1)
36 SM-1040801-SC SCREW M4X0.7 L=8 (1)
37 400-77502 SPROCKET_SHIELD_PLATE_A (1)
38 400-82636 FRONT_BLOCK (1)
39 SM-1041001-SC SCREW M4X0.7 L=10 (2)
40 WP-0430800-SC WASHER M4 (2)
41 400-57828 SPROCKET_SHIELD_PLATE_B (1)
42 400-82690 FEED_ONE_SENSOR_ASSY (1)
43 400-81301 PP_SENSOR_BR (1)
44 400-74097 PP SENS B PCB ASM (1)
45 400-77513 PP_SENSOR_COVER (1)
46 400-77512 PP_SENSOR_PLATE_NUT (1)
47 SL-4020581-SC WASHER SCREW (2)
48 400-81302 ENCODER_SHIELD_B (1)
49 400-81299 ENCODER_SHIELD_A (1)
50 ST-4020521-SN TAPPING SCREW D=2 L=5 (2)
51 WP-0220300-SC WASHER (2)
52 400-77511 FEED_INTERMEDIATE_GEAR_BASE (1)
53 401-12488 FEED_INTERMEDIATE_GEAR (1)
54 401-12492 INTERMEDIATE_SH (1)
55 SM-5040801-SC SCREW M4X8 (1)
56 400-68901 FEED MOTOR ASM (1)
57 SL-4030881-SC SCREW M3X8 (2)
58 400-82691 FEED_MAIN_GEAR_ASSY_8S (1)
59 SM-5030501-SC SCREW M3 L=5 (1)
60 EA-9500B00-00 CLIP CV-70S (1)
61 400-68679 SPROKET_THRUST_SPRING (1)
62 400-77504 SPROCKET_FLANGE_WP (1)
63 SL-4030691-SC SCREW M3 L=6 (4)
64 400-82686 EF8S_ASM_UPPER_COVER_ASSY_AP 1
65
#01
400-85474 UPPER_COVER_ASSY_EF02HS 1
66
#01
400-85503 TAPE_SUPPORT_UNIT 1
67 400-85299 TAPE SUPPORT (1)
68 400-42430 UNDER SUPPORT SHIM 20 (2)
69 400-85300 TAPE SUPPORT SHIM 60 (1)
70 400-85301 TAPE SUPPORT SHIM 100 (1)
71 ST-4020521-SN TAPPING SCREW D=2 L=5 (1)

- -
2. EF02HS/EF08HS (2)
2
3
5
6
7
8
1 1
1 2
1 3
1 9
1 7
1 4
1 5
1 6
1
2 1
2 2
2 3
4 4
2 5
2 6
2 7
2 8
2 9
3 0
3 2
3 1
3 4
3 5
3 3
3 6
3 8
3 9
4 0
4 1
4 2
4 3
4 5
4 6
4 7
4 8
3 7
4 9
5 0
5 1
5 3
5 5
5 4
5 6
5 2
5 7
5 8
5 9
6 0
6 1
6 3
6 5
6 4
6 7
6 6
6 9
7 0
7 1
6 8
7 2
A
2 4
A
1 0
9
4
6 2
1 8
4 5
2 0