P241011e - 第25页
0909-003 23 Fig. G テープフィーダ T APE FEEDER GT -12160 GT -12160

MEMO

0909-003
23
Fig. G
テープフィーダ
TAPE FEEDER
GT-12160 GT-12160

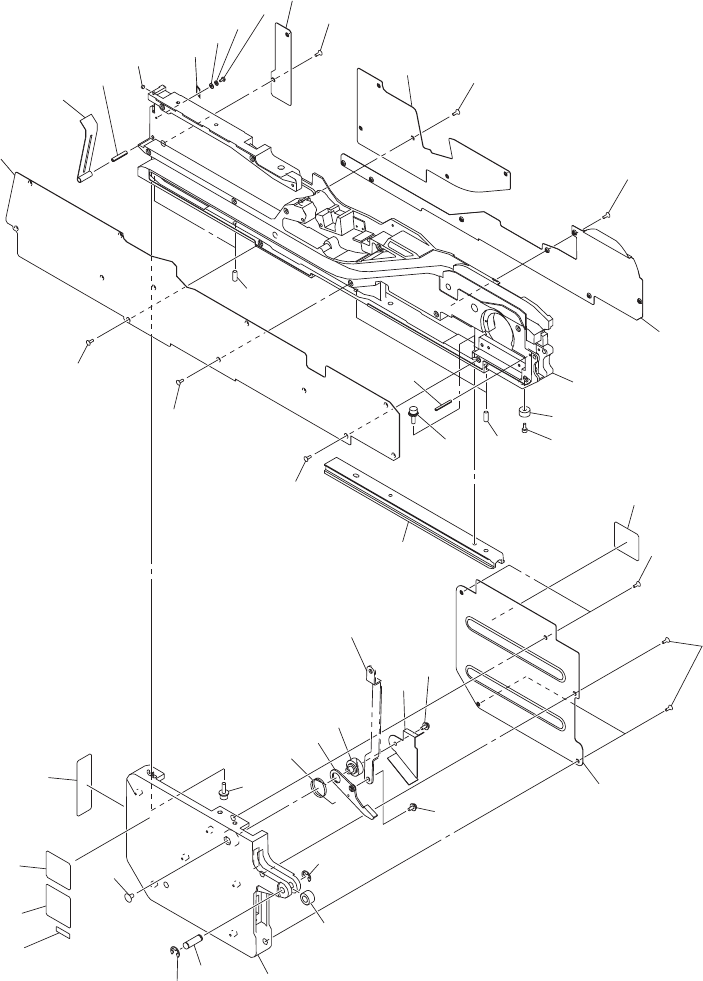
0409-003
24
テープフィーダ
TAPE FEEDER
GT-12160 GT-12160
Fig. G-1
フレーム部
Frame Section
29
27
1
20
20
28
25
43
41
33
5
28
28
4
3
42
40
30
.
.
14
10
1
1
26
19
37
12
8
28
28
9
28
28
28
See Fig.G-5
Key No.405
42
30
.
40
.
23
6
24
2
13
37
32
46
46
47
74
26
69
70
68