05. NXT II Part list.pdf - 第40页
ࣀࢬࣝࢡ࣮ࣜࢽࣥࢢ ┿✵◚ቯ ㈇ᅽ ┿✵࣏ࣥࣉࡼࡾ 12==/( 12==/( 12==/( 12==/( >$@ >%@ >.@ >/@ 237,21 ⮬ືࣂࢵࢡࢵࣉࣆࣥᶵ⬟ % $ 1HJSUHVV )URP9DFXXPSXPS $LUEORZ 1R]]OHFOHDQLQJ $XWREDFNXSSLQHTXLSPHQW 3RV…
ࡇࡢ࣮࣌ࢪࡣࣈࣛࣥࢡ࣮࣌ࢪ࡛ࡍࠋ
This page is intentionally blank.
39
PTS-NXT2-06JE Vol.1

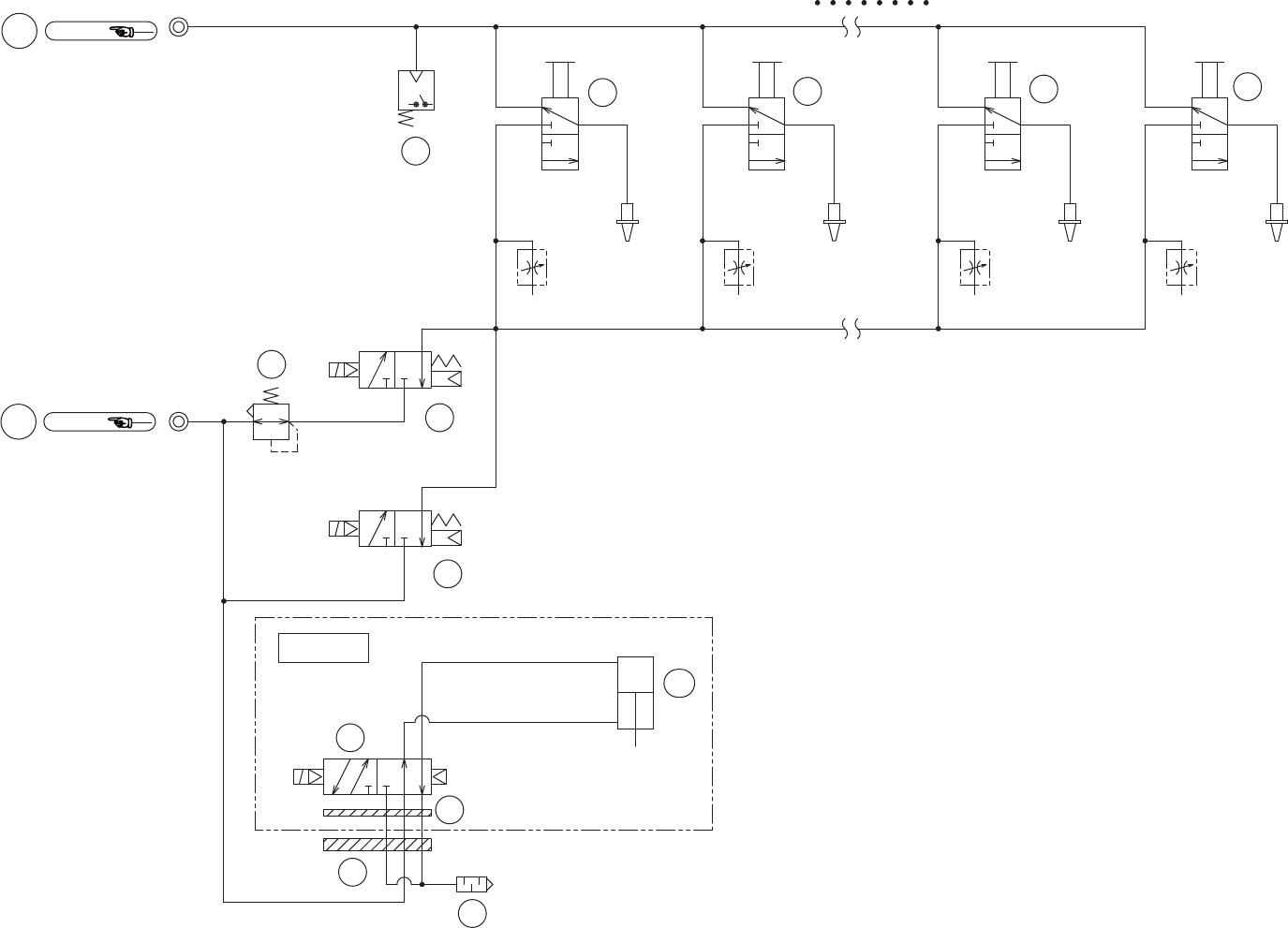
ࣀࢬࣝࢡ࣮ࣜࢽࣥࢢ
┿✵◚ቯ
㈇ᅽ
┿✵࣏ࣥࣉࡼࡾ
12==/( 12==/( 12==/( 12==/(
>$@ >%@ >.@ >/@
237,21
⮬ືࣂࢵࢡࢵࣉࣆࣥᶵ⬟
%
$
1HJSUHVV
)URP9DFXXPSXPS
$LUEORZ
1R]]OHFOHDQLQJ
$XWREDFNXSSLQHTXLSPHQW
3RVSUHVV
ṇᅽ
.3D
Ref.BED
Ref.BED
a1a1
a2a2
++6࣊ࢵࢻ
++6+($'
UH03023
40
PTS-NXT2-06JE Vol.1

H12HS HEAD 3/3
H12HS ヘッド 3/3
UH03023
No. Dr
g
.No. & Code No. QTY Descri
p
tion Ratin
g
Materials Remarks
番号 図番 & コード番号 個数 品名
規
格材質 備考
1 XB03330 2 VALVE, SOL バル
ブ
SOL OT
2 XB00763 1 VALVE, PRESSURE REDUCING バル
ブ
減圧 OT
3 XS03692 12 SPOOL ス
プ
ール OT
5 S1058B 1 SILENCER サイレンサ AN120-M3 OT
6 H62140 1 PLATE
プ
レート SYJ3000-21-12A OT
7 XS00842 1 SENSOR, PRESSURE センサ 圧力 OT
9 H1122D 1 VALVE, SOL バル
ブ
SOL SYJ3140-5M0U OT
10 XS01844 1 CYLINDER シリンダ OT
13 PJ06032 1 PLATE, ACRYLIC
プ
レート アクリル OT
41
PTS-NXT2-06JE Vol.1