05. NXT II Part list.pdf - 第488页
1 4 5 66 67 10 11 12 13 4 4 4 6.1 6 8 8 75 76 9 9.1 60 42 41 59 64 55 57 53 54 54 71 61 36 35 36 35 37 38 28 33 32 33 32 58 51 52 43 45 46 48 44 47 49 63 72 7 7 16 14 17 15 18 78 79 80 81 86 87 82 88 25.1 25.2 27 26 31 3…
ࡇࡢ࣮࣌ࢪࡣࣈࣛࣥࢡ࣮࣌ࢪ࡛ࡍࠋ
This page is intentionally blank.
111
PTS-NXT2-06JE Vol.2

1
4
5
66
67
10
11
12
13
4
4
4
6.1
6
8
8
75
76
9
9.1
60
42
41
59
64
55
57
53
54
54
71
61
36
35
36
35
37
38
28
33
32
33
32
58
51
52
43
45
46
48
44
47
49
63
72
7
7
16
14
17
15
18
78
79
80
81
86
87
82
88
25.1
25.2
27
26
31
30
29
34
34
69
68
50
0,,;ࢫࣛࢻࢡࣛࣥࣃ㒊
0,,;6/,'(&/$03(5
US01322
112
PTS-NXT2-06JE Vol.2

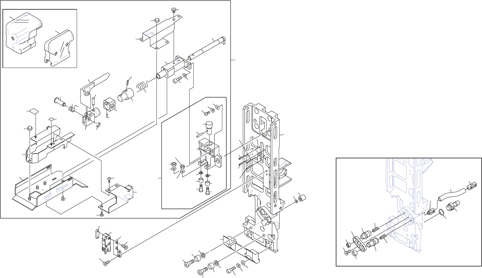
M3 II-X SLIDE 3/3 (CLAMPER)
M3 II-Xスライド 3/3 (クランパ部)
US01322
No. Dr
g
.No. & Code No. QTY Descri
p
tion Ratin
g
Materials Remarks
番号 図番 & コード番号 個数 品名
規
格材質 備考
1 PM63787 1 SLIDE, X-AXIS スライド X軸 FE [M3II]
4 H2043A 4 PIN, SPRING ピン ス
プ
リン
グ
2゚X12 OT
5 N2031A 1 NIPPLE ニッ
プ
ル M-5H-6 OT
6 PM05834 1 PIN, ROLLER ピン ローラ FE
6.1 PM29354 1 PIN, ROLLER ピン ローラ FE
7 PM05816 2 ROLLER ローラ FE
8 PM05821 2 COLLAR カラー FE
9 PM05772 1 NUT ナット FE
9.1 W1022A 1 WASHER, LOCK ワッシャ ス
プ
リン
グ
4M
/
MFE
10 PM09HC3 1 CLAMPER クランパ FE
11 H5289A 2 BOLT, HEX SOCKET ボルト 六角穴 M04X012 FE
12 W1022A 2 WASHER, LOCK ワッシャ ス
プ
リン
グ
4M
/
MFE
13 W1043A 2 WASHER, FLAT ワッシャ 平 4W- 4 FE
14 PP00622 1 BKT, SW BKT SW FE [M3II]
15 K5169M 2 SCREW, C
/
R COUNTERSUNK 小ネジ 十穴皿 M02X005(ステンレス) FE
16 S5161A 1 SW, MICRO SW マイクロ AV630564 OT
17 K5169Y 2 SCREW, C
/
R COUNTERSUNK 小ネジ 十穴皿 M2X10(ステンレス)SUS FE
18 PP00611 1 NUT ナット FE
25.1 AA7EF10 1 CLAMPER クランパ OT
25.2 AA7EG00 1 BLOCK
ブ
ロック OT
26 H5289A 2 BOLT, HEX SOCKET ボルト 六角穴 M04X012 FE
27 W1022A 2 WASHER, LOCK ワッシャ ス
プ
リン
グ
4M
/
MFE
28 PM05TK1 1 BLOCK
ブ
ロック AL
29 K5261H 2 SCREW, HEX SOCKET BUTTON 小ネジ 六角穴ボタン M05X012 FE
30 W1023A 2 WASHER, LOCK ワッシャ ス
プ
リン
グ
5M
/
MFE
31 W1044A 2 WASHER, FLAT ワッシャ 平 4W- 5 FE
32 PM05801 2 COLLAR カラー FE
33 PM05794 2 PIN, ROLLER ピン ローラ FE
34 PM05785 2 ROLLER ローラ FE
35 N1079W 2 NUT, HEX ナット 六角 M03 3シュ(3カ シロ) FE
36 W1021A 2 WASHER, LOCK ワッシャ ス
プ
リン
グ
3M
/
MFE
37 PM07536 1 PUSHER
プ
ッシャ FE
38 R5007A 1 ROLLER, NEEDLE ローラ ニードル ゚2.0X11.8 FOE5 OT
41 PM07528 1 HOLDER ホルダ AL
42 PM29203 1 SHAFT, ECCENTRIC シャフト 偏心 FE
43 PZ05132 1 SPRING, TORSION ス
プ
リン
グ
ネジリ FE
44 PM23283 1 JOINT ジョイント FE
45 H2049A 1 PIN, SPRING ピン ス
プ
リン
グ
3゚X12 OT
46 PM07CG2 1 HOLDER ホルダ FE
47 PZ09881 1 PIN, PARALLEL ピン 平行 OT
48 PZ36951 1 SPRING, TORSION ス
プ
リン
グ
ネジリ FE
49 PB02GM2 1 LEVER レバー FE
50 S1003F 1 CIR-CLIP サークリッ
プ
ST-EW-4(3カ シロ) OT
51 PJ17092 1 COLLAR カラー PL
52 H2092L 1 PIN, PARALLEL ピン 平行 ゚1X4 Aシュ OT
53 PB92213 1 BKT, RETAINER BKT 押え FE
54 K52543 4 SCREW, C
/
R FLAT 小ネジ 十穴平 M03X004ヒラトウH=1.0ニッケル FE
55 PP02362 1 DUCT, WIRING ダクト 配線 FE
57 PB005C2 1 COVER, WIRING カバー 配線 FE
58 N1129B 1 NUT, NYLON ナット ナイロン M3XH4 ステンレス FE
59 PP02370 1 BKT, SUPPORT BKT 支え FE
113
PTS-NXT2-06JE Vol.2