05. NXT II Part list.pdf - 第571页
2M II-BASE 9/10 2M II-ベース 9/10 UB01331 No. Dr g .No. & Code No. QTY Descri p tion Ratin g Materials Remarks 番号 図番 & コード番号 個数 品名 規 格材 質 備 考 1 PP03270 1 COVER カバー FE 1.1 PB01GT0 1 COVER カバ ー FE OPTION 2 K5171W 4 S…

AA
OPTION
DETAIL AA
DETAIL BB
BB
9
8
11
12
15
14
17
13
7
10
10.1
16
10.2
10.3
5
4
3
3
1
6
2
1.1
18
19
20
23
24
22
29
30
29
30
17
16
31
32
33
31
32
33
UB01331
0,,࣮࣋ࢫ
0,,%$6(
194
PTS-NXT2-06JE Vol.2

2M II-BASE 9/10
2M II-ベース 9/10
UB01331
No. Dr
g
.No. & Code No. QTY Descri
p
tion Ratin
g
Materials Remarks
番号 図番 & コード番号 個数 品名
規
格材質 備考
1 PP03270 1 COVER カバー FE
1.1 PB01GT0 1 COVER カバー FE OPTION
2 K5171W 4 SCREW, C
/
R TRUSS 小ネジ 十穴トラス M05X006(3カ シロ) FE
3 K1141G 2 GUARD, FIN ガード フィン 109-1000G OT
4 H30129 1 FAN ファン 9G1224G4D01 OT
5 K51986 4 SCREW, WASHER ASS'Y 小ネジ 座金組込み M04X040 P=3 ナベセムス(3カ シロ) FE
6 N1080H 4 NUT, HEX ナット 六角 M04(ザツキ)(3カ シロ) FE
7 PB005F1 1 BKT BKT FE
8 H5298A 2 BOLT, HEX SOCKET ボルト 六角穴 M05X010 FE
9 W1023A 2 WASHER, LOCK ワッシャ ス
プ
リン
グ
5M
/
MFE
10 PT02381 1 BRIDGE
ブ
リッジ FE
10.1 PM0DTF1 1 BLOCK, LOCATING
ブ
ロック 位置決め FE
10.2 H5322A 2 BOLT, HEX SOCKET ボルト 六角穴 M06X015 FE
10.3 W1013A 2 WASHER, CONICAL ワッシャ 皿 M- 6-H FE
11 H5322A 5 BOLT, HEX SOCKET ボルト 六角穴 M06X015 FE
12 W1013A 5 WASHER, CONICAL ワッシャ 皿 M- 6-H FE
13 PB007F1 1 BKT BKT FE
14 H5299A 2 BOLT, HEX SOCKET ボルト 六角穴 M05X012 FE
15 W1023A 2 WASHER, LOCK ワッシャ ス
プ
リン
グ
5M
/
MFE
16 PB94622 2 HOLDER 受け FE
17 K5172L 4 SCREW, C
/
R TRUSS 小ネジ 十穴トラス M04X006(3カ シロ) FE
18 RB04434 1 BKT BKT OT
19 H5297A 2 BOLT, HEX SOCKET ボルト 六角穴 M05X008 FE
20 W1023A 2 WASHER, LOCK ワッシャ ス
プ
リン
グ
5M
/
MFE
22 RB04424 1 BKT BKT OT
23 H5297A 2 BOLT, HEX SOCKET ボルト 六角穴 M05X008 FE
24 W1023A 2 WASHER, LOCK ワッシャ ス
プ
リン
グ
5M
/
MFE
29 K5171S 16 SCREW, C
/
R TRUSS 小ネジ 十穴トラス M03X006(3カ シロ) FE
30 K5198B 4 SCREW, WASHER ASS'Y 小ネジ 座金組込み M03X008 P=4 ナベセムス(3カ シロ) FE
31 PB010K0 2 BKT, PIPING BKT 配管 FE
32 H5298A 4 BOLT, HEX SOCKET ボルト 六角穴 M05X010 FE
33 W1023A 4 WASHER, LOCK ワッシャ ス
プ
リン
グ
5M
/
MFE
195
PTS-NXT2-06JE Vol.2

9DFXXP3XPSIRU9$&880%$&.833,16
237,21
9DFXXP3XPS)RU1R]]OHV
ᪧࣔࢪ࣮ࣗࣝഃ
2/'(502'8/(6,'(
ࣔࢪ࣮ࣗࣝഃ
02'8/(6,'(
ࣔࢪ࣮ࣗࣝഃ
02'8/(6,'(
$WWDFKHGZKHQYDFXXPEDFNXSSLQVXVHG
)DFWRU\VKLSSHGRSWLRQ
3RVSUHVV
1HJSUHVV
PHWHURXW
5($56,'(
)52176,'(
%IRUXQFODPSLQJ
$IRUFODPSLQJ
$࡛ࢡࣛࣥࣉ
%࡛ࣥࢡࣛࣥࣉ
%IRUXQFODPSLQJ
$IRUFODPSLQJ
$࡛ࢡࣛࣥࣉ
%࡛ࣥࢡࣛࣥࣉ
02'8/(=&/$03 02'8/(<&/$03
5($56,'(
)52176,'(
%IRUXQFODPSLQJ
$IRUFODPSLQJ
$࡛ࢡࣛࣥࣉ
%࡛ࣥࢡࣛࣥࣉ
%IRUXQFODPSLQJ
$IRUFODPSLQJ
$࡛ࢡࣛࣥࣉ
%࡛ࣥࢡࣛࣥࣉ
02'8/(=&/$03 02'8/(<&/$03
0RGXOHVQXPEHUHGIURPWKHOHIWDVYLHZHGIURPWKHEDVHIURQW
PHWHURXWPHWHURXW PHWHURXWPHWHURXW
PHWHURXW PHWHURXWPHWHURXW
࢜ࣉࢩࣙࣥ
ࣂ࣮࣒࢟ࣗࣂࢵࢡࢵࣉ⏝┿✵࣏ࣥࣉ
ͤᪧࣔࢪ࣮ࣗࣝᑐᛂ
$$+$
$$*=
$$+7
㸦237,21㸧
ȭ
ȭ[ ȭ
ȭ
03D
ȭȭ[ ȭ
ȭ
ȭ
ȭ[
ȭȭ
ȭ
ȭ
$$.%
ᚋഃ
๓ഃ
ȭ
ȭ ȭ
ȭ
ȭ
ȭ ȭ
ȭ
ȭ
ȭ ȭ
ȭȭ
ȭ
ȭ
ȭ
ȭ
ȭȭ
ࣔࢪ࣮ࣗࣝ=ࢡࣛࣥࣉ
ȭ[ࣨ ȭ[
ࣔࢪ࣮ࣗࣝ<ࢡࣛࣥࣉ
>@
0/6$ 0/6%
0/6%0/6$
%$$%
࣓࣮ࢱ࢘ࢺ ࣓࣮ࢱ࢘ࢺ ࣓࣮ࢱ࢘ࢺ࣓࣮ࢱ࢘ࢺ
ȭ
$$*=
㸦ᕤሙฟⲴ࢜ࣉࢩࣙࣥ㸧
ࣂ࣮࣒࢟ࣗࣂࢵࢡࢵࣉᵝྲྀࡅ
ȭ
ȭ
ȭ
$$/(
྾╔ࣀࢬࣝ⏝┿✵࣏ࣥࣉ
ȭ
ȭ
ȭ[ ȭ
ȭ[
ȭ
ȭ
ȭ
$$+6
$$/$ $$/%
$$/)
ȭ
ȭ ȭ
ȭ
$%
࣓࣮ࢱ࢘ࢺ ࣓࣮ࢱ࢘ࢺ
ᚋഃ
๓ഃ
ȭ[ࣨ
ȭ
ȭ
ȭ ȭ
ȭ
ȭ
ȭ ȭ
ȭȭ
ȭ
ȭ
ȭ
0/6$ 0/6%
0/6%0/6$
࣮࣋ࢫᡭ๓ࡽぢ࡚ᕥࡽࡢ0ࣔࢪ࣮ࣗࣝࡢ␒ྕ
>@
ࣔࢪ࣮ࣗࣝ<ࢡࣛࣥࣉ
ȭ[
ࣔࢪ࣮ࣗࣝ=ࢡࣛࣥࣉ
ȭ
ȭ
ȭ
ȭ
ȭ
$$.%
%$
࣓࣮ࢱ࢘ࢺ࣓࣮ࢱ࢘ࢺ
00
N3D03D
ṇᅽ
㈇ᅽ
$$$*
ȭ
ȭ
ȭ
ȭ ȭ
ȭ
ȭ
ͤ([FKDQJHWREHFRPSDWLEOHZLWKROGHUPRGXOHV
9595
92
58
93
94
57
79
83
56
55
78
77
82
81
80
76
75
73
72
74
74
72
72
71
71
70
69
67
68
66
65
63
64
62
61
84
60
59
36
40
40
40
40
36
40
40
40
40
52
53
54
86
85
91
89
90
88
19 19
18
34 27
33 2629
25
7
33 2629
25
273450
45
49
46
48
47
27
2528
29 26
78
87
56123 343
A
B
96
45
35
3938
G
H
31
32
30
28
5151
4444
42
43
K
I
J
K
41
415151
4444
43
42
LK
K
37
39 38
G
HHH
I
JJ
I
J
I
209
10 23
11
12
13
14 21
C6
17
13
15
1623
D
6
12
2211 20
21
96
45
31
32
30
28
M
35
3938
G
HH
II
JJ
51515151
4444 4444
42
43
43
42
KK
KK
41 41
37
39 38
L
G
HH
J
I
J
I
2424
EF
M
UB01331
0,,࣮࣋ࢫ
0,,%$6(
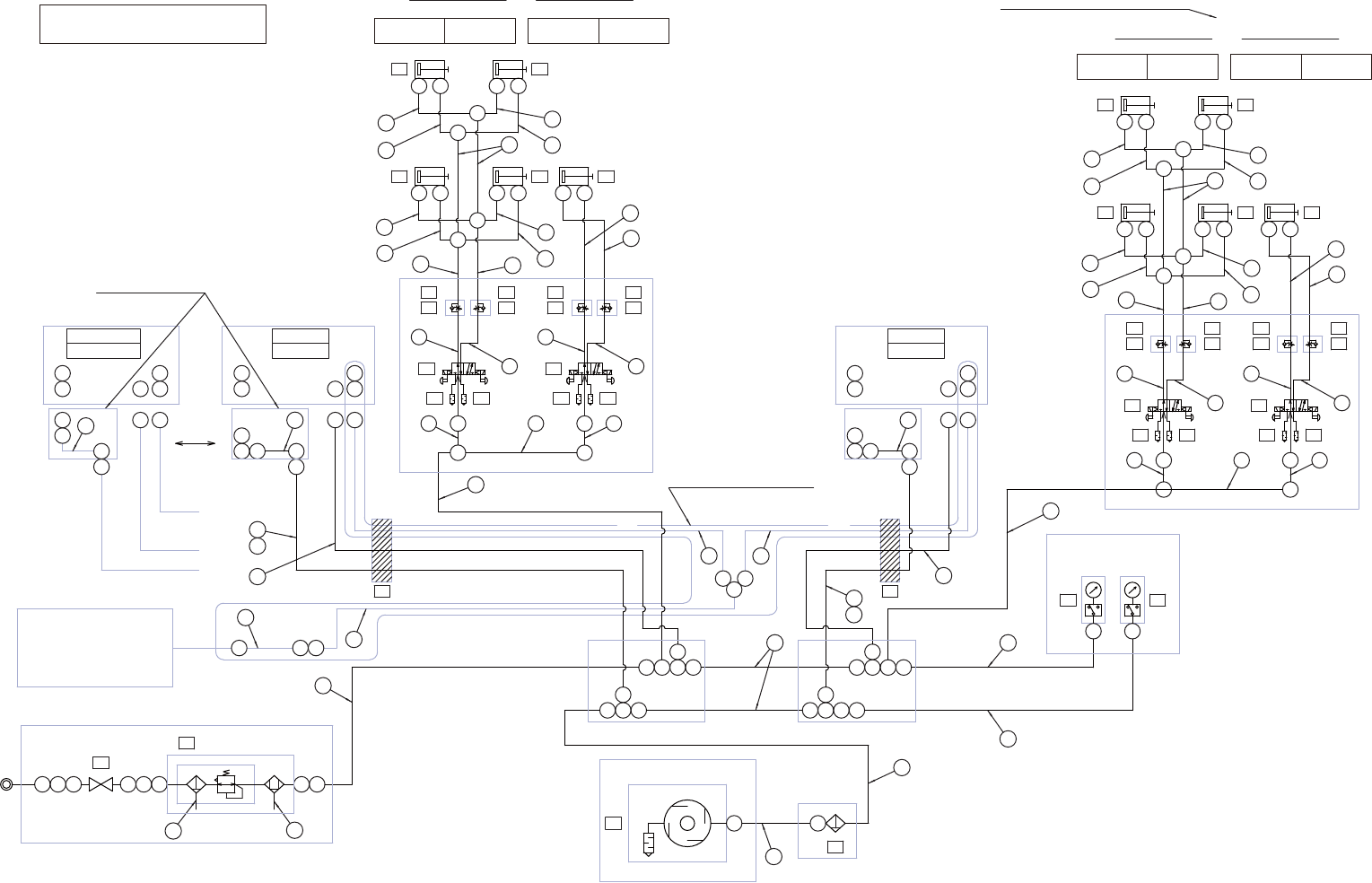
࢚࣮㓄⟶ᅗ0,,
31(80$7,&&,5&8,7',$*5$00,,
196
PTS-NXT2-06JE Vol.2