YS12_KHY_je - 第15页
Confidential & P roprietary P A G E FDR DO 2 FDR DI 1 FDR DO 1 FDR DO 0 J080 1 J07 97 DIP SW (S1) CN3 7 CN3 8 CN3 7 D O CN3 8 D I CN1 CN2 CN3 CN4 CN3 1 CN3 2 J10 01 J10 02 J10 03 J10 30 ・ ・ ・ CN33 F1 CN40 F1 CN36 F1 …

Confidential & Proprietary
PAGE
FDR DO2
FDR DI1
FDR DO1
FDR DO0 J0801
J0797
DIP SW(S1)
CN37
CN38
CN37 DO
CN38 DI
J1001
J1002
J1003
・・・
OFF
ON
・Bulk cassette feeders
・Multi-stick feeders
・High-speed stick feeders
・High-speed stack stick feeders
・QFP recovery conveyor
FDR DO2
FDR DI1
FDR DO1
FDR DO0
CN37
CN38
CN37 DO
CN38 DI
・・・
J0802
J0798
J1031
J1032
J1033
・Bulk cassette feeders
・Multi-stick feeders
・High-speed stick feeders
・High-speed stack stick feeders
・QFP recovery conveyor
DIP SW(S1)
OFF
ON
FDR CTRL BOARD ASSY P104FDR CTRL BOARD ASSY P103
CN1
CN2
CN3
CN24
J1024
J1054
CN24
CN1
CN2
CN3
・24 SS feeders ・24 SS feeders
FAN A N FAN B N FAN A N FAN B N
FAN B
N01088D7N01088D6
FAN AFAN B
N0108807N0108806
FAN A
FIX24 FRONT-2 FEEDERFIX24 FRONT-1 FEEDER
CN36 F1
CN36
CN36 F2
CN36
CN33 F1
CN40 F1
CN33
CN40 J0108
CN33 F2
CN33
CN40
J0106
J0113
J0115
I/O B
I/O B
J0774
FDR DO2
FDR DI1CN38 DI
FDR DO1
FDR DO0CN37 DO
FAN A N
FAN A
FAN B N
FAN B
・・・
CN32
CN31
CN4
CN3
CN2
CN1
CN38
CN37
・30 SS feeders ・QFP recovery conveyor
・High-speed stack stick feeders
・High-speed stick feeders
・Multi-stick feeders
・Bulk cassette feeders
N0110D06N0110D07
DIP SW(S1)
OFF
ON
J0109
CN36 R2
CN33 R2
J1091
J1092
J1093
J1120
J0800
J0804
CN36
CN40
CN33
CN36 R1J0773
FDR DO2
FDR DI1CN38 DI
FDR DO1
FDR DO0CN37 DO
FAN A N
FAN A
FAN B N
FAN B
・・・
CN32
CN31
CN4
CN3
CN2
CN1
CN38
CN37
・30 SS feeders ・QFP recovery conveyor
・High-speed stack stick feeders
・High-speed stick feeders
・Multi-stick feeders
・Bulk cassette feeders
DIP SW(S1)
OFF
ON
CN36
CN40
CN33
CN40 R1
CN33 R1
J1061
J1062
J1063
J1090
J0799
J0803
N0110807 N0110806
FDR CTRL BOARD ASSY P106 FDR CTRL BOARD ASSY P105
FIX60 REAR FEEDER
J0107
J0104
J0755
J0754
FDR PWR F2
FDR PWR F1
J0772
J0771
J0757
J0756
J0105
FDR PWR R1
FDR PWR R2
I/O B
I/O C
J0110
J0111
CN31
CN30
CN38
CN37
I/O C
I/O B
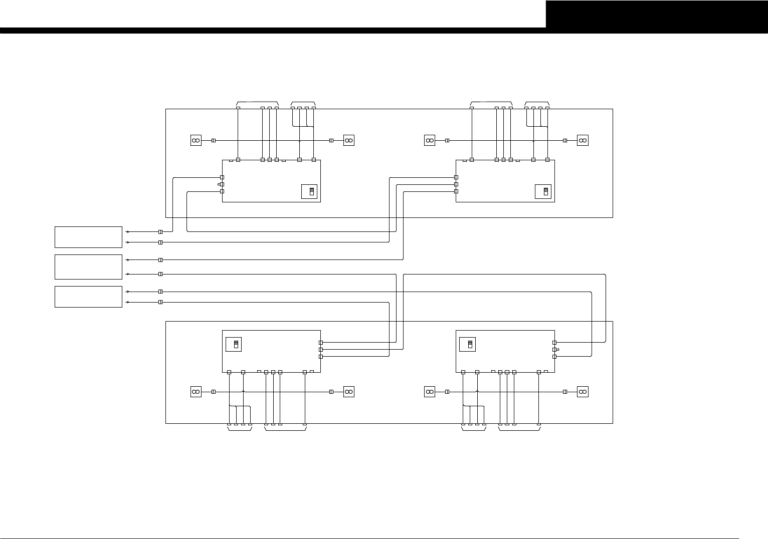
INTERFACE BOARD
See Page 2
See Page 5
I/O CONVEYOR -3-
I/O CONVEYOR -3-
See Page 5
V5
11
F FIX24/R FIX60 FEEDER STRUCTURE
YS12

Confidential & Proprietary
PAGE
FDR DO2
FDR DI1
FDR DO1
FDR DO0 J0801
J0797
DIP SW(S1)
CN37
CN38
CN37 DO
CN38 DI
CN1
CN2
CN3
CN4
CN31
CN32
J1001
J1002
J1003
J1030
・・・
CN33 F1
CN40 F1
CN36 F1
OFF
ON
・Bulk cassette feeders
・Multi-stick feeders
・High-speed stick feeders
・High-speed stack stick feeders
・QFP recovery conveyor
・30 SS feeders
CN33
CN40
CN36
FAN A
N0108806
FAN A N
FAN B
N0108807
FAN B N
FDR DO2
FDR DI1
FDR DO1
FDR DO0
CN37
CN38
CN37 DO
CN38 DI
CN1
CN2
CN3
CN4
CN31
CN32
・・・
J0108
CN33 F2
CN36 F2
J0802
J0798
J1031
J1032
J1033
J1060
・Bulk cassette feeders
・Multi-stick feeders
・High-speed stick feeders
・High-speed stack stick feeders
・QFP recovery conveyor
・30 SS feeders
DIP SW(S1)
OFF
ON CN33
CN40
CN36
FAN A
FAN A N
N01088D6
FAN B
FAN B N
N01088D7
FDR CTRL BOARD ASSY P104FDR CTRL BOARD ASSY P103
FIX60 FRONT FEEDER
J0755
J0754
FDR PWR F2
FDR PWR F1
J0772
J0771
CN38
CN37
See Page 5
I/O CONVEYOR -3-
J0104
I/O B
J0110
I/O B
INTERFACE BOARD
See Page 2
J0106
V5
12
FIX60 FEEDER STRUCTURE(FRONT Only)
YS12

Confidential & Proprietary
PAGE
J0774
FDR DO2
FDR DI1CN38 DI
FDR DO1
FDR DO0CN37 DO
FAN A N
FAN A
FAN B N
FAN B
・・・
CN32
CN31
CN4
CN3
CN2
CN1
CN38
CN37
・30 SS feeders ・QFP recovery conveyor
・High-speed stack stick feeders
・High-speed stick feeders
・Multi-stick feeders
・Bulk cassette feeders
N0110D06N0110D07
DIP SW(S1)
OFF
ON
J0109
CN36 R2
CN33 R2
J1091
J1092
J1093
J1120
J0800
J0804
CN36
CN40
CN33
J0107
FDR DO2
FDR DI1
FDR DO1
FDR DO0 J0801
J0797
DIP SW(S1)
CN37
CN38
CN37 DO
J0771
CN38 DI
CN1
CN2
CN3
CN4
CN31
CN32
J1001
J1002
J1003
J1030
・・・
CN33 F1
CN40 F1
CN36 F1
OFF
ON
・Bulk cassette feeders
・Multi-stick feeders
・High-speed stick feeders
・High-speed stack stick feeders
・QFP recovery conveyor
・30 SS feeders
CN33
CN40
CN36
FAN A
N0108806
FAN A N
FAN B
N0108807
FAN B N
CN36 R1J0773
FDR DO2
FDR DI1CN38 DI
FDR DO1
FDR DO0CN37 DO
FAN A N
FAN A
FAN B N
FAN B
・・・
CN32
CN31
CN4
CN3
CN2
CN1
CN38
CN37
・30 SS feeders ・QFP recovery conveyor
・High-speed stack stick feeders
・High-speed stick feeders
・Multi-stick feeders
・Bulk cassette feeders
DIP SW(S1)
OFF
ON
CN36
CN40
CN33
CN40 R1
CN33 R1
J1061
J1062
J1063
J1090
J0799
J0803
N0110807 N0110806
FDR DO2
FDR DI1
FDR DO1
FDR DO0
CN37
CN38
CN37 DO
CN38 DI
CN1
CN2
CN3
CN4
CN31
CN32
・・・
J0108
CN33 F2
CN36 F2 J0772
J0802
J0798
J1031
J1032
J1033
J1060
・Bulk cassette feeders
・Multi-stick feeders
・High-speed stick feeders
・High-speed stack stick feeders
・QFP recovery conveyor
・30 SS feeders
DIP SW(S1)
OFF
ON CN33
CN40
CN36
FAN A
FAN A N
N01088D6
FAN B
FAN B N
N01088D7
FDR CTRL BOARD ASSY P106 FDR CTRL BOARD ASSY P105
FDR CTRL BOARD ASSY P104FDR CTRL BOARD ASSY P103
FIX60 FRONT FEEDER
FIX60 REAR FEEDER
CN31
CN30
CN38
CN37
I/O C
I/O B
INTERFACE BOARD
See Page 2
See Page 5
I/O CONVEYOR -3-
I/O CONVEYOR -3-
See Page 5
J0755
J0754
J0757
J0756
FDR PWR F2
FDR PWR F1
J0772
J0771
FDR PWR R1
FDR PWR R2
J0104
J0105
I/O B
I/O C
J0110
J0111
J0106
V5
13
FIX60 FEEDER STRUCTURE
YS12