YS12_KHY_je - 第17页
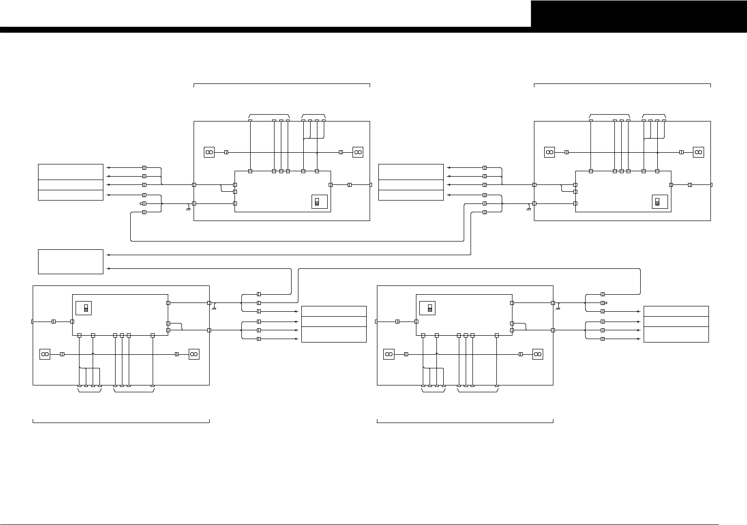
Confidential & P roprietary P A G E FDR PWR FES DO FES DI EMG I/O CUNET CN33 CN39 CN36 PWR CN36 CN39 CN33 CN41 CN41 RS 232C RS232C DIP SW (S1) OFF ON FAN A FAN A N FAN B N FAN B ・24 SS feed ers ・Bu lk casse tte feed …

Confidential & Proprietary
PAGE
J0774
FDR DO2
FDR DI1CN38 DI
FDR DO1
FDR DO0CN37 DO
FAN A N
FAN A
FAN B N
FAN B
・・・
CN32
CN31
CN4
CN3
CN2
CN1
CN38
CN37
・30 SS feeders ・QFP recovery conveyor
・High-speed stack stick feeders
・High-speed stick feeders
・Multi-stick feeders
・Bulk cassette feeders
N0110D06N0110D07
DIP SW(S1)
OFF
ON
J0109
CN36 R2
CN33 R2
J1091
J1092
J1093
J1120
J0800
J0804
CN36
CN40
CN33
J0107
FDR DO2
FDR DI1
FDR DO1
FDR DO0 J0801
J0797
DIP SW(S1)
CN37
CN38
CN37 DO
J0771
CN38 DI
CN1
CN2
CN3
CN4
CN31
CN32
J1001
J1002
J1003
J1030
・・・
CN33 F1
CN40 F1
CN36 F1
OFF
ON
・Bulk cassette feeders
・Multi-stick feeders
・High-speed stick feeders
・High-speed stack stick feeders
・QFP recovery conveyor
・30 SS feeders
CN33
CN40
CN36
FAN A
N0108806
FAN A N
FAN B
N0108807
FAN B N
CN36 R1J0773
FDR DO2
FDR DI1CN38 DI
FDR DO1
FDR DO0CN37 DO
FAN A N
FAN A
FAN B N
FAN B
・・・
CN32
CN31
CN4
CN3
CN2
CN1
CN38
CN37
・30 SS feeders ・QFP recovery conveyor
・High-speed stack stick feeders
・High-speed stick feeders
・Multi-stick feeders
・Bulk cassette feeders
DIP SW(S1)
OFF
ON
CN36
CN40
CN33
CN40 R1
CN33 R1
J1061
J1062
J1063
J1090
J0799
J0803
N0110807 N0110806
FDR DO2
FDR DI1
FDR DO1
FDR DO0
CN37
CN38
CN37 DO
CN38 DI
CN1
CN2
CN3
CN4
CN31
CN32
・・・
J0108
CN33 F2
CN36 F2 J0772
J0802
J0798
J1031
J1032
J1033
J1060
・Bulk cassette feeders
・Multi-stick feeders
・High-speed stick feeders
・High-speed stack stick feeders
・QFP recovery conveyor
・30 SS feeders
DIP SW(S1)
OFF
ON CN33
CN40
CN36
FAN A
FAN A N
N01088D6
FAN B
FAN B N
N01088D7
FDR CTRL BOARD ASSY P106 FDR CTRL BOARD ASSY P105
FDR CTRL BOARD ASSY P104FDR CTRL BOARD ASSY P103
FIX60 FRONT FEEDER
FIX60 REAR FEEDER
CN31
CN30
CN38
CN37
I/O C
I/O B
INTERFACE BOARD
See Page 2
See Page 5
I/O CONVEYOR -3-
I/O CONVEYOR -3-
See Page 5
J0755
J0754
J0757
J0756
FDR PWR F2
FDR PWR F1
J0772
J0771
FDR PWR R1
FDR PWR R2
J0104
J0105
I/O B
I/O C
J0110
J0111
J0106
V5
13
FIX60 FEEDER STRUCTURE
YS12

Confidential & Proprietary
PAGE
FDR PWR
FES DO
FES DI
EMG
I/O
CUNET
CN33
CN39
CN36
PWR
CN36
CN39
CN33
CN41
CN41 RS232C
RS232C
DIP SW(S1)
OFF
ON
FAN A
FAN A NFAN B N
FAN B
・24 SS feeders
・Bulk cassette feeders
・QFP recovery conveyor
CN1
CN2
CN3
CN24
・・・
・High-speed stack stick feeders
・High-speed stick feeders
・Multi-stick feeders
CN37 DO
CN37
CN38 DI
CN38
FDR DO0
FDR DO1
FDR DI1
FDR DO2
N0110806N0110807
J1135 J1134
J0789J0790
J0792 J0791
PWR R1
CUNET R1
R1 FDR EMG
FES DI R1
R1 FES DO
FDR PWR R1
J1061
J1062
J1063
J1084
J0803
J0799
I/O
I/O C
I/O C
FES24 REAR-1 FEEDER
FDR CTRL BOARD ASSY P105
J0758
J0163
J0756
J0762TERMINAL BOARD
See Page 4
I/O CONVEYOR -3-
See Page 5
CN22
I/O CONVEYOR -1-
See Page 3
CN11
CN38
CN26,30
FDR DO2
FDR DI1
FDR DO1
FDR DO0 J0801
J0797
FAN A N
DIP SW(S1)
CN37
CN38
CN37 DO
CN38 DI
J1001
J1002
J1003
・・・
OFF
ON
・Bulk cassette feeders
・Multi-stick feeders
・High-speed stick feeders
・High-speed stack stick feeders
・QFP recovery conveyor
FAN B N
CN1
CN2
CN3
CN24
J1024
CN36
CN39
CN36
CN39
CN33
CN33 J0781
J0783
CUNET
PWR PWR F1
CUNET F1
J0782
J0784
I/O
I/O
EMG
FES DI
FES DO
FDR PWR FDR PWR F1
F1 FES DO
FES DI F1
F1 FDR EMG
I/O B
I/O B
FAN B
N0108807N0108806
FAN A
・24 SS feeders
CN41
CN41RS232C
RS232C
J1130 J1131
FES24 FRONT-1 FEEDER
FDR CTRL BOARD ASSY P103
J0163
J0760
J0758
J0754
TERMINAL BOARD
See Page 4
I/O CONVEYOR -3-
See Page 5
I/O CONVEYOR -1-
See Page 3
CN11
CN26,30
CN22
CN37
FDR DO2
FDR DI1
FDR DO1
FDR DO0
DIP SW(S1)
CN37
CN38
CN37 DO
CN38 DI
・・・
OFF
ON
・Bulk cassette feeders
・Multi-stick feeders
・High-speed stick feeders
・High-speed stack stick feeders
・QFP recovery conveyor
FAN B N
CN1
CN2
CN3
CN24
CN36
CN39
CN36
CN39
CN33
CN33
CUNET
PWR
FAN BFAN A
・24 SS feeders
CN41
CN41RS232C
RS232C
J1130 J1131
CUNET F2
PWR F2
J0785 J0786
J0787 J0788
J1031
J1032
J1033
J1054
J0802
J0798
FAN A N
N0108D06 N0108D07
I/O
EMG
FES DI
FES DO
FDR PWR
I/O B
F2 FDR EMG
FES DI F2
F2 FES DO
FDR PWR F2
I/O
J0108
J0106
FES24 FRONT-2 FEEDER
FDR CTRL BOARD ASSY P104
J0163
J0758
J0761
J0755
TERMINAL BOARD
See Page 4
I/O CONVEYOR -3-
See Page 5
I/O CONVEYOR -1-
See Page 3
CN11
CN22
CN9,13
CN38
FES DI
EMG
I/O
CUNET
CN33
CN39
CN36
PWR
CN36
CN39
CN33
CN41
CN41 RS232C
RS232C
DIP SW(S1)
OFF
ON
FAN A
FAN A NFAN B N
FAN B
・24 SS feeders
・Bulk cassette feeders
・QFP recovery conveyor
CN1
CN2
CN3
CN24
・・・
・High-speed stack stick feeders
・High-speed stick feeders
・Multi-stick feeders
CN37 DO
CN37
CN38 DI
CN38
FDR DO0
FDR DO1
FDR DI1
FDR DO2
J0789
J0791
I/O C
N0110D07 N0110D06
J0800
J0804
J1091
J1092
J1093
J1114
J1136J1137
J0796
J0794
I/O
J0109
FES DI R2
R2 FDR EMG
CUNET R2
PWR R2
J0107
FES24 REAR-1 FEEDER
FDR CTRL BOARD ASSY P106
J0163
J0763
J0105
J0104
I/O C
I/O B
INTERFACE BOARD
See Page 2
CN9,13
TERMINAL BOARD
See Page 4
FDR PWR
FES DO
FDR PWR R2
R2 FES DO
J0758
J0757
CN31
I/O CONVEYOR -3-
See Page 5
CN22
I/O CONVEYOR -1-
See Page 3
CN11
V5
14
FES24 FEEDER STRUCTURE
YS12

Confidential & Proprietary
PAGE
CN3
ION CN3R
J0876
(FRONT ONLY SPEC.)
CN1
CN2
J0875
CN1 R J0874
CN3
CN1
CN2 J0873
CN1 F J0872
ION F ION R
REAR SAFETY COVER
FRONT SAFETY COVER
IONIZER A21
ION I/F BOARD ASSY P026
ION I/F BOARD ASSY P027
J0871 ION CN3R
ION CN3F
IONIZER A22
J0878
J0877
I/O CONVEYOR -2-
See Page 4
TCN24R
TCN28R
I/O CONVEYOR -3-
See Page 5
CN34
V5
15
IONIZER ASSY(OPTION)
YS12