YS12_KHY_je - 第19页
Confidential & P roprietary P A G E 200V 208V 220V 240V 380 V 400V 416V N W50 V50 U50 N W50 200V 208V 220V 240V 380 V 400V 416V N W50 N W50 V10 U10 V10 U10 V10 U10 V10 U10 V10 U10 V10 U10 V10 U10 N W50 N W50 N W50 R2…

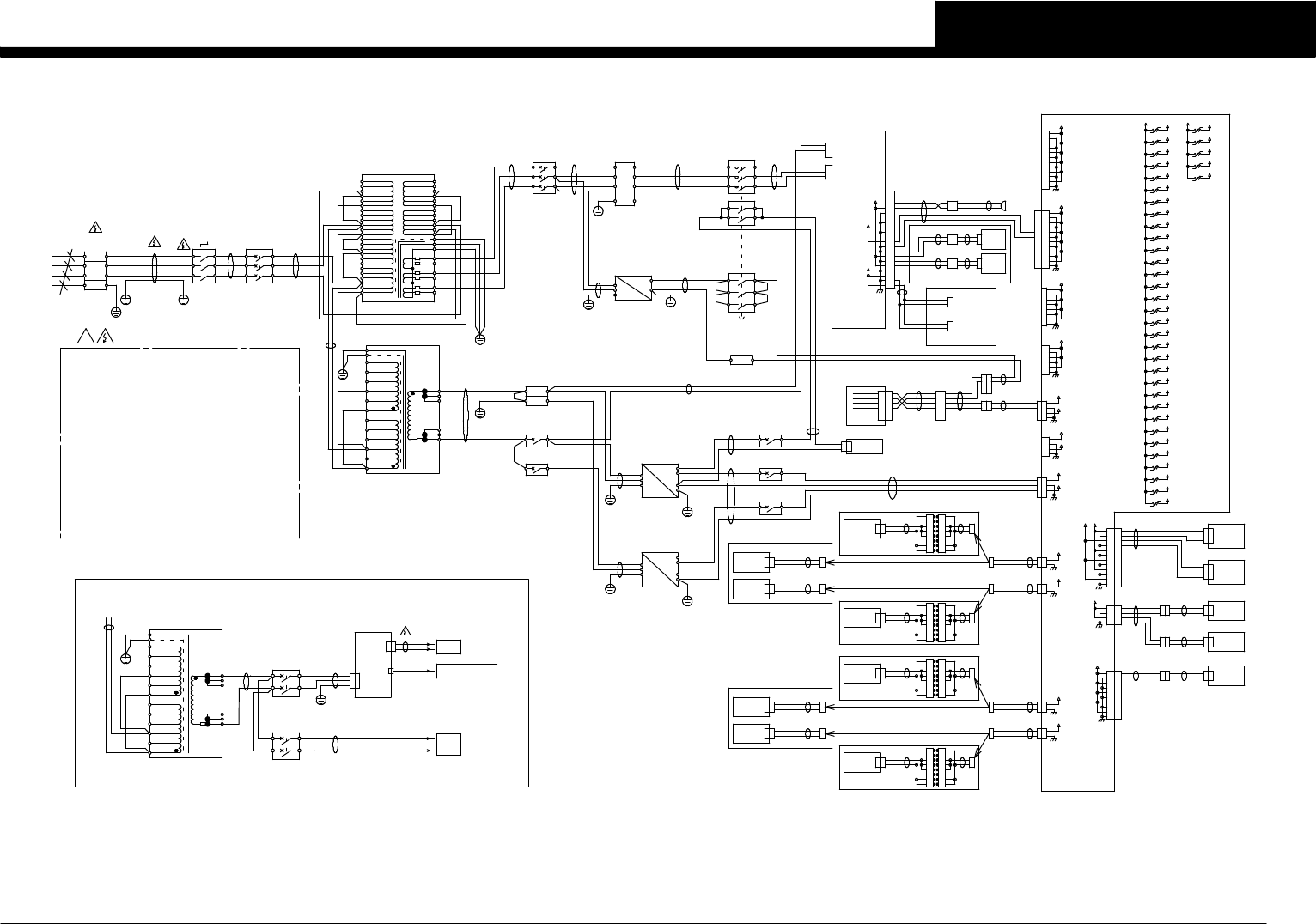
Confidential & Proprietary
PAGE
CN3
ION CN3R
J0876
(FRONT ONLY SPEC.)
CN1
CN2
J0875
CN1 R J0874
CN3
CN1
CN2 J0873
CN1 F J0872
ION F ION R
REAR SAFETY COVER
FRONT SAFETY COVER
IONIZER A21
ION I/F BOARD ASSY P026
ION I/F BOARD ASSY P027
J0871 ION CN3R
ION CN3F
IONIZER A22
J0878
J0877
I/O CONVEYOR -2-
See Page 4
TCN24R
TCN28R
I/O CONVEYOR -3-
See Page 5
CN34
V5
15
IONIZER ASSY(OPTION)
YS12

Confidential & Proprietary
PAGE
200V 208V 220V 240V 380V 400V 416V
N
W50
V50
U50
N
W50
200V 208V 220V 240V 380V 400V 416V
N
W50
N
W50
V10
U10
V10
U10
V10
U10
V10
U10
V10
U10
V10
U10
V10
U10
N
W50
N
W50
N
W50
R2
R2
R2
R2
R2
R2
R2
S2
S2
S2
S2
S2
S2
S2
T2
T2
T2
T2
T2
T2
T2
TM11:The selection of POWER SOURCE 1.7KVA
100V
100V
0V
0V
100V
100V
0V
0V
100V
100V
0V
0V
100V
100V
0V
0V
100V
100V
0V
0V
100V
100V
0V
0V
100V
100V
0V
0V
240V
0V
190V
200V
208V
220V
240V
0V
190V
200V
208V
220V
0V
100V
240V
0V
190V
200V
208V
220V
240V
0V
190V
200V
208V
220V
0V
100V
240V
0V
190V
200V
208V
220V
240V
0V
190V
200V
208V
220V
0V
100V
240V
0V
190V
200V
208V
220V
240V
0V
190V
200V
208V
220V
0V
100V
240V
0V
190V
200V
208V
220V
240V
0V
190V
200V
208V
220V
0V
100V
240V
0V
190V
200V
208V
220V
240V
0V
190V
200V
208V
220V
0V
100V
240V
0V
190V
200V
208V
220V
240V
0V
190V
200V
208V
220V
0V
100V
R2
S2
R2
S2
R2
S2
R2
S2
R2
S2
R2
S2
R2
S2
TC11:The selection of POWER SOURCE 1.5KVA(STD)/1.75KVA(with UPS)
240V
220V
208V
200V
190V
0V
240V
220V
208V
200V
190V
0V
240V
220V
208V
200V
190V
0V
240V
220V
208V
200V
190V
0V
240V
220V
208V
200V
190V
0V
240V
220V
208V
200V
190V
0V
230V
230V
230V
W
V
U
220V
220V
220V
240V
220V
208V
200V
190V
0V
240V
220V
208V
200V
190V
0V
240V
220V
208V
200V
190V
0V
240V
220V
208V
200V
190V
0V
240V
220V
208V
200V
190V
0V
240V
220V
208V
200V
190V
0V
230VW
V
U
240V
220V
208V
200V
190V
0V
240V
220V
208V
200V
190V
0V
240V
220V
208V
200V
190V
0V
240V
220V
208V
200V
190V
0V
240V
220V
208V
200V
190V
0V
240V
220V
208V
200V
190V
0V
230VW
V
U
240V
220V
208V
200V
190V
0V
240V
220V
208V
200V
190V
0V
240V
220V
208V
200V
190V
0V
240V
220V
208V
200V
190V
0V
240V
220V
208V
200V
190V
0V
240V
220V
208V
200V
190V
0V
230VW
V
U
240V
220V
208V
200V
190V
0V
240V
220V
208V
200V
190V
0V
240V
220V
208V
200V
190V
0V
240V
220V
208V
200V
190V
0V
240V
220V
208V
200V
190V
0V
240V
220V
208V
200V
190V
0V
230VW
V
U
240V
220V
208V
200V
190V
0V
240V
220V
208V
200V
190V
0V
240V
220V
208V
200V
190V
0V
240V
220V
208V
200V
190V
0V
240V
220V
208V
200V
190V
0V
240V
220V
208V
200V
190V
0V
230VW
V
U
V50
U50
230V
230V
220V
220V
220V
V50
U50
230V
230V
220V
220V
220V
V50
U50
230V
230V
220V
220V
220V
V50
U50
230V
230V
220V
220V
220V
V50
U50
230V
230V
220V
220V
220V
240V
220V
208V
200V
190V
0V
240V
220V
208V
200V
190V
0V
240V
220V
208V
200V
190V
0V
240V
220V
208V
200V
190V
0V
240V
220V
208V
200V
190V
0V
240V
220V
208V
200V
190V
0V
230VW
V
U
V50
U50
230V
230V
220V
220V
220V
V5
16
POWER TRANSFORMER
YS12

Confidential & Proprietary
PAGE
J0003
L1
L2
L3
J0009
J0097
BRACKET MAIN SWITCH
J0001
L1
L2
L3
PE
XB11
T2
S2
R2L1
L2
L3 T3
T2
T1R1
S1
T1T3
T2
T1
L2
L3
T2
T1
T3
L1L1
L2
L3
J0001
Icu≧6KA(AC440V)
NOTE:
MAX690V
QF11 20A(x20)
V50
U50
W50
J0010
J0011
J0012
J0013
J0014
J0015
J0020
J0016
J0017
J0077
J0076
J0075
W
V
U
240V
220V
208V
200V
190V
0V
240V
220V
208V
200V
190V
0V
240V
220V
208V
200V
190V
0V
240V
220V
208V
200V
190V
0V
240V
220V
208V
200V
190V
0V
240V
220V
208V
200V
190V
0V
N
230V
230V
230V
1.7KVA
S2
R2
T2
TM11
J0018
R2
S2
J0070
J0069
J0019
1.5KVA
0V
0V
100V
100V
240V
0V
190V
200V
208V
220V
0V
100V
240V
0V
190V
200V
208V
220V
TC11
J0027
See Page 3 - 5
BOARD ASSY
I/O CONV.
P025
J0026
J0022
QF41 7A
QF21 7A
J0046
1
2
3
4
+24V2
+24V
CN1
4
3
2
1
+
-
-
+
FG
U11C
V10
FG
N
L
J0031
U11A
V10
FG
J0023
-
-
+
+
L
N
FG
+24A
+24A
0V24A
0V24A
J0092
J0093
+24B
0V24B
300W 14A
GS21
GS22
600W 27A
KM11
J0046
A5
B5
A4
B4
A3
B3
A2
B2
A1
B1
A6
B6
CN26
+24VS2
CN27
+24VF5
A5
B5
A4
B4
A3
B3
A2
B2
A1
B1
A5
B5
A4
B4
A3
B3
A2
B2
A1
B1
A6
B6
A6
B6
J0047
7
8
5
6
3
4
2
1
CN34
+24E
J0004
W50
V50
U50
W51
V51
U51
J0005
J0078
W51
V51
U51
W52
V52
U52
NF11
MAX250V/10A
6
5
4
E E
1
2
3
J0006
W54
V54
U54
6/T35/L3
3/L2
2/T11/L1
4/T2
W52
V52
U52
MAX660V/13A
+24A
+24B
(45℃17.5Amax)
QF24 20A
(45℃10.5Amax)
QF23 12A
FDR+24V
+24V
J0047
+24A CONV+24V
(45℃3.5Amax)
QF25 4A
+
-
V51
FG J0091
U51
L
N
FG
+48A
0V48
J0052
4/T2
5/L3
3/L2
1/L1 2/T1
6/T3
MAX690V/6A
KM12
+48A +48V
3
2
1
CONTROL BOX A1
ACIN
AC100V:CONTROL
See Page2
AC100V
3
2
1
AC230V: DRIVE
MOTOR
POWER
AC230V
CN44
A1
B1
A2
B2
A3
B3
+24VS1
1
2 2
1
DCN1
CONVEYOR
DRIVER
P011
EXT.PWR
+24V
+5V
+12V
A1
B1
A2
B2
A3
B3
A4
B4
A5
B5
A6
B6
A7
B7
A8
B8
A9
B9
A10
B10
BUZZER
HA1
J0028
J0253
J0252
LCD2
LCD1
LCD2
LCD1
2 2
1 1
2 2
1 1
J0235
J0234
2
1
2
1
BUZZER
0V48
MAX660V/22A
0V480V48
XT31
CN43
+24VC1
+24VF3
3
4
1
2 2
1
4
3
H+48V
1 1
33
4
2
4
2
2
1
2
1
H+24V
4
1
6
2
3
6
4
3
2
1
5 5
GND+48V
GND+24V
+24V
+48V
J0043J0044
J0055
J0042
P041
I/O HEAD
CN1
A1
B1
A2
B2
A3
B3
A1
B1
A2
B2
A3
B3
+24VB6
+24VF4
CN45
A1
B1
A2
B2
9
10
2
1
3
4
5
6
7
8
+24VF6
CN35
1
2
1
2
CN10
J0056
ANC CTRL BOARD ASSY
P018
+24V
9
10
7
8
5
6
3
4
2
1
1 1
2 2
3 3
CN4
P061
FRONT
DIGITAL MALTI CAMERA 1 ASSY
1 1
2 2
3 3
CN4
DIGITAL MALTI CAMERA 2 ASSY
REAR
P071
F.MULTI CAM. SUB ASSY
R.MULTI CAM. SUB ASSY
CN28
A6
B6
A6
B6
A1
B1
A2
B2
A3
B3
A4
B4
A5
B5
A1
B1
A2
B2
A3
B3
A4
B4
A5
B5
J0049
1
2
1
2
+24V
CN1
J0901
FRONT FEEDER SET STATION
P107
FDR ST BOARD ASSY
FRONT
CN29
+24VD5
A1
B1
A2
B2
A1
B1
A2
B2
J0045
J0021
V10B
U10B
V10B
U10B
V10
V10
MAX660V/22A
XT21
J0007
Peak 15.5A 10sec
GS31 600W 7A
V10
V10
V10
U11A
U11A
U11C
POW/EMG
2
1
5
3
4
・
10
11
2
1
5
3
4
・
10
11
1
2
1
2
FDR CTRL BOARD ASSY
CN36
R2
P106
+24V
J0795
2
1
5
3
4
・
10
11
2
1
5
3
4
・
10
11
1
2
1
2
J0792
J0796
J0791
1
2
1
2
FDR CTRL BOARD ASSY
CN36
R1
P105
+24V
2
1
J0783 J0784
11
10
・
4
3
5
2
1
11
10
・
4
3
5
2
1
P103
CN36
F1
FDR CTRL BOARD ASSY
+24V
2
1
2
1
2
1
・
10
11
4
3
5
2
1
J0788
F2
P104
CN36
FDR CTRL BOARD ASSY
+24V
2
1
2
1
J0787
・
10
11
4
3
5
2
1
FES24 REAR-2 FEEDER
FES24 REAR-1 FEEDER
FES24 FRONT-2 FEEDER
FES24 FRONT-1 FEEDER
1
2
J0773
1
2
1
2
+24V
FDR CTRL BOARD ASSY
CN36
R1
P105
1
2
J0774
1
2
1
2
+24V
FDR CTRL BOARD ASSY
CN36
R2
P106
2
1
2
1
J0771
J0772
P103
CN36
F1
FDR CTRL BOARD ASSY
+24V
2
1
2
1
P104
F2
CN36
FDR CTRL BOARD ASSY
+24V
2
1
2
1
2
1
+24VD1
CN37
2
11
2
J0754
FDR PWR F1
2
1
+24VD2
2
11
2
CN38J0755
2
1
+24VD3
2
11
2
CN30J0756
2
1
+24VD4
2
11
2
CN31J0757
FDR PWR F2
FDR PWR R1
FDR PWR R2
J0051
1
2
1
2
1
2
1
2
1
2
1
2
+24V
CN1
FRONT FEEDER SET STATION
FDR ST BOARD ASSY
REAR
J0902
P109
1
2
1
2
F.FDR ST
R.FDR ST
ANC+24V
L+24V
C+24V
EMERGENCY CIRCUIT
MAX690V/25A
QS11
J0119
!
*
Residual risk
when MAIN SW QS11 is OFF.
*The charge mark is put on the place
that might be gotten an electric shock.
・Secondary side of UPS.
・Chemical capacity for motor power in
CONTROL BOX A1.
・On the front cover at CONTROL BOX A1.
・On the cover at the front right side.
・On the cover at the rear right side.
・On the cover at the rear center side.
・On the cover at the rear left side.
・On the left side of the base frame.
・On the right side of the base frame.
・Near the MAIN SW QS11.
・Between INCOMING SUPPLY TERMINAL BLOCKS XB11
and MAIN SW QS11.
・Lower of INCOMING SUPPLY TERMINAL BLOCKS XB11.
・Around J0001 harness.
High Voltage
U11C
V10C
J0022
U10
V10
U10B
V10B
100V
100V
0V
0V
240V
0V
190V
200V
208V
220V
0V
100V
1.75kVA
V10B
U10B
J0021
QF61 15A
V10A
U10A
J0070
J0069
R2
S2
J0018
J0019
240V
0V
190V
200V
208V
220V
J0027
J0026
U10
V10
QF62 7A
J0031
J0752
J0751
GS22 N
GS22 L
U11C
V10
See Page 2
CONTROL BOX (EXT POWER)
XT21
V10
QF21
U10
J0753
TC11
At the UPS specification
UPS IN
UPS OUT
GB1
SIGNAL
UPS
≧AWG12
(3.3sq)
220V
220V
220V
FIX FRONT FEEDER
FIX REAR FEEDER
See Page 16
See Page 16
See Page 18
J0080
MONITOR POWER
QF31 (4-6.3A)
set 5A
MAX1000V/40A
CONV+24V CONV+24E
73 74
KM11A
83 84
+24VC2
+24VC3
+24V
+24VA0
+24VA1
+24VA2
+24VA3
+24VA4
+24VA5
+24VA6
+24VA7
+24VA8
+24VA9
+24VAA
+24VAB
+24VAD
+24VAE
+24VAF
+24VAG
+24VB1
+24VB2
+24VB3
+24VB4
+24VB6
+24VC1
+24VC2
+24VS1
+24VS2
+24VS3
0.9A
0.9A
0.9A
0.9A
0.9A
0.9A
0.9A
0.9A
0.9A
0.9A
0.9A
0.9A
0.9A
0.9A
0.9A
0.9A
1.35A
1.35A
0.3A
1.35A
2.5A
2.5A
2.5A
2.5A
+24VD2
+24VD3
+24VD4
+24VD5
+24VD1
+24V2
6.0A
6.0A
6.0A
6.0A
2.5A
+24VF6
+24VF5
+24VF4
+24VF3
+24VF1
+24VC3
2.5A
3.0A
1.6A
1.6A
0.9A
3.0A
1.85A
0.9A
J0891
2
1
2
1
APCO OPTION(OPTION)
V5
17
POWER CIRCUIT
YS12