YS12_KHY_je - 第3页
YS12 T able of contents Over view Control box I/O conveyor -1 1/3) I/O conveyor -2- 2/3) I/O conveyor -3- �…

Safety.
To replace the purchased parts safely, be sure to comply with the following items.
However the following cannot cover all items regarding safety in detail. So it is
extremely important that the worker or person handling the machine make correct
decisions regarding safety.
CAUTION Machine operation of operator•Work is limited to maintenance and
safety skill.
Be sure to turn off the machine’s power supply before doing the exchange work.
Be sure to push the emergency stop SW, and do adjustment work under the
emergency stop condition.
Refer to the manual for the replacement work of each consumable part.
*
Safety alert symbols and signal words
CAUTION
Indicates a potentially hazardous situation which, if not avoided, may result in minor
injury, or material loss or damage to the machine. These points are important for
protecting the safety of the machine and data, etc.
安全について
お買い上げいただいたパーツを安全に交換していただくために、下記の事項は必ず守って作
業を行ってください。しかしながら、下記に全ての安全性に関する項目を細部にわたり網羅
することは困難です。従って作業者自身の安全に対する正確な判断が非常に大切な要素とな
りますことをご留意ください。
注意 作業者は本機の動作・メンテナンスに習熟していて安全に作業を行える方に限り
ます。
①交換作業は、マシンの電源を切ってから必ず行ってください。
②調整作業は、非常停止 SW を押し、非常停止状態で必ず行ってください。
③消耗品の交換、各メンテナンス作業についてはマニュアルをご参照ください。
※安全標記の 注意は取り扱いを誤った場合、傷害に至る可能性または物的損害の発生
が想定される内容を示しています。検査機本体およびデータなどの損傷を防ぐために重
要な注意事項です。
YS12
Table of contents
Over view
Control box
I/O conveyor -1
1/3)
I/O conveyor -2-
2/3)
I/O conveyor -3-
3/3)
Head Servo Unit
Multi camera unit sel. (option)
Operation panel sel.
FIX24 feeder structure (FRONT only)
FIX24 feeder structure
FIX24 /R FIX60 feeder structure
24
60
FIX60 feeder structure (FRONT only)
FIX60 feeder structure
FES24 feeder structure
Ionizer assy option
Power transformer
Power circuit
Emergency circuit
Air circuit (
FES)
Air circuit
Wiring parts list
P.1
P.2
P.3
P.4
P.5
P.6
P.7
P.8
P.9
P.10
P.11
P.12
P.13
P.14
P.15
P.16
P.17
P.18
P.19
P.20
P.21
Condential & Proprietary

Confidential & Proprietary
PAGE
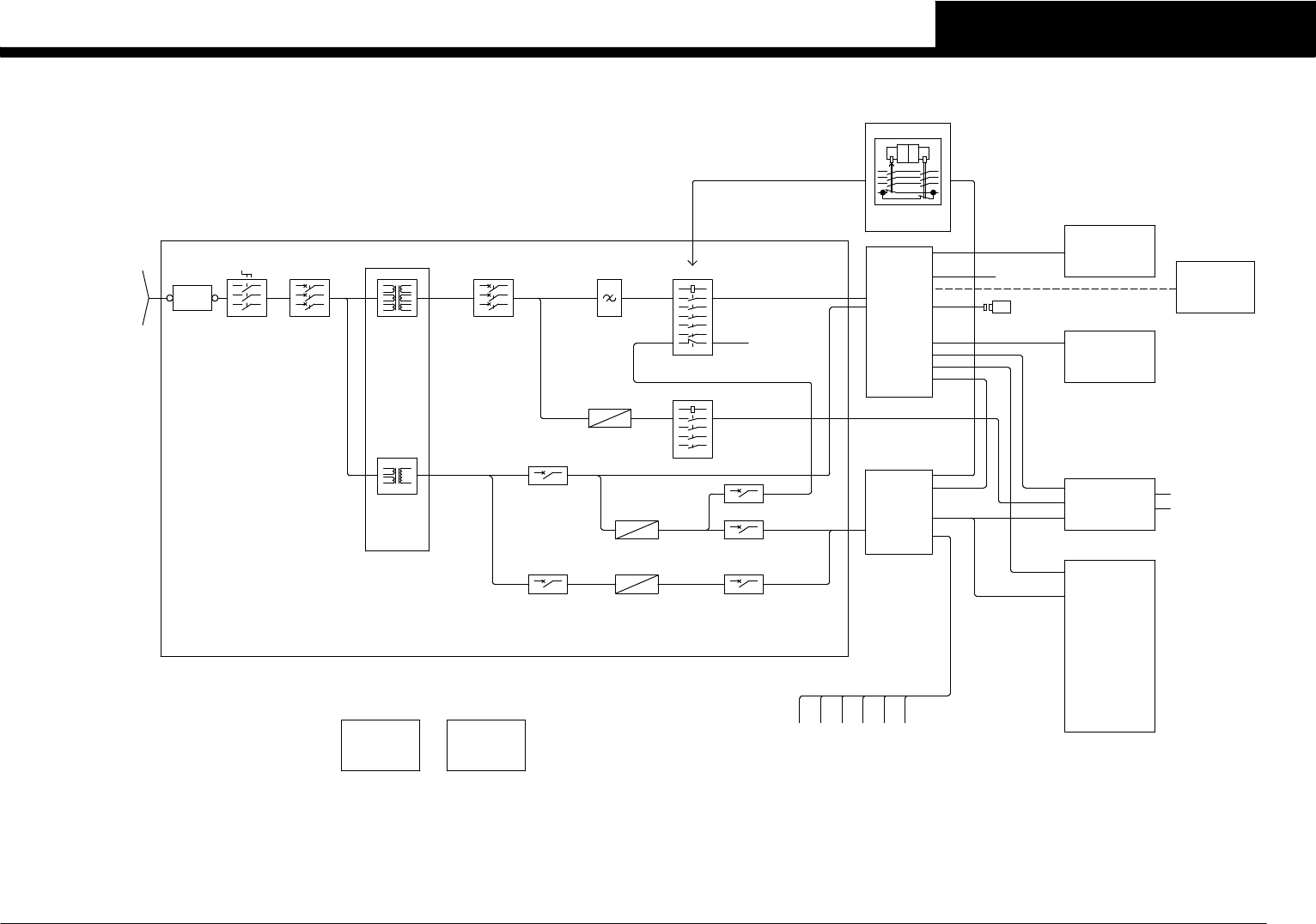
EMERGENCY CIRCUIT
KM10
CH1CH2K2 K1
Safety Relay
CONVEYOR MOTOR
CONTROL BOX A1
I/O CONVEYOR P25
3∼3∼ 3∼ AC230V
1∼ AC100V 1∼ AC100V
1∼ AC230V
3∼ AC230V 3∼ AC230V 3∼ AC230V
1∼ AC100V
3∼ 200V 0-417Hz
2:2.36KW(TOTAL)
1:1.30KW(TOTAL)
DRIVER
OUTPUT:
AC50/60Hz 11.6A(MAX)
MOTOR:3∼ 230V
AC50/60Hz 4.0A(MAX)
CONTROL:1∼ 100V
INPUT:
USB MEMORY
COMU
DC24V
DC48VDC48V
DC24VDC24V
EMERGENCY CIRCUITIONIZER ASSY(OPTION)
SENSOR
CONVEYOR MOTOR
30W
VALVE
SIGNAL TOWER
COVER S/W
EMG S/W
HEAD SENSOR,VALVE
Z,R SERVO MOTOR
See Page 7
See Page 8
OPERATION PANEL SEL.
MULTI CAMERA UNIT
(OPTION)
Each Motors
See Page 2
COMU
COMU
COMU
See Page 3-5
QF24 20A
QF23 12A
QF25 4A
GS21 300W 14A
Power Supply
GS22 600W 27A
Power Supply
QF21 7A
QF41 7A
KM12/KM12A
Contactor
KM11/KM11A
Contactor
Peak 15.5A 10sec
GS31 DC48V 7A
Power Supply
NF11
TC11
1.75KVA(with UPS)
1.5KVA(STD)
Noise
Filter
Circuit
Protector
TM11 1.7KVA
Transformer
Transformer
POWER TRANSFORMER
XB11
QS11 25A QF11 20A
Main Breaker
Main Switch
Terminal
Rating 4.9KVA MAX.
380/400/416V
200/208/220/240
3∼ 50/60Hz
See Page 16
See Page 18
I/O HEAD P041-P048
See Page 6
COMU
DC24V
DC48V
COMU
DC24V
FEEDER
See Page 2
(OPTION)
IT OPTION
BARCODE READER
See Page 9
FRONT FIX24x2
FRONT FIX24x2
REAR FIX24x2
See Page 10
FRONT FIX24x2
REAR FIX60x1
See Page 11
FRONT FIX60x1
See Page 12
REAR FIX60x1
FRONT FIX60x1
See Page 13
See Page 14
FRONT FES24x2
REAR FES24x2
See Page 15 See Page 18
TERMINAL
DC24V1
DC24V1 DC24V1
DC24V2
POWER CIRCUIT
See Page 17
DC24V2
QF31 set5A
(4-6.3A)
V5
1
OVER VIEW
YS12