ASM_MANUAL_TYPHOON_USC_en_100620_online.PDFA - 第57页
IN OUT FILTER / REGULATOR ASSEMBLY MAINS AIR IN AT 5 BAR MINIMUM TUBING Ø4.0 :- Ø8.0 :- PRESSURE SENSE P HEAVY PALETTE RAILS SNUGGER RTC VANE CLAMP LIFT SOL/ NEO HOZ CONFIG LID BOLT USC PLENUM LIFT Ø6.0 :- ASM SCREEN CLA…

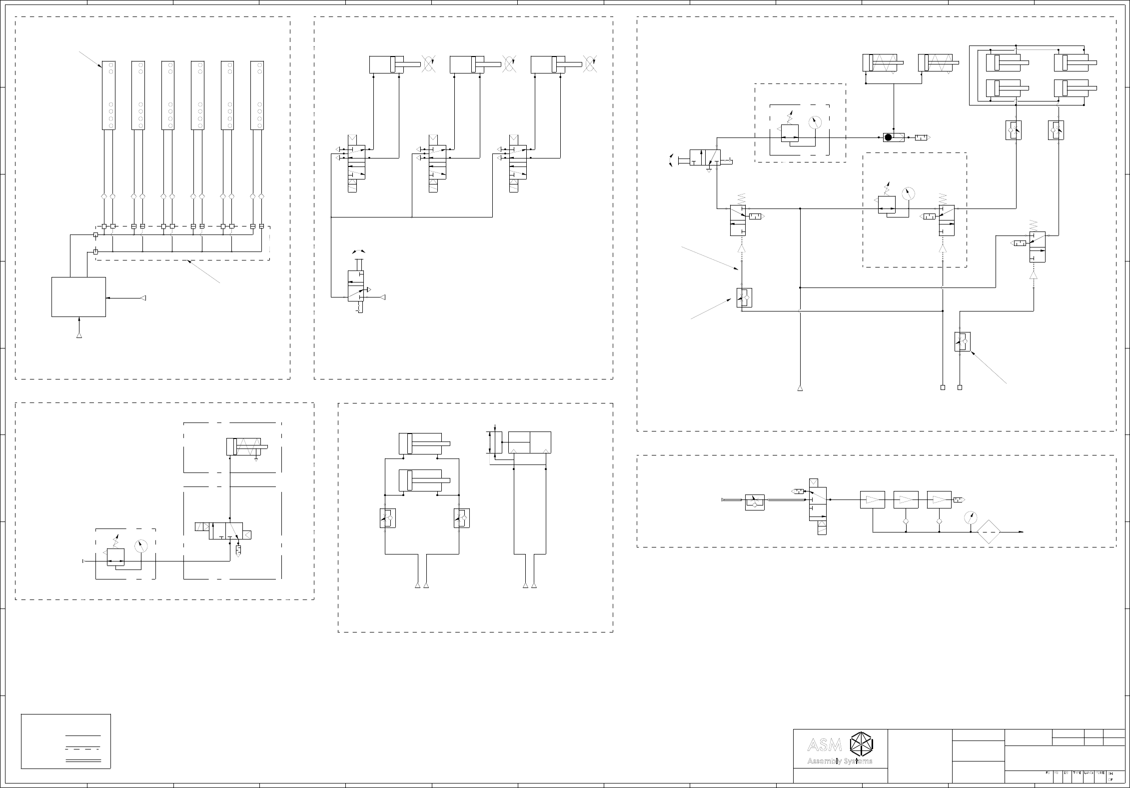
5 CIRCUIT DRAWINGS
5.1 LIST OF DRAWINGS
56 STANDALONE MANUAL TYPHOON UNDER STENCIL CLEANER 06/2020

IN OUT
FILTER / REGULATOR ASSEMBLY
MAINS AIR IN
AT 5 BAR
MINIMUM
TUBING
Ø4.0 :-
Ø8.0 :-
PRESSURE SENSE
P
HEAVY PALETTE RAILS
SNUGGER
RTC VANE CLAMP LIFT SOL/
NEO HOZ CONFIG
LID BOLT
USC PLENUM LIFT
Ø6.0 :-
ASM SCREEN CLAMPS
AA BAB
AA
BB
EbyDEK BOARD CLAMP
BOARD CLAMP
REGULATOR
REGULATOR
BOARD CLAMPS / HEAVY PALETTE
CAMERA MOUNTED
BOARD STOP /
RTC RAIL WIDTH
A
B
16SK23
16SOL31B
16SOL22
CHASE CLAMPS
SCREEN CLAMPS - STANDARD (6 CLAMPS)
TO GRID-LOK CONTROL
UNIT
SEE SHEET 2
REMOTE
BOARD STOP
TO GRID-LOK
CONTROL UNIT
SEE SHEET 2
TO STINGER
SEE SHEET 2
TO O.T.S.
SEE 88202994-01
TO PRINT CARRIAGE
MANIFOLD
SEE 88197550-01
OPTION
MACHINED CHASE ONLY
(4 CLAMPS)
TO SNUGGERS
SEE SHEET 2
PNEUMATIC DUMP VALVE
NOTE: ONLY FITTED ON MACHINES
EQUIPPED WITH M39 EMO
12
12
RAIL CLAMPS
LEFT
RAIL CLAMPS
RIGHT
ASM RAIL LOCK
TO TRS
SEE 88212335-01
TO HTC AUX. CONVEYORS
(OPTIONAL)
SEE SHEET 2
1
2
1
2
14
1
2
3
IN
IN
OUT
OUT
TO VENTURI VACUUM
SEE SHEET 2
2
1
23
45
A
B
16SOL14
2
1
23
45
A
B
16SOL10
2
1
23
45
16SOL0616SOL08
11
2233
4455
A
B
16SOL07
11
2
2 33
44 55
1
3
2
1
3
2
16SOL03
1
3
2
RTC OUTROAD
BOARD STOP
1
3
2
NOTE:-
ONLY ONE
CONNECTION
WILL BE MADE
DEPENDING
ON THE CHASE
TYPE FITTED.
NOTE:-
ONLY ONE CONNECTION
WILL BE MADE DEPENDING
ON PRINTER TYPE.
NOTE:-
ONLY ONE
CONNECTION
WILL BE MADE
DEPENDING ON
PRINTER TYPE.
16SK04
16SOL31A
TO TYPHOON
USC
SEE SHEET 2
NOTES
1. MIGRATED FROM 88188794-01 ISS 23
54321
A
B
C
C
B
A
12345
67
8
910
11 12
13
6
7
8
9
10 11
12
13
D
E
F
G
H
I
D
E
F
G
H
I
TITLE
DRAWING NUMBER
DRW_CCT_PNEUMATICS
1
2
-
03218383
01 01 01 X E 3
NDC
DATE INITIALECR
LATEST ISSUE
N CAMP
02/04/2019
02/04/2019
-
DRAWN
DATE
THIS DRAWING AND THE
COPYRIGHT IN IT, IS THE
PROPERTY OF ASM PACIFIC
TECHNOLOGY Ltd.
IT MAY NOT BE COPIED,
REPRODUCED, PUBLISHED OR
DISCLOSED IN WHOLE
OR IN PART WITHOUT OUR
WRITTEN CONSENT.
COPYRIGHT © BY
ASM PACIFIC TECHNOLOGY Ltd.
FIRST RELEASE INFORMATION

FROM
MAIN AIR SUPPLY
SHEET 1
HTC AUX CONVEYOR BOARD STOPS
L-R DIR.= L/H D'LINE B. STOP
R-L DIR.= L/H UPLINE B. STOP
TUBING
Ø4.0 :-
Ø8.0 :-
Ø6.0 :-
A
B
FROM
16SOL10
SHEET 1
BOARD CLAMPS
PRESSURE CONTROL
IN
OUT
SNUGGERS ON
SNUGGERS
SNUGGERS OPTION
NOTE:
THIS TUBE TO BE
0.5 TO 1M LONG
SNUGGER
DELAY
CONTROL
UNCLAMP DELAY CONTROL
FITTED AT SOLENOID
VALVE ON REAR OF M/C
GRID-LOK MANIFOLD
TOOLING MODULES
FROM
MAIN AIR SUPPLY
SHEET 1
GRID-LOK
CONTROL
UNIT
FROM
16SOL10 PORT A
SHEET 1
GRID-LOK TOOLING OPTION
TO AIR
SUPPLY
SEE SHT 1
TO AIR
SUPPLY
SEE SHT 1
TO AIR
SUPPLY
SEE SHT 1
SO
BBAA
FROM
MAIN AIR SUPPLY
SHEET 1
12
12
1
2
1
2
14
1
2
3
2
11
BOARD CLAMP
REGULATOR
14
1
2
3
IN
OUT
14
1
2
3
M27SOL02 M27SOL01 M27SOL03
L-R DIR.= R/H UPLINE B. STOP
R-L DIR.= R/H D'LINE B. STOP
L-R DIR.= R/H D'LINE B. STOP
R-L DIR.= L/H D'LINE B. STOP
1
2
2
3
4
5
1
2
3
1
2
3
4
5
1
2
3
4
5
1
2
3
FROM
MAIN AIR SUPPLY
SHEET 1
IN
OUT
STINGER CONTROL UNIT
STINGER DISPENSE
STINGER OPTION
TO VACUUM TOOLING
VENTURI VACUUM (OPTIONAL)
12
1
3
2
1
3
2
FROM
MAIN AIR SUPPLY
SHEET 1
11
22
FROM
16SOL06
SHEET 1
FROM
16SOL08
SHEET 1
PLENUM LIFT FABRIC BRAKE
TYPHOON USC
NOTES
1. MIGRATED FROM 88188794-01 ISS 23
54321
A
B
C
C
B
A
12345
67
8
910
11 12
13
6
7
8
9
10 11
12
13
D
E
F
G
H
I
D
E
F
G
H
I
TITLE
DRAWING NUMBER
DWG_CIRCUIT_PNEUMATICS
2
2
-
03218383
01 01 01 X E 3
NDC
DATE INITIALECR
LATEST ISSUE
N CAMP
02/04/2019
02/04/2019
-
DRAWN
DATE
THIS DRAWING AND THE
COPYRIGHT IN IT, IS THE
PROPERTY OF ASM PACIFIC
TECHNOLOGY Ltd.
IT MAY NOT BE COPIED,
REPRODUCED, PUBLISHED OR
DISCLOSED IN WHOLE
OR IN PART WITHOUT OUR
WRITTEN CONSENT.
COPYRIGHT © BY
ASM PACIFIC TECHNOLOGY Ltd.
FIRST RELEASE INFORMATION