NPM-D2 (1) - 第384页
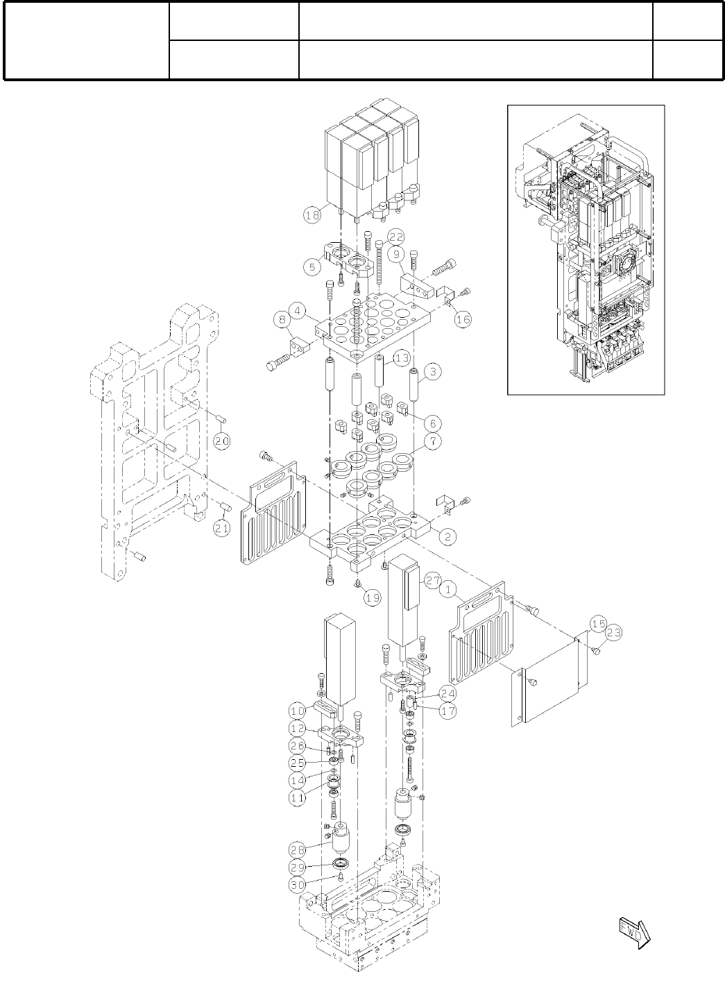
60-D 8ノズルヘッド:NPM 8 NOZZLE HEAD:NPM パーツレイアウト Ki t N o . キット 品番 Kit N a me キット名称 N6 10 157 74 2A A セクションNo. PARTS LAYOUT Section No. - - O197 ( KN610157742AA-01-4 )

Ref
No.
Remarks
R
1
Q'ty
60-C
8ノズルヘッド:NPM
8 NOZZLE HEAD:NPM
イラスト
No.
Part No.
品 名品番 数量
R
2
パーツリスト
Kit N
o
.
キット品
番
Kit Name
キット名称
N610157742AA
Part Name
備 考
セクションNo.
PARTS LIST
Section No.
R
3
BRACKET
1
1 N210126068AA
PLATE
1
2 N210087077AC
MANIFOLD
8
3 N210082814AC
BLOCK
2
4 N210084290AB
BRACKET
2
5 N210081896AB
PLATE
1
6 N210081901AA
GUARD
2
7 N210084292AC
COVER
1
8 N210087081AA
PLATE
1
9 N210081910AB
GUARD
2
10 N210081913AC
TUBE (70mm CUT)
9
11 N610144921AA
SPACER
4
12 N510015648AA CF-308E
BOLT
3
13 N510017329AA
Hexagon socket head cap screw M3X40-10.9 A2J (Trivalent)
BOLT
14
14 N510017338AA
Hexagon socket head cap screw M3X6-10.9 A2S (Trivalent)
WASHER
18
15 N510033304AA
Small round-plain washer 3 10H A2S (Trivalent)
BOLT
4
16 N510017342AA
Hexagon socket head cap screw M3X8-10.9 A2S (Trivalent)
JOINT
8
17 KXF02T0AA00 M-5ALU-6
STEEL-BALL
10
18 KXF081WAA00 4.5mm
SPACER
4
19 N510030913AA CB-313E
JOINT
8
20 N510064399AA M-3AU-3-X83
STEEL-BALL
24
21 KXF04BQAA00 2mm
SPACER
4
22 N510029461AA ASF-355E
FILTER
8
23 N510045029AA ZFC050-AU4X49
BOLT
4
24 N510032606AA CCBS3-8
BOLT
4
25 N510017320AA
Hexagon socket head cap screw M3X22-10.9 A2J (Trivalent)
SENSOR
1
26 N510048691AA PFMV530F-1-N-X900
SENSOR
1
27 N510048692AA PFMV530F-1-N-X901
O-RING
8
28 N554C03700A CO3700A
O196
--
( KN610157742AA-01-3 )

60-D
8ノズルヘッド:NPM
8 NOZZLE HEAD:NPM
パーツレイアウト
Ki
t
N
o
.
キット
品番
Kit Name
キット名称
N610157742AA
セクションNo.
PARTS LAYOUT
Section No.
--
O197
( KN610157742AA-01-4 )

Ref
No.
Remarks
R
1
Q'ty
60-D
8ノズルヘッド:NPM
8 NOZZLE HEAD:NPM
イラスト
No.
Part No.
品 名品番 数量
R
2
パーツリスト
Kit N
o
.
キット品
番
Kit Name
キット名称
N610157742AA
Part Name
備 考
セクションNo.
PARTS LIST
Section No.
R
3
GUIDE
2
1 N210087072AB
PLATE
1
2 N210081870AD
POST
2
3 N210081871AB
PLATE
1
4 N210081872AC
PLATE
4
5 N210010127AA
JOINT
8
6 N210050219AA
COLLAR
8
7 KXFB0ALHA00
BLOCK
1
8 KXFB0ALMA00
BLOCK
1
9 N210081876AB
BLOCK
2
10 N210081877AC
PULLEY
2
11 N210048480AA
PLATE
2
12 N210081878AC
COLLAR
2
13 N210087045AA
COLLAR
2
14 N210116463AB
COVER
1
15 N210087082AA
CLAMP
2
16 N210081914AB
PIN
4
17 N510020589AA MMS3-8
MOTOR
8
18 N510043454AA
S
P50B02001BXS7D
SCREW
10
19 N510018251AA
Cross recessed Truss head machine screw M3X5-4.8 A2J (Trivalent)
PIN
2
20 N986MMS410 MMS4-10
PIN
2
21 N510020607AA MMS5-10
BOLT
2
22 N510017368AA
Hexagon socket head cap screw M4X45-10.9 A2J (Trivalent)
BOLT
4
23 N510017330AA
Hexagon socket head cap screw M3X4-10.9 A2J (Trivalent)
SPACER
1
24 N510020196AA CB-310E
BEARING
4
25 N510017124AA R-830ZZ R P0P25LY121
SPACER
1
26 N510020996AA CF-301E
MOTOR
2
27 N510042809AB
S
P50B02002BXS2D
PULLEY
2
28 N510034188AB P26-2GT-BLP(K0703-001)
BEARING
2
29 N510003585AA DDA-1510ZZ H P0P25LY121
BOLT
2
30 XVE25B5FTC
Hexagon socket head cap screw M2.5X5-12.9 SOB
O198
--
( KN610157742AA-01-4 )