00197963-01_AI_Power_Supply_Conversion_SIPLACE_E_en - 第17页
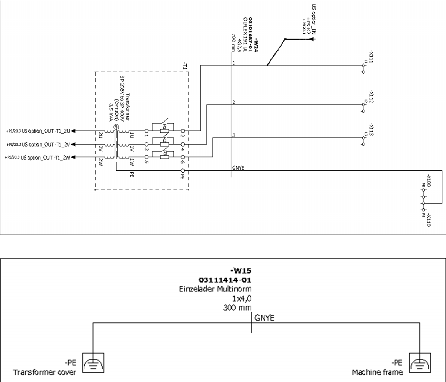
Conversion Circuit Diagrams Assembly Instructions SIPLACE E 17 AC power distribut ion - US option Grounding cable for transformer - US option

Conversion
Circuit Diagrams
16 Assembly Instructions SIPLACE E
3.2
3.2 Circuit Diagrams
Circuit Diagrams
Standard power distribution configuration

Conversion
Circuit Diagrams
Assembly Instructions SIPLACE E 17
AC power distribution - US option
Grounding cable for transformer - US option

Conversion
Installing the Power Conversion Kit
18 Assembly Instructions SIPLACE E
3.3
3.3 Installing the Power Conversion Kit
Installing the Power Conversion Kit
The power conversion kit for 3 x 200 – 240 V is installed at location 1 of the SIPLACE E machine.
The main switch and the power supply cable remain the same as they can be used in a 200 V supply
network.
The connections for station computer, LCD screens, and component tables remain unchanged because
they are connected to the placement machine's own supply system.
View of location 1 with transformer cover already installed
1 Location of vacuum pump unit
2 Location of vacuum pump control unit and terminal blocks -X111/-X112/-X113
3 Installation location of the transformer behind the cover [03111406-xx]