S27HM Circuit Diagrams - 第102页
3 - 13 0035447 6-010 301LD3 Servo u nit, S- 27 HM, basic mo dule, w iring ( sh. 5 o f 5) 5 SIEMENS A G PLEA1 E Status Modifie d Da te Name Standard Orig. Repl.f. Repl. by Document status Product status Function status Da…

3 - 12
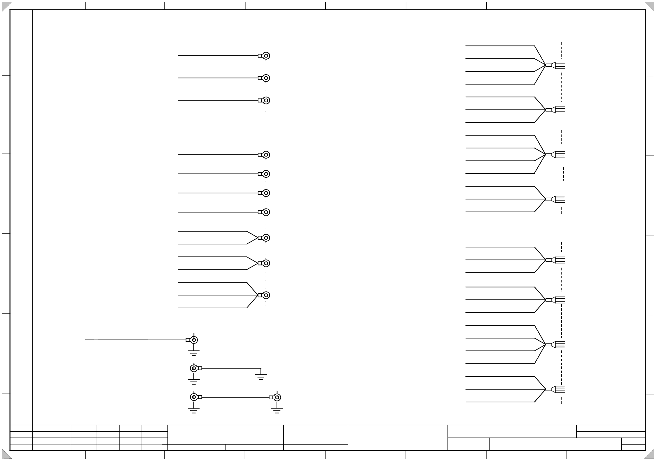
00354476-010301LD3 Servo unit, S-27 HM, basic module, wiring (sh. 4 of 5)
5
SIEMENS AG
PLEA1 E
Status Modified Date Name Standard Orig. Repl.f. Repl. by
Document status
Product status
Function status Date
Author
Check.
Sheet
Sh.
W
e
i
t
e
r
g
a
b
e
s
o
w
i
e
V
e
r
v
i
e
l
f
ä
l
t
i
g
u
n
g
d
i
e
s
e
r
U
n
t
e
r
l
a
g
e
,
V
e
r
-
w
e
r
t
u
n
g
u
n
d
M
i
t
t
e
i
l
u
n
g
i
h
r
e
s
I
n
h
a
l
t
s
n
i
c
h
t
g
e
s
t
a
t
t
e
t
,
s
o
w
e
i
t
n
i
c
h
t
a
u
s
d
r
ü
c
k
l
i
c
h
z
u
g
e
s
t
a
n
d
e
n
.
Z
u
w
i
d
e
r
h
a
n
d
l
u
n
g
e
n
v
e
r
-
p
f
l
i
c
h
t
e
n
z
u
S
c
h
a
d
e
n
e
r
s
a
t
z
.
A
l
l
e
R
e
c
h
t
e
v
o
r
b
e
h
a
l
t
e
n
,
i
n
s
b
e
s
o
n
d
e
r
e
f
ü
r
d
e
n
F
a
l
l
d
e
r
P
a
t
e
n
t
e
r
t
e
i
l
u
n
g
o
d
e
r
G
M
-
E
i
n
t
r
a
g
u
n
g
P
r
o
p
r
i
e
t
a
r
y
d
a
t
e
,
c
o
m
p
a
n
y
c
o
n
f
i
d
e
n
t
i
a
l
.
A
l
l
r
i
g
h
t
s
r
e
s
e
r
v
d
.
C
o
n
f
i
e
a
t
i
t
r
e
d
e
s
e
c
r
e
t
d
´
e
n
t
r
e
p
r
i
s
e
.
T
o
u
s
d
r
o
i
t
s
r
e
s
e
r
v
e
s
.
C
o
m
u
n
i
c
a
d
o
c
o
m
o
s
e
g
r
e
d
o
e
m
p
r
e
s
a
r
i
a
l
.
R
e
s
e
r
v
a
d
o
s
t
o
d
o
s
o
s
d
i
r
e
i
l
o
s
.
C
o
n
f
i
a
d
o
c
o
m
o
s
e
c
r
e
t
e
i
n
d
u
s
t
r
i
a
l
.
N
o
s
r
e
s
e
r
v
a
m
o
s
t
o
d
o
s
l
o
s
d
e
r
e
c
h
o
s
.
SIPLACE S27 HM SMD Placement System
Servo unit, basic module, wiring
A
B
C
D
E
F
1 2 3 4 5 6 7 8
1
2 3 4 5 6 7 8
A
B
C
D
E
F
3.
1.
1.
25.05.2000
17.07.2001
25.05.2000
Tuth
Tuth
Tuth 17.07.2001
Tuth
00354476-010301LD3
Star point 001
X4vc-4
pk / 0.5 mm
2
2L+ / 5L+
Backplane, star 1 A22
From connector
X4vo-4
X3-3
pk / 1.0 mm
2
Measurement socket MB1
pk / 0.25mm
2
pk / 0.5 mm
2
Backplane, star 2 A27
Star point 002
6L+
MB2
brbk / 1.0 mm
2
Power supply unit A17 X12-32
Meas. socket MB2
X4vr-4
X4vp-4
X3-2
X4-2
X14-9
From connector
From connector
From connector
X4vf-4Backplane dp1-axis 1 A20
X4vd-4Backplane z-axis 1 A21
brbk / 0.5 mm
2
brbk / 1.0 mm
2
brbk / 0.5 mm
2
brbk / 0.5 mm
2
brbk / 0.5 mm
2
brbk / 0.25 mm
2
brbk / 1.0 mm
2
brbk / 1.0 mm
2
Backplane dp1-axis 2 A25
Backplane z-axis 2 A26
From connector
X3-1
X4-1
From connector
MB3
Meas. socket MB3
X14-1From connector
Star point 003
7L+
gy / 0.25 mm
2
gy / 1.0 mm
2
gy / 1.0 mm
2
gy / 1.0 mm
2
From connector X4-4
X14-6
To connector
MB4
Meas. socket MB4
X11g-2Anti-crash board A15
Star point 004
+24V
X80Fan unit terminal
blbk / 0.5 mm
2
blbk / 0.25 mm
2
blbk / 0.25 mm
2
blbk / 1.0 mm
2
blbk / 1.0 mm
2
Meas. socket MB5
X3-4From connector
Star point 005
+12V
MB5
yebk / 1.0 mm
2
yebk / 0.25 mm
2
From connector X4-3
X14-4
To connector
MB6
Meas. socket MB6
X11g-4Anti-crash board A15
Star point 006
+5V
gybk / 0.5 mm
2
gybk / 0.25 mm
2
gybk / 1.0 mm
2
gybk / 1.0 mm
2
Star point 007
1L-
Fan unit terminal
To terminal panel X207-19
X3-6
X4-5From connector
X4-6
wh / 0.5 mm
2
X80
Anti-crash board A15 X11g-3
wh / 0.25 mm
2
wh / 1.0 mm
2
wh / 1.0 mm
2
wh / 1.0 mm
2
wh / 0.25 mm
2
X14-5
MB7
To connector
From connector
Meas. socket MB7
X14-2
Power unit A17 X12-16
To connector
wh / 1.0 mm
2
wh / 1.0 mm
2
wh / 1.0 mm
2
Power unit A17 X12-30
X4vf-3Backplane dp1-axis 1 A20
wh / 0.5 mm
2
wh / 0.5 mm
2
wh / 0.5 mm
2
X4vd-3
X4vc-3
Backplane z-axis 1 A21
Backplane star 1 A22
X4vr-3Backplane dp1-axis 2 A25
wh / 0.5 mm
2
wh / 0.5 mm
2
wh / 0.5 mm
2
X4vp-3
X4vo-3
Backplane z-axis 2 A26
Backplane star 2 A27
wh / 1.0 mm
2
wh / 1.0 mm
2
From connector X3-5
To connector
X7vn-2
X7va-2Backplane X-axis 1 A18
wh / 1.5 mm
2
X7vb-2
X13-a2
Backplane Y-axis 1 A19
Ballast circuit A16
wh / 1.0 mm
2
bk / 10 mm
2
X7vm-2
X14-8To connector
Backplane X-axis 2 A23
Backplane Y-axis 2 A24
wh / 1.5 mm
2
wh / 1.5 mm
2
wh / 1.5 mm
2
wh / 1.5 mm
2
( 00324359-xx )
wh / 0.5 mm
2
wh / 0.5 mm
2
Backplane tacho, gantry A29
Backplane tacho, gantry A30
X6ve-2
X6vs-2
4

3 - 13
00354476-010301LD3 Servo unit, S-27 HM, basic module, wiring (sh. 5 of 5)
5
SIEMENS AG
PLEA1 E
Status Modified Date Name Standard Orig. Repl.f. Repl. by
Document status
Product status
Function status Date
Author
Check.
Sheet
Sh.
W
e
i
t
e
r
g
a
b
e
s
o
w
i
e
V
e
r
v
i
e
l
f
ä
l
t
i
g
u
n
g
d
i
e
s
e
r
U
n
t
e
r
l
a
g
e
,
V
e
r
-
w
e
r
t
u
n
g
u
n
d
M
i
t
t
e
i
l
u
n
g
i
h
r
e
s
I
n
h
a
l
t
s
n
i
c
h
t
g
e
s
t
a
t
t
e
t
,
s
o
w
e
i
t
n
i
c
h
t
a
u
s
d
r
ü
c
k
l
i
c
h
z
u
g
e
s
t
a
n
d
e
n
.
Z
u
w
i
d
e
r
h
a
n
d
l
u
n
g
e
n
v
e
r
-
p
f
l
i
c
h
t
e
n
z
u
S
c
h
a
d
e
n
e
r
s
a
t
z
.
A
l
l
e
R
e
c
h
t
e
v
o
r
b
e
h
a
l
t
e
n
,
i
n
s
b
e
s
o
n
d
e
r
e
f
ü
r
d
e
n
F
a
l
l
d
e
r
P
a
t
e
n
t
e
r
t
e
i
l
u
n
g
o
d
e
r
G
M
-
E
i
n
t
r
a
g
u
n
g
P
r
o
p
r
i
e
t
a
r
y
d
a
t
e
,
c
o
m
p
a
n
y
c
o
n
f
i
d
e
n
t
i
a
l
.
A
l
l
r
i
g
h
t
s
r
e
s
e
r
v
d
.
C
o
n
f
i
e
a
t
i
t
r
e
d
e
s
e
c
r
e
t
d
´
e
n
t
r
e
p
r
i
s
e
.
T
o
u
s
d
r
o
i
t
s
r
e
s
e
r
v
e
s
.
C
o
m
u
n
i
c
a
d
o
c
o
m
o
s
e
g
r
e
d
o
e
m
p
r
e
s
a
r
i
a
l
.
R
e
s
e
r
v
a
d
o
s
t
o
d
o
s
o
s
d
i
r
e
i
l
o
s
.
C
o
n
f
i
a
d
o
c
o
m
o
s
e
c
r
e
t
e
i
n
d
u
s
t
r
i
a
l
.
N
o
s
r
e
s
e
r
v
a
m
o
s
t
o
d
o
s
l
o
s
d
e
r
e
c
h
o
s
.
SIPLACE S27 HM SMD Placement System
Servo unit, basic module, wiring
A
B
C
D
E
F
1 2 3 4 5 6 7 8
1
2 3 4 5 6 7 8
A
B
C
D
E
F
3.
1.
1.
25.05.2000
17.07.2001
25.05.2000
Tuth
Tuth
Tuth 17.07.2001
Tuth
00354476-010301LD3
Star point 008
X14-7
pk / 1.0 mm
2
2L+
To connector
Meas. socket
From connector
MB8
X2-6
pk / 1.0 mm
2
pk / 1.0 mm
2
Star point 009
X7va-1
vio / 1.5 mm
2
1L+ / 5L+
Backplane X-axis 1 A18
X7vm-1
X7vb-1
X7vn-1
vio / 1.5 mm
2
vio / 1.5 mm
2
vio / 1.5 mm
2
Backplane X-axis 2 A23
Backplane Y-axis 1 A19
Backplane Y-axis 2 A24
X13-c2
vio / 1.0 mm
2
vio / 1.5 mm
2
vio / 1.5 mm
2
Ballast circuit A16
From connector
MB9
vio / 0.25 mm
2
Measurement socket MB9
X2-1
vio / 1.5 mm
2
X2-2
vio / 1.5 mm
2
X2-3
X2-4
X2-5
vio / 1.5 mm
2
From connector
From connector
From connector
From connector
X7va-3
pkbk / 0.25 mm
2
Backplane X-axis 1 A18
Antic-crash board
Pin 4
X7vm-3
X7vn-3
X4vf-1
X4vd-1
X4vc-1
To connector
Backplane dp1-axis 1 A20
Backplane z-axis 1 A21
X7vb-3
X11g-1
X14-3
Backplane Y-axis 1 A19
pkbk / 0.25 mm
2
pkbk / 0.25 mm
2
pkbk / 0.25 mm
2
Backplane - star 1 A22
Backplane X-axis 2 A23
Backplane Y-axis 2 A24
pkbk / 0.25 mm
2
pkbk / 0.25 mm
2
pkbk / 0.25 mm
2
pkbk / 0.25 mm
2
X4vr-1
X4vp-1
X4vo-1
Backplane dp1-axis 2 A25
Backplane z-axis 2 A26
Backplane - star 2 A27
pkbk / 0.25 mm
2
pkbk / 0.25 mm
2
pkbk / 0.25 mm
2
pkbk / 0.25 mm
2
Power supply unit A17 (X12)
+15V
Pin 6
Pin 8
Pin 10
X7va-4Backplane X-axis 1 A18
Anti-crash board A15
Pin 18
X7vm-4
X7vn-4
X4vf-2
X4vd-2
X4vc-2
Backplane dp1-axis 1 A20
Backplane z-axis 1 A21
X7vb-4
X11g-5
Backplane Y-axis 1 A19
Backplane - star 1 A22
Backplane X-axis 2 A23
Backplane Y-axis 2 A24
X4vr-2
X4vp-2
X4vo-2
Backplane dp1-axis 2 A25
Backplane z-axis 2 A26
Backplane - star 2 A27
Power supply unit A17 (X12)
-15V
Pin 20
Pin 22
Pin 24
pkgy / 0.25 mm
2
pkgy / 0.25 mm
2
pkgy / 0.25 mm
2
pkgy / 0.25 mm
2
pkgy / 0.25 mm
2
pkgy / 0.25 mm
2
pkgy / 0.25 mm
2
pkgy / 0.25 mm
2
pkgy / 0.25 mm
2
pkgy / 0.25 mm
2
pkgy / 0.25 mm
2
Cable 00321582-xx ( in cable set )
Front plate
pkgy / 0.25 mm
2
pkgy / 0.25 mm
2
X6ve-3
X6ve-3
Backplane tacho analysis A29
Backplane tacho analysis A30
pkbk / 0.25 mm
2
X6ve-1
X6vs-1
Backplane Tacho analysis A29
Backplane Tacho analysis A30
pkbk / 0.25 mm
2
5
Side panel
Side panel
right-hand side
left-hand side
gn/ye 2.5mm²
gn/ye 2.5mm²

3 - 14
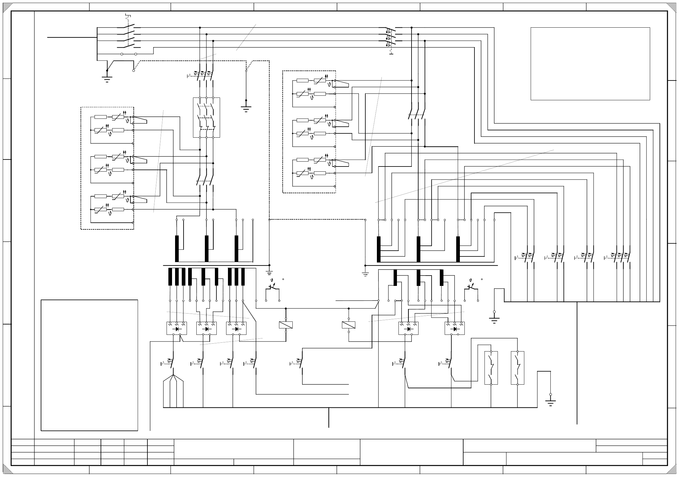
00356395-040201LD3 Power supply, circuit diagram, option for Japan
approx. up to serial no. 259 (sh. 1 of 2)
1.
4.
21.08.2001
26.06.2001
Tuth
Tuth 26.06.2001
Tuth
Siplace S27 HM SMD Placement SystemPower supply circuit diagram
Option for Japan
approx. up to serial no. 259
00356395-040201LD3
08.02.2001 Tuth
2.
SIEMENS
L&A EA
Status Modified Date Name Standard Orig. Repl.f. Repl. by
Document status
Product status
Function status Date
Author
Check.
Sheet
Sh.
W
e
i
t
e
r
g
a
b
e
s
o
w
i
e
V
e
r
v
i
e
l
f
ä
l
t
i
g
u
n
g
d
i
e
s
e
r
U
n
t
e
r
l
a
g
e
,
V
e
r
-
w
e
r
t
u
n
g
u
n
d
M
i
t
t
e
i
l
u
n
g
i
h
r
e
s
I
n
h
a
l
t
s
n
i
c
h
t
g
e
s
t
a
t
t
e
t
,
s
o
w
e
i
t
n
i
c
h
t
a
u
s
d
r
ü
c
k
l
i
c
h
z
u
g
e
s
t
a
n
d
e
n
.
Z
u
w
i
d
e
r
h
a
n
d
l
u
n
g
e
n
v
e
r
-
p
f
l
i
c
h
t
e
n
z
u
S
c
h
a
d
e
n
e
r
s
a
t
z
.
A
l
l
e
R
e
c
h
t
e
v
o
r
b
e
h
a
l
t
e
n
,
i
n
s
b
e
s
o
n
d
e
r
e
f
ü
r
d
e
n
F
a
l
l
d
e
r
P
a
t
e
n
t
e
r
t
e
i
l
u
n
g
o
d
e
r
G
M
-
E
i
n
t
r
a
g
u
n
g
P
r
o
p
r
i
e
t
a
r
y
d
a
t
e
,
c
o
m
p
a
n
y
c
o
n
f
i
d
e
n
t
i
a
l
.
A
l
l
r
i
g
h
t
s
r
e
s
e
r
v
d
.
C
o
n
f
i
e
a
t
i
t
r
e
d
e
s
e
c
r
e
t
d
´
e
n
t
r
e
p
r
i
s
e
.
T
o
u
s
d
r
o
i
t
s
r
e
s
e
r
v
e
s
.
C
o
m
u
n
i
c
a
d
o
c
o
m
o
s
e
g
r
e
d
o
e
m
p
r
e
s
a
r
i
a
l
.
R
e
s
e
r
v
a
d
o
s
t
o
d
o
s
o
s
d
i
r
e
i
l
o
s
.
C
o
n
f
i
a
d
o
c
o
m
o
s
e
c
r
e
t
e
i
n
d
u
s
t
r
i
a
l
.
N
o
s
r
e
s
e
r
v
a
m
o
s
t
o
d
o
s
l
o
s
d
e
r
e
c
h
o
s
.
A
B
C
D
E
F
1 2 3 4 5 6 7 8
1
2 3 4 5 6 7 8
A
B
C
D
E
F
1
2
1
2
K4
3
4
5
6
150VDC
G
N
D
13 23 33
14 24 34
K1
11
12
13
14
21
22
23
24
31
32
33
34
56R 25R
25R 56R
56R 25R
25R 56R
56R 25R
25R 56R
1
2
K5
3
4
5
6
11
12
13
14
21
22
23
24
31
32
33
34
56R 25R
25R 56R
56R 25R
25R 56R
56R 25R
25R 56R
(800VA) (500VA)
+-
A1(+)
A2(-)
A1(+)
A2(-)
K5
1
1
L
+
(
b
k
)
2
1
L
+
(
b
k
)
1
1
1
L
+
(
b
k
)
4
1
L
+
(
b
k
)
3
2
L
+
(
b
k
)
400
1
U
1
1
U
5
1
U
6
2
N
1
U
4
1
U
3
1
V
1
1
V
4
1
V
5
1
V
4
1
V
3
1
W
1
1
W
5
1
W
6
1
W
4
1
W
3
1
N
X
2
0
0
:
P
E
230 204 150 400 230 204 400 230 204 150
0
0
2
W
1
2
W
4
1542
3x =130
1
2
48
2
W
3
2
V
1
2
V
4
154248
2
V
3
2
U
3
2
U
4
154248
2
U
3
2
U
1
1
U
1
1
U
3
2
U
1
2
V
1
2
W
1
4
N
X
2
0
0
:
P
E
400 204
1
V
1
1
V
3
400 204
1
W
1
1
W
3
400 204
1
N
105 105 105
3
V
1
3
V
3
3
W
1
68 48 68
4
U
1
4
V
1
4
W
1
42 42 42 0
6x =130
1
2
0
3
W
3
48
3
U
1
3
U
3
68 48
+-+-+-+-
K4
5
3
L
+
(
b
k
)
b
k
1
L
-
0
0
3
2
4
3
5
8
-
x
x
70/100VDC 24VDC
1
0
m
m
²
External emerg.-stop 24VAC.
To sheet 2
Internal emerg.-stop 24VAC.
To sheet 2
b
k
b
k
AWG12
AWG14
AWG14
bk
b
k
bk 0.75mm²
AWG14
9
6
L
+
(
b
k
)
8
2
L
-
(
b
k
)
7
5
L
+
(
b
k
)
6
4
L
+
(
b
k
)
1
0
7
L
+
(
b
k
)
AWG16 bk
A1
6A
1
2
F11
3
4
6A
1
2
F12
3
4
6A
1
2
F13
3
4
10A
1
2
F3
3
4
5
6
16A
1
2
F2
3
4
5
6
6A
1
2
F8
10A
1
2
F9
6A
1
2
F10
6A
1
2
F5
6A
1
2
F6
6A
1
2
F7
20A
1
2
F4
Power supply base
2
1
3
gegn
Inrush current limiter
1
2
3
4
5
6
7
8
9
AWG16
bk
1
2
3
4
5
6
7
8
9
AWG16
bk
T2
V1 V2 V3 V4 V5
T1
A2
Inrush current limiter
13
14
K2
23
24
K2
00356733-xx
zum Klemmenfeld
0
0
3
5
6
5
4
0
-
x
x
To terminal panel
Warning!
If the machine is operated with 208/120V (USA)
or 200/115V (Japan) make sure to:
1.) connect the inrush current limiters A1 and A2
in parallel.
(i.e. disconnect wire 3 from 13 and connect to 14,
disconnect wire 2 from 12 and connect to 13. For the
other phases, apply this system as appropriate .)
2.) disconnect the infeed (*) for transformers T1 and T2
from the 400V terminal and connect it to the 204 V
terminal.
Link voltage
Lifting table/Star Tape cutter
GND 30/34VDC
dp/Z-axes
12VDC
Star, slow motion
30/34VDC
Width adjustment
12VDC
Spare
Power supply
for control unit.
Station
computer
(500VA)
Component
tables
(1200VA)
WPC
00356539-xx
AWG14 bk
1
y
e
g
n
2
3
4
5
6
7
8
9
To sheet 2 K2:A2
Ground bolt
X200:PE
1
0
AWG14 bk
Front cover
0
0
3
5
9
8
2
2
-
x
x
X200:PE
X
2
0
0
:
P
E
y
e
g
n
X
2
0
0
:
P
E
T1L1
Q1
T2L2
T3
L3
N´
N
N
N
4
16 A
56
F1
34
12
12
11
13
14
1
1
1
2
1
3
1
4
Wiring note !
Make sure that the leads to the inrush
current limiters A1 and A2 are long enough
and run them in a way that they can easily be
reconnected.
(
1
)
(
2
)
(
3
)
Component
tables
WPC
(
1
)
(
2
)
(
3
)
(
4
)
(
5
)
(
6
)
Warning!
When operating the machine with a modular
PCB conveyor:
- reconnect the conductors (4), (5), and (6)
of transformer T1 in the following way:
wire (4) from terminal 2U3 to terminal 2U1
wire (5) from terminal 2V3 to terminal 2V1
wire (6) from terminal 2W3 to terminal 2W1
This ensures, that a voltage (6L+) of
34VDC is available at F9.
-reconnect the conductors (4), (5), and (6)
for transformer T2 in the following way:
Wire (4) from terminal 3U3 to terminal 3U1
wire (5) from terminal 3V3 to terminal 3V1
wire (6) from terminal 3W3 to terminal 3W1
This ensures the a voltage (2L+) of
100VDC is available at F5.
(
4
)
(
5
)
(
6
)