S27HM Circuit Diagrams - 第186页
6 - 5 0032990 6-010 101EX 3 Pneumati c symb ols 1 5/2-w ay sole noid valve without manu al ov erride 8 Shee t Sh. 1 234 7 6 5 F E D C A B F E D C A B 1 234 8 7 6 5 L&A EA SIE MEN S FS ES US UA S F 1 00329906-010101EX…

6 - 4
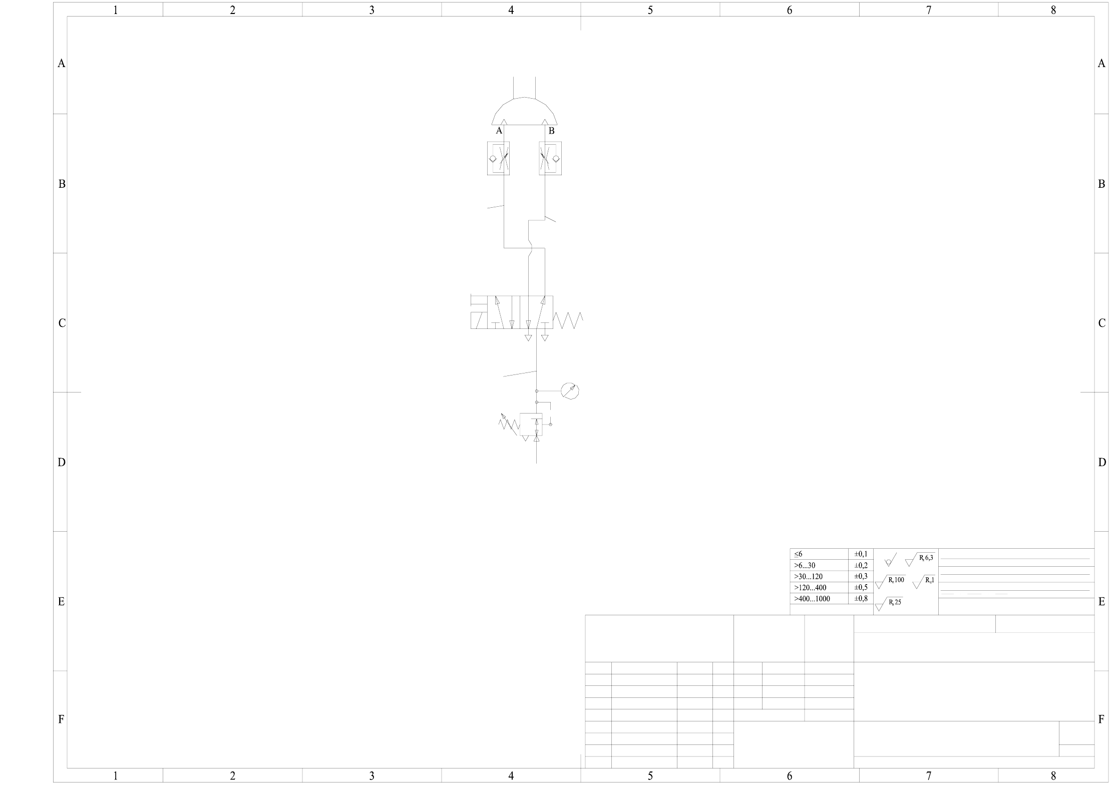
00353744-030101XD3 Pneumatic diagram, nozzle changer CP12, S27
3 (R1)
1 (P)
(A) 4
2 (B)
(R1) 5
TU0425BU
105mm
TU0425BU
145mm
1,8 bar
TU0425BU
110mm
A3
1
L&A EA
SIEMENS AG
Format
Name
Copying of this document, and giving it to others and the use
or communication of the contents thereof, are forbidden with-
out express authority. Offenders are liable to the payment of
damages. All rights are reserved in the event of the grant of
a patent or the registration of a utility model or design.
Weitergabe sowie VervielfÌltigung dieser Unterlage, Verwer-
tung und Mitteilung ihres Inhalts nicht gestattet, soweit nicht
ausdrÏcklich zugestanden. Zuwiderhandlungen verpflichten zu
Schadenersatz. Alle Rechte fÏr den Fall der Patenterteilung
oder GM-Eintragung vorbehalten.
Name
F
1
00353744-030101XD3
1:1
20.03.03
Frank
Pressure regulator with
pressure gage
Flow control valves
5/2-way valve
Swivel drive
SIPLACE air service unit
Connect
Dimensional variations
Degree of accuracy
as per ISO 2768 mH
medium
Dimens. variations
Scale
(Material, semi-fin. products)
(Unmachined part no.)
(Model or swage no.)
Pneumatic diagram
Nozzle changer CP12 S27
(Drawing number)
Main no. FS PS DS DT L
Sheet
Sh.
Status Modified Date
Date
Author
Check.
Stand.
DS 01 new 20.03.03 Frank
Surface:
HRc hardened
Case hardened
Depth:0.3/
Comprising
coordinates list:

6 - 5
00329906-010101EX3 Pneumatic symbols
1
5/2-way solenoid valve without manual override
8
Sheet
Sh.
1234 765
F
E
D
C
A
B
F
E
D
C
A
B
1234 8765
L&A EA
SIEMENS
FS ES US UA S F
1
00329906-010101EX3
Pneumatic symbols
01.07.2001
Hi
Hi
01.07.01
Name
Status
Date
DS 01
new
Modified
Name
Date
Stand.
Author
Check.
Main no.
(Drawing number)
with pneumatic spring return
with mechanical spring return
5/2-way solenoid valve with manual override
3/2-way solenoid valve without manual override
with mechanical spring return
2/2-way solenoid valve with manual override
with mechanical spring return
3/2-way valve, manually operated
by push-button
3/2-way valve, manually operated
Electrical switch
with mechanical spring return
Flow control valve, adjustable
Flow control valve
Flow control valve with flow adjustable in one direction
Quick acting coupling uncoupled,
Pressure source
Filter with water separator
Pressure gauge
closed by non-return valve
Shut-off valve
Plug Regulator with exhaust
Pressure / voltage converter
Analog / digital converter
Silencer
Air reservoir
Double acting cylinder
with manual draining
53
24
1
1
53
42
A
RP
ab
A2
R3 P1
b
a
S-27 HM
SIPLACE S-27 HM Detailed Circuit Diagrams Folder
05/2005 US Edition
7 - i
7Options
00347474-020101LD3 PCB barcode reader on top/bottom, S-27 HM 7 - 1
00343635-010101LD4 Distribution board, PCB barcode 7 - 2
00343635-010101ND4 PCB 866, S-27 HM, distributor - PCB barcode 7 - 2
00345332-010101LD4 Cable: PCB barcode power supply 7 - 3
00345333-010101LD4 Cable: PCB barcode - MC - distribution board 7 - 4
00116171-020101LD4 Oblique lighting illumination, camera on the gantry underside 7 - 5
00118525-010101LD3 Siplace coding swith, PCB alignment 7 - 6
00118527-010101LD3 Coding switch, long board 7 - 7
00118570-010101LD3 Ceramic substrate centering, overview, dual conveyor 7 - 8
00118571-010101LD3 Ceramic substrate centering, overview, single conveyor 7 - 9