JUKI_RX-6 - 第163页
维修调整要领书 12 -9 图 12-2-1-1-1O EU WIRING DIAGRAM [ST] (3/3)

维修调整要领书
12-8
图 12-2-1-1-9 EU WIRING DIAGRAM [ST] (2/3)

维修调整要领书
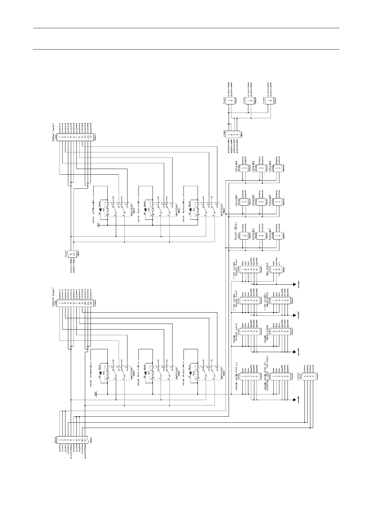
12-9
图 12-2-1-1-1O EU WIRING DIAGRAM [ST] (3/3)

维修调整要领书
12-10
图 12-2-1-1-11 POWER PCB CIRCUIT DIAGRAM (1/2)