JUKI_RX-6 - 第327页
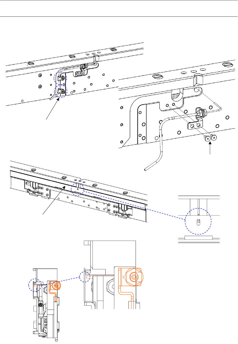
维修调整要领书 17 - 25 17 -7- 3 停止 传感器 的更 换 1) 打开传感器放大器保 护罩,扳起 位于光 纤插入口附近的手 柄,拔出光纤。 2) 卸下停止传感器 护盖(仅第 2 轨道 、第 4 轨道实 施)。 3) 卸下停止传感器 。 4) 从停止传 感器托架上卸 下 传感器。 5) 更换 停止 传感器。 6) 用附件中的套筒 弯曲机将新的停止传 感器的前端按下 图 所示 弯曲。 ※ 请 使用 R5 的位置弯曲成 90 度…

维修调整要领书
17-24
M/C Rev.K 以前、M/C Rev.L 以降
停车传感器。
(FC/RC)
(40181870)
1) 使传送装置的进深(基板宽度)为最大。
2) 按下 L/D 按钮,将 [L/D 显示灯] 设置为 。
3) 按下[MODE 按钮]3 秒钟以上,设置为 ,按下[UP/DOWN 按钮],
设置为 。
4) 按下[MODE 按钮],设置为 ,按下[UP/DOWN 按钮],设置为 。
※数值与实时值不同。.
5) 按下[MODE 按钮],设置为 ,按下[UP/DOWN 按钮],设置为 。
确认[DPC 显示灯]亮灯。
6) 按下几次[MODE 按钮] ,设置为 ,按下[UP/DONW 按钮],设置为 。
接着按下[MODE 按钮],用[UP/DOWN 按钮]将值设置为「
-80P」。
※请在[OUT1 选择显示灯]亮灯的状态下实施。
7) 按下几次[MODE 按钮] ,设置为 ,按下[UP/DONW 按钮],设置为 。
8) 按下几次[MODE 按钮] ,设置为 ,按下[UP/DONW 按钮],设置为 。
9) 按下几次[MODE 按钮] ,设置为 ,按下[UP/DONW 按钮],设置为 。
10) 按下[MODE 按钮] 3 秒钟以上,显示“|||||||| ||||||||”。
11) 按下[S.TUNE 按钮] 1 秒钟以上,确认[ST 显示灯]亮灯。

维修调整要领书
17-25
17-7-3
停止传感器的更换
1) 打开传感器放大器保护罩,扳起位于光纤插入口附近的手柄,拔出光纤。
2) 卸下停止传感器护盖(仅第 2 轨道、第 4 轨道实施)。
3) 卸下停止传感器。
4) 从停止传感器托架上卸下传感器。
5) 更换停止传感器。
6) 用附件中的套筒弯曲机将新的停止传感器的前端按下图所示弯曲。
※ 请使用 R5 的位置弯曲成 90 度。
7) 安装时请按相反的操作顺序进行。
※ 第 1 轨道、第 3 轨道的停止传感器要装配在这样的位置上:在传感器前端与夹紧板之间有空隙,
并且在降下夹紧板的状态下,传感器前端位于长孔内。
※ 第 2 轨道、第 4 轨道的停止传感器要安装得与保持板上面接触,接触程度以传感器前端不受到
负载为宜。同时,停止传感器护盖要安装在护罩端面不从保持板端面突出的位置。并且,请确
认传感器前端没有从护罩突出。
停止传感器(HD001070030)
15mm
17mm
R5
关于套筒弯曲机(E39-F11)
・ 不锈钢管子的弯曲半径要尽量取得大一些。如弯曲半径做
得小,检测距离将变短。
・ 请将不锈钢管子的前端插
入套筒弯曲机的槽内,沿
着角部的曲率缓缓弯曲。
Φ1.2mm 以下
Φ1.3mm 以上
光纤前端
位置标记
不锈钢管子
停止传感器托架

维修调整要领书
17-26
<第 1 轨道/第 3 轨道>
在下降夹紧板的状态下
传感器前端要位于长孔内
夹紧板
固定底座
埋头螺钉 M3X0.5 L=8(SM1030801SC)
极低头螺栓 M3 L=5
(EZ328248101)
要有空隙