JUKI_RX-6 - 第55页
维修调整要领书 2- 21 2-2 - 7 θ原点传感器的更换 2-2 -7- 1 光纤传感器的更换 1 ) 实施第 2-1-1 项的 1 )~ 6 ),将驱动器箱抬起到上部并固定。 2 ) 抬起传感器放大器保护盖,竖起位于光纤插入部附近的手柄,将光纤连接器从放大器中拔出。 3 ) 拆下固定在 TM 电缆撑架上的θ电动机电缆以及连接贴装头提升气缸的φ 4 空气管子 ( Y 联管节部) 后,拆下 TM 电缆撑架。 4 ) 将光纤传感器从 …

维修调整要领书
2-20
2-2-6
Z 滑动轴的更换
当更换了 Z 滑动轴时,需要重新输入 Z 轴高度有关、激光有关的 MS 参数。(输入项目请参照第 2-4
项【更换贴装头后的从新调整】。)
1) 实施第 2-1-1 项的 1)~6),将驱动器箱抬起到上部并固定。
2) 拆下联轴节下侧的止动螺丝。
3) 从 Z 滑动轴托架向下拔出 Z 滑动轴。
4) 组装请按相反的步骤进行。
※ 联轴节要一面推入一面固定,并确认 Z 滑动轴没有上下的松动。
※ 在固定联轴节的止动螺钉时,使 Z 滑动轴的平部与联轴节止动螺钉的朝向一致。
止动螺钉请以安装扭矩 0.5N・m 进行固定。
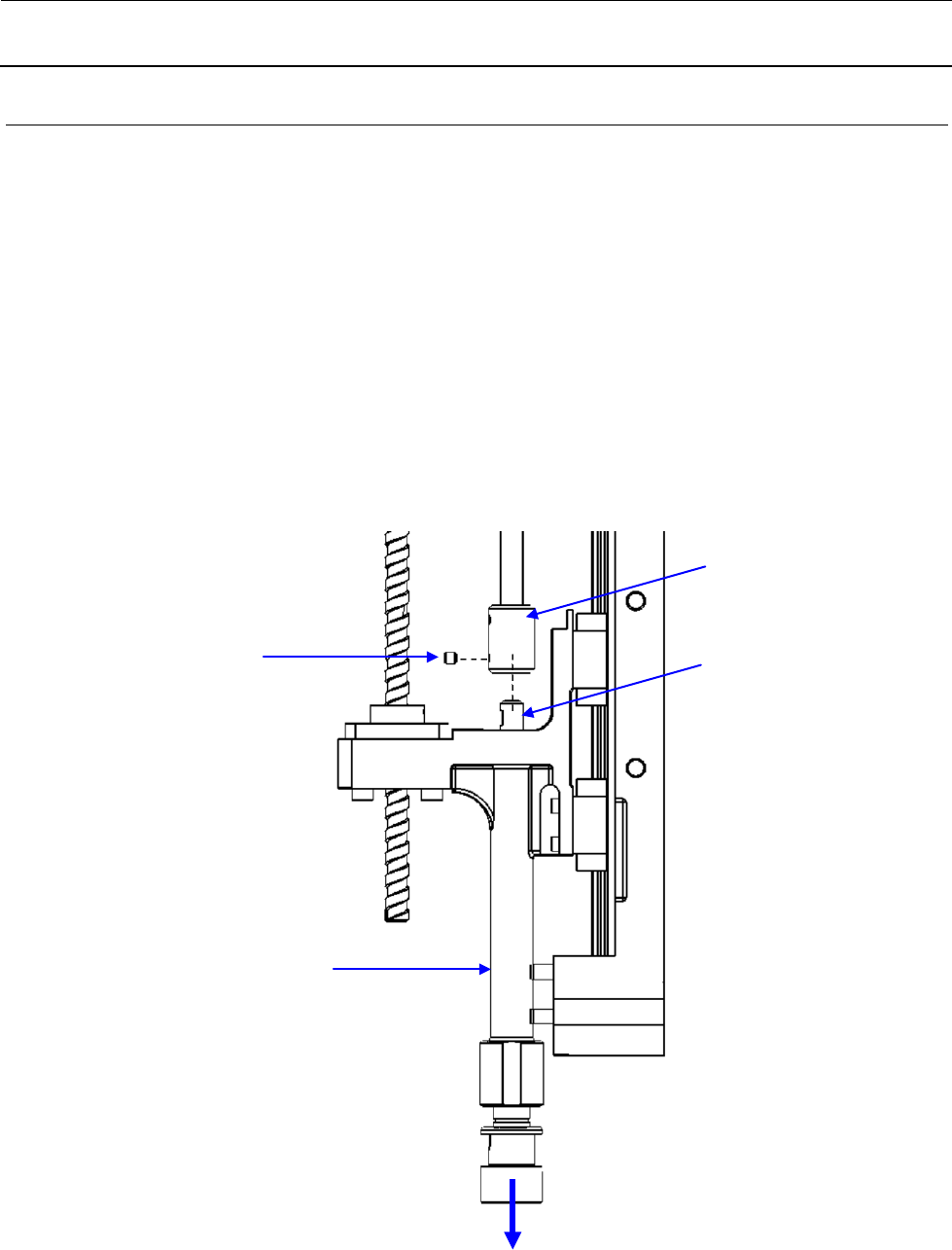
Z 滑动轴托架
Z 滑动轴
联轴节
止动螺钉 M3 L=3

维修调整要领书
2-21
2-2-7
θ原点传感器的更换
2-2-7-1
光纤传感器的更换
1) 实施第 2-1-1 项的 1)~6),将驱动器箱抬起到上部并固定。
2) 抬起传感器放大器保护盖,竖起位于光纤插入部附近的手柄,将光纤连接器从放大器中拔出。
3) 拆下固定在 TM 电缆撑架上的θ电动机电缆以及连接贴装头提升气缸的φ4 空气管子(Y 联管节部)
后,拆下 TM 电缆撑架。
4) 将光纤传感器从 TM 电缆撑架上拆下。
5) 组装请按相反的步骤进行。
※ 光纤连接器请插入到传感器放大器深处。
※ 装配时请不要搞错投光侧和受光侧(安装图请参照第 2-2-7-2 项)。
※ 光纤请用附属的刀具切断前端,调节长度。
※ φ4 空气管子的配管请参照第 2-2-2-2 项【θ电动机的更换】之配管图。
6) 安装后,请旋转 Z 轴,确认已检知皮带原点(印刷字)。
带垫片内六角螺栓 M4 L=8
TM 电缆撑架
光纤传感器(HD002850040)
埋头螺丝 M2 L=5

维修调整要领书
2-22
2-2-7-2
传感器放大器的更换
1) 抬起传感器放大器保护盖,竖起位于光纤插入部附近的手柄,将光纤连接器从放大器中拔出。
2) 拆下传感器放大器两侧的固定连接器。
3) 将传感器放大器向下按入,在此状态下将光纤插入侧抬起拆下。(下图,拆卸放大器①②)
4) 组装请按相反的步骤进行。
※ 光纤连接器请插入到传感器放大器深处。
※ 组装时请不要搞错投光侧和受光侧。
5) 更换后,请进行传感器阈值的设置。
锁定状态
解除锁定状态
保护盖
光纤连接器
投光
受光
T 传感器放大器(40133005、40181869)
固定连接器
拆卸放大器①
拆卸放大器②