N7201A705C - 第84页
EJM9DC-MB-02C-00 NPM-W X/WXS 贴装 确认、修改生产数据。 图案 各部位 名称 菜单构成 3 2-2-2 2-2-2 -5 吸嘴存储器 显示吸嘴交换器的吸嘴信息。 软件开关 ★带有标记的图标或按钮,是在搭载 了该选购件时才显示。 ★托盘 设定托板的状态。 输入、修改元件形状的数据。 供料器 基板 生产数据 菜单 修改 确认、修改基板数据。 确认、修改基板弯曲数据。 确认、修改基板识别数据。 ★确认、修改支撑销 …

EJM9DC-MB-02C-00
NPM-WX/WXS
2-2-2-4
★托盘
更换消磨零件
定期检查
确认各周期的检查项目和操作履历。
显示消磨零件的更换信息。
维护菜单
XY单元
进行XY单元的维护作业。
贴装头
进行贴装头的维护作业。
维护作业
进行基板传送的维护作业。
传送带
精度验证
显示精度验证结果。
精度验证结果
生成数据
生成精度验证数据。
进行托盘供料器的维护动作。
(在搭载托盘供料器时显示 )
★带有标记的图标或按钮,是在搭载了该选购件时才显示。

EJM9DC-MB-02C-00
NPM-WX/WXS
贴装
确认、修改生产数据。
图案
各部位
名称
菜单构成 3
2-2-2
2-2-2-5
吸嘴存储器
显示吸嘴交换器的吸嘴信息。
软件开关
★带有标记的图标或按钮,是在搭载了该选购件时才显示。
★托盘
设定托板的状态。
输入、修改元件形状的数据。
供料器
基板
生产数据
菜单
修改
确认、修改基板数据。
确认、修改基板弯曲数据。
确认、修改基板识别数据。
★确认、修改支撑销(自动更换用)的
数据。
设定供料器的状态。
输入、修改元件形状的数据。
输入、修改贴装条件的数据。
确认、修改图案属性的数据。
确认、修改组属性的数据。
★确认转印条件。
确认设定运转条件的软件开关的设置
状态。
确认设备的通信开关的设定状态。
对工作台所使用的元件形状数据进行
确认。
对托盘尺寸及间距等的与托盘有关的
数据进行输入、修正。
工程师模式 3

EJM9DC-MB-02C-00
NPM-WX/WXS
2-2-2-6
★带有标记的图标或按钮,是在搭载了该选购件时才显示。
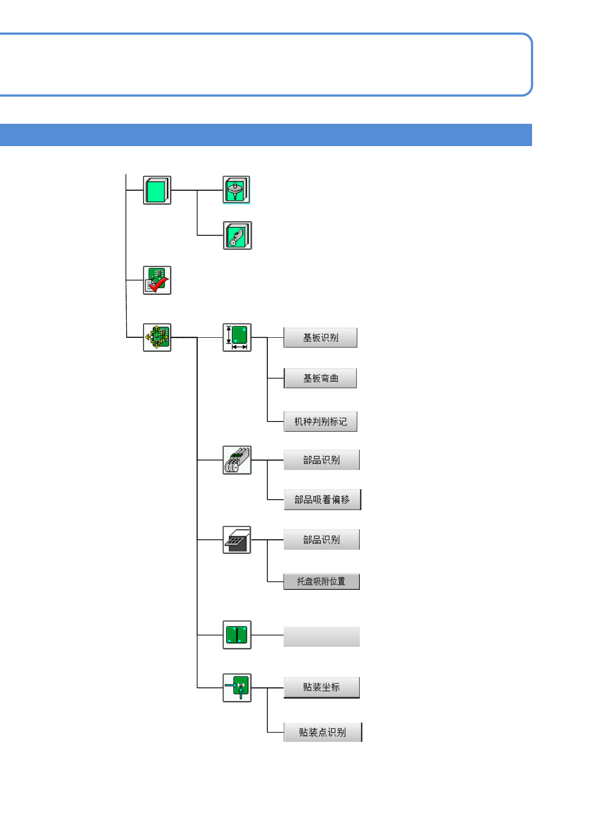
★托盘
元件吸着位置动作,设定托盘吸着位
置。
确认元件识别动作,修改元件数据。
程序库
显示可以搭载的供料器程序库的数据。
显示可以使用的吸嘴程序库的数据。
贴装吸嘴
供料器
确认数据
确认生产数据
示教
基板
供料器
确认基板识别动作,修改基板的识
别坐标。
确认机种判别标记识别动作。
★确认基板弯曲动作,并修改测量点
数据。
元件吸着位置动作,设定吸着偏移量。
确认元件识别动作,修改元件数据。
贴装
图案属性
确认基板的贴装状态,确认为了修改
贴装偏移的条件。
确认不良标记识别动作,修改不良标
记坐标。
以贴装点单位选择条件贴装时的贴装
对象。
不良标记