SM411_TechnicalReference(Eng_Ver6) - 第119页
Page SAMSUNG TECHWIN 109 SM411 E lectric Circuit Diagram (2/6) 2 2 4 4 6 6 1 1 3 3 5 5 1 1 4 4 5 5 6 6 2 2 3 3 2 2 1 1 2 2 6 6 4 4 3 3 2 2 1 1 1 1 3 3 5 5 4 4 4 4 3 3 2 2 4 4 1 1 3 3 6 6 5 5 2 2 1 1 4 4 3 3 (SM33_PW005) …

Page
SAMSUNG TECHWIN
108
SM411
Electric Circuit Diagram (1/6)
3311 22
44 55 66
(a)(a)
(a)(a)
(a)(a)
(b )(b)
(b )(b)
(b)(b)
G
RA
P
H
I
C
SY
M
B
OL
-EMS/W-EMS/W
-MC-MC
-R Y-RY
COIL PARTCOIL PART
SWITCHING PARTSWITCHING PART
RELAYRELAY
SWITCHING PARTSWITCHING PART
MAGNETIC CONTACTMAGNETIC CONTACT
MAGNET CONTACTMAGNET CONTACT
RELAYRELAY
COIL PARTCOIL PART
SWITCH LAMPSWITCH LAMP
3 PHASE MOTOR3 PHASE MOTOR
-M-M
LED TYPELED TYPE
SWITCHSWITCH
DOOR INTERLOCKDOOR INTERLOCK
SWITCHSWITCH
-DS/W-DS/W
-L AMP-LAMP
-N F-NF
ITE
M
-MCCB-MCCB
SY
M
B
OL
-C P-CP
-SC-SC
S Y M B O L L I S TS Y M B O L L I S T
G
RA
P
H
I
C
SY
M
B
OL
NOISE FILTERNOISE FILTER
POWER CONSENTPOWER CONSENT
CIRCUIT BREAKERCIRCUIT BREAKER
CIRCUIT PR O TE C T ORCIRCUIT PROTECTOR
EMERGENCYEMERGENCY
COOLING FANCOOLING FAN
SPARK KILLER (1PH)SPARK KILLER (1PH)
-F AN-FAN
-SK-SK
(USE FOR AC)(USE FOR AC)
TERMINAL BLOCKTERMINAL BLOCK
SPARK KILLER (3PH)SPARK KILLER (3PH)
-Z M-ZM
-TB-TB
G
RA
P
H
I
C
SY
M
B
OL
D
ES
CR
IPTIO
ND
ES
CR
IPTIO
N
SY
M
B
OL
ITE
M
D
ES
CR
IPTIO
N
-F U S E-FUSE
-SD-SD
FUSEFUSE
SERVO DRIVERSERVO DRIVER
CONTACTCONTACT
(THERMA L)(THERMAL)
FRAME EARTHFRAME EARTH
PEPE
(GENERAL)(GENERAL)
CONTACTCONTACT
(CIRCUIT BREAKER)(CIRCUIT BREAKER)
(CIRCUIT PROTECTOR)(CIRCUIT PROTECTOR)
CONTACTCONTACT
SY
M
B
OL
ITE
M
D
ES
CR
IPTIO
N
G
RA
P
H
I
C
SY
M
B
OL
SY
M
B
OL
ITE
M
Z2-AXIS DRIVERZ2-AXIS DRIVER
3~3~
MM
2222
1212
2121
1111
2222
1212
2121
1111
VVUU
ttrr
WW EE
L3L3L1L1L2L2

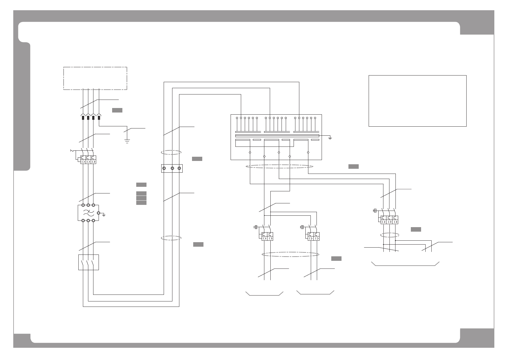
Page
SAMSUNG TECHWIN
109
SM411
Electric Circuit Diagram (2/6)
2
2
4
4
6
6
1
1
3
3
5
5
1
1
4
4
5
5
6
6
2
2
3
3
2
2
1
1
2
2
6
6
4
4
3
3
2
2
1
1
1
1
3
3
5
5
4
4
4
4
3
3
2
2
4
4
1
1
3
3
6
6
5
5
2
2
1
1
4
4
3
3
(SM33_PW005)
(SM33_PW005)
(SM33_PW004)
(SM33_PW004)
2.5 mm
2.5 mm
2.5 mm
2.5 mm
-MAIN S/W
-MAIN S/W
(600VAC,20A)
(600VAC,20A)
L32
L32
L33
L33
L31
L31
-N F 1
-NF1
(3
(3
Ø
Ø
, 20A)
, 20A)
L22
L22
L21
L21
L23
L23
2P-C16
2P-C16
-C P 1
-CP1
(SM33-PW003-1)
(SM33-PW003-1)
(SM33_PW002)
(SM33_PW002)
(SM33_PW001)
(SM33_PW001)
2.5 mm
2.5 mm
FACTORY MAIN POWER
FACTORY MAIN POWER
4.0 mm
4.0 mm
2.5 mm
2.5 mm
(3
(3
Ø
Ø
/PE 60HZ 200~415VAC)
/PE 60HZ 200~415VAC)
-MCCB1
-MCCB1
(3
(3
Ø
Ø
, 20A)
, 20A)
L13
L13
L12
L12
L11
L11
-MAIN CON.
-MAIN CON.
T
T
R
R
S
S
APPROX. 5KVA)
APPROX. 5KVA)
T
T
S
S
R
R
-E AR TH P L ATE
-EARTH PLATE
FRAME GROUND
FRAME GROUND
PE
PE
PE
PE
to TB1-1A,TB1-9A
to TB1-1A,TB1-9A
1L1
1L1
1L2
1L2
22S
22S
22R
22R
(SM33_PW008)
(SM33_PW008)
22T
22T
3P-C16
3P-C16
-C P 3
-CP3
TF 2 L 1
TF2L1
TF 2 L 2
TF2L2
TF 2 L 3
TF2L3
2.5 mm
2.5 mm
to MC1
to MC1
6.SECONDARY #1 : 1
6.SECONDARY #1 : 1
Ø
Ø
220(2KVA)
220(2KVA)
SECONDARY #2 : 3
SECONDARY #2 : 3
Ø
Ø
220(3KVA)
220(3KVA)
2.FREQUENCY : 50/60Hz
2.FREQUENCY : 50/60Hz
1.CAPACITY : 5KVA
1.CAPACITY : 5KVA
3.PHASE : 3
3.PHASE : 3
Ø
Ø
4. CONNEC TION: Y-Y
4. CONNECTION: Y-Y
<TRANS SPECIFICATION>
<TRANS SPECIFICATION>
5.PRIMARY : 3
5.PRIMARY : 3
Ø
Ø
200/208/220/240/ 380/415V, 5KVA
200/208/220/240/380/415V, 5KVA
(23860)
(23860)
(23880)
(23880)
FX, FX, RX, FY1, FY2, RY1, RY2, FS, RS, WD AXIS(SERVO)
FX, FX, RX, FY1, FY2, RY1, RY2, FS, RS, WD AXIS(SERVO)
(FZ1~FZ6, RZ1~RZ6 AXIS)
(FZ1~FZ6, RZ1~RZ6 AXIS)
t o TB 1 -2 1 A , TB 1 -2 6 A
to TB1-21A,TB1-26A
22R
22R
22T
22T
CONTROL RACK(PC+VME)
CONTROL RACK(PC+VME)
MONITOR1,2
MONITOR1,2
DC PO WER #1, #2(24VDC)
DC POWER #1,#2(24VDC)
AC FAN
AC FAN
-TB 2
-TB2
(SM33_PW030)
(SM33_PW030)
2.5 mm
2.5 mm
TF 1 L 1
TF1L1
4.0 mm
4.0 mm
TF 1 L 2
TF1L2
2.5 mm
2.5 mm
(SM33_PW006)
(SM33_PW006)
2L1
2L1
2L2
2L2
2.5 mm
2.5 mm
2.5 mm
2.5 mm
2.5 mm
2.5 mm
(SM33_PW007)
(SM33_PW007)
2P-C16
2P-C16
-C P 2
-CP2
(23860)
(23860)
2.5 mm
2.5 mm
2
2
2
2
PE01
PE01
2
2
2
2
2
2
2
2
2
2
2
2
2
2
2
2
2
2
2
2
2
2
240
240
-TRANS
-TRANS
220V
220V
208
208
200
200
220
220
L31
L31
220V
220V
220V
220V
0V
0V
220V
220V
200
200
220
220
415
415
380
380
200
200
208
208
380
380
240
240
415
415
L32
L32
415
415
208
208
220
220
380
380
240
240
L33
L33
PE02
PE02
(SM33-PW003-2)
(SM33-PW003-2)
(SM33-PW003-3)
(SM33-PW003-3)
(SM33-PW003-4)
(SM33-PW003-4)
(SM33-PW003-5)
(SM33-PW003-5)
^;5`
^434`
^;6`
^;7`
^;8`
^458`
^459`
^45:`
^497`
^498`

Page
SAMSUNG TECHWIN
110
SM411
Electric Circuit Diagram (3/6)
9A9A
9B9B
1A1A 1B1B
10A10A
2A2A 3A3A
AA
BB
11A11A 14B14B
6A6A4A4A
AA
BB
12B12B
AA
BB
13B13B
5A5A
BB
AA
7A7A
15B15B
AA
BB
16B16B
8A8A
11
33 44
22
TO REAR MONITOR TO REAR MONITOR
(PC+VME ASSY POWER)(PC+VME ASSY POWER)
TO CONTROL BOX TO CONTROL BOX
TO FRONT MONITORTO FRONT MONITOR
1L11L1 1L21L2
FROM CP1FROM CP1
1L21L2
1L11L1
1.5mm1.5mm
(RIGHT SIDE)(RIGHT SIDE)
-F AN 1-FAN1
-F AN 2-FAN2
1L11L1 1L2(F3)1L2(F3)
0.75mm0.75mm
1L11L1 1L21L2
POWER INLETPOWER INLET
1L11L1 1L21L2 1L11L1 1L21L2
-P S 1-PS1
1.5mm1.5mm
1L11L1 1L2(F1)1L2(F1)
1L21L21L11L1
-FUSE1 (AC250V,10A)-FUSE1 (AC250V,10A)
1.5mm1.5mm
TO SC-CN2TO SC-CN2
+24V+24V 24G24G +24VM+24VM 24G24G
1L11L1 1L2(F2)1L2(F2)
-FUSE2 (AC250V,10A)-FUSE2 (AC250V,10A)
1.5mm1.5mm
1L11L1 1L21L2
-P S 2-PS2
TO SC-CN1TO SC-CN1
-FUSE3 (AC 25 0V, 5A)-FUSE3 (AC250V,5A)
-F AN 3-FAN3
(LEFT SIDE)(LEFT SIDE)
-F AN 4-FAN4
1L11L1
1L11L1
1L2(F4)1L2(F4)
-FUSE4 (AC 25 0V, 5A)-FUSE4 (AC250V,5A)
1L21L2
0.75mm0.75mm
(SERVO DRIVER RACK)(SERVO DRIVER RACK)
-F AN 5-FAN5
-F AN 6-FAN6
1L2(F5)1L2(F5)
-FUSE5 (AC 25 0V, 5A)-FUSE5 (AC250V,5A)
1L21L2
0.75mm0.75mm
1L11L1
1L11L1
AC 2 20VAC220V
(
S
M
33_
PW
010
)(
S
M
33_
PW
010
)
(
S
M
33_
PW
011
)(
S
M
33_
PW
011
)
(
S
M
33_
PW
012
)(
S
M
33_
PW
012
)
(
S
M
33_
PW
013
)(
S
M
33_
PW
013
)
(GENERAL IO)(GENERAL IO)
(R-STEP/FEEDER PW)(R-STEP/FEEDER PW)
-N F 2-NF2
(1(1ØØ, 5A), 5A)
1L1N1L1N 1L2N1L2N
(SHUTTLE/CONVEYOR BELT 4AXIS)(SHUTTLE/CONVEYOR BELT 4AXIS)
(SHUTTLE MOVE/WIDTH 6AXIS)(SHUTTLE MOVE/WIDTH 6AXIS)
1.5mm1.5mm
1.5mm1.5mm
(
S
M
33_
PW
025
-
1
)(
S
M
33_
PW
025
-
1
)
(
S
M
33_
PW
025
-
2
)(
S
M
33_
PW
025
-
2
)
(
S
M
33_
PW
027
)(
S
M
33_
PW
027
)
(
S
M
33_
PW
014
)(
S
M
33_
PW
014
)
(
S
M
33_
PW
026
)(
S
M
33_
PW
026
)
PE04PE04
22
PE05PE05
22
PE03PE03
DC POWER(400W)DC POWER(400W)
(+)(+)
PE06PE06
(-)(-)
ACAC ININ
22
24VDC24VDC
22
DC POWER(400W)DC POWER(400W)
(-)(-)
24VDC24VDC
(+)(+)
ACAC ININ
22
PE07PE07
22 22
PE08PE08
22
22
[87]
[88] [89]
[90]
[98]
[99]
[100]
[166]