SM411_TechnicalReference(Eng_Ver6) - 第121页
Page SAMSUNG TECHWIN 111 SM411 E lectric Circuit Diagram (4/6) 3 3 4 4 19B 19B 20B 20 B 19A 19 A 20A 20 A 18B 18 B 18A 18 A 17A 17 A 17B 17 B 1, 2 1 ,2 3, 4 3,4 1, 2 1,2 3, 4 3 ,4 11L 1 11 L 1 11L 2 11 L 2 2L 2 2 L 2 FRO…

Page
SAMSUNG TECHWIN
110
SM411
Electric Circuit Diagram (3/6)
9A9A
9B9B
1A1A 1B1B
10A10A
2A2A 3A3A
AA
BB
11A11A 14B14B
6A6A4A4A
AA
BB
12B12B
AA
BB
13B13B
5A5A
BB
AA
7A7A
15B15B
AA
BB
16B16B
8A8A
11
33 44
22
TO REAR MONITOR TO REAR MONITOR
(PC+VME ASSY POWER)(PC+VME ASSY POWER)
TO CONTROL BOX TO CONTROL BOX
TO FRONT MONITORTO FRONT MONITOR
1L11L1 1L21L2
FROM CP1FROM CP1
1L21L2
1L11L1
1.5mm1.5mm
(RIGHT SIDE)(RIGHT SIDE)
-F AN 1-FAN1
-F AN 2-FAN2
1L11L1 1L2(F3)1L2(F3)
0.75mm0.75mm
1L11L1 1L21L2
POWER INLETPOWER INLET
1L11L1 1L21L2 1L11L1 1L21L2
-P S 1-PS1
1.5mm1.5mm
1L11L1 1L2(F1)1L2(F1)
1L21L21L11L1
-FUSE1 (AC250V,10A)-FUSE1 (AC250V,10A)
1.5mm1.5mm
TO SC-CN2TO SC-CN2
+24V+24V 24G24G +24VM+24VM 24G24G
1L11L1 1L2(F2)1L2(F2)
-FUSE2 (AC250V,10A)-FUSE2 (AC250V,10A)
1.5mm1.5mm
1L11L1 1L21L2
-P S 2-PS2
TO SC-CN1TO SC-CN1
-FUSE3 (AC 25 0V, 5A)-FUSE3 (AC250V,5A)
-F AN 3-FAN3
(LEFT SIDE)(LEFT SIDE)
-F AN 4-FAN4
1L11L1
1L11L1
1L2(F4)1L2(F4)
-FUSE4 (AC 25 0V, 5A)-FUSE4 (AC250V,5A)
1L21L2
0.75mm0.75mm
(SERVO DRIVER RACK)(SERVO DRIVER RACK)
-F AN 5-FAN5
-F AN 6-FAN6
1L2(F5)1L2(F5)
-FUSE5 (AC 25 0V, 5A)-FUSE5 (AC250V,5A)
1L21L2
0.75mm0.75mm
1L11L1
1L11L1
AC 2 20VAC220V
(
S
M
33_
PW
010
)(
S
M
33_
PW
010
)
(
S
M
33_
PW
011
)(
S
M
33_
PW
011
)
(
S
M
33_
PW
012
)(
S
M
33_
PW
012
)
(
S
M
33_
PW
013
)(
S
M
33_
PW
013
)
(GENERAL IO)(GENERAL IO)
(R-STEP/FEEDER PW)(R-STEP/FEEDER PW)
-N F 2-NF2
(1(1ØØ, 5A), 5A)
1L1N1L1N 1L2N1L2N
(SHUTTLE/CONVEYOR BELT 4AXIS)(SHUTTLE/CONVEYOR BELT 4AXIS)
(SHUTTLE MOVE/WIDTH 6AXIS)(SHUTTLE MOVE/WIDTH 6AXIS)
1.5mm1.5mm
1.5mm1.5mm
(
S
M
33_
PW
025
-
1
)(
S
M
33_
PW
025
-
1
)
(
S
M
33_
PW
025
-
2
)(
S
M
33_
PW
025
-
2
)
(
S
M
33_
PW
027
)(
S
M
33_
PW
027
)
(
S
M
33_
PW
014
)(
S
M
33_
PW
014
)
(
S
M
33_
PW
026
)(
S
M
33_
PW
026
)
PE04PE04
22
PE05PE05
22
PE03PE03
DC POWER(400W)DC POWER(400W)
(+)(+)
PE06PE06
(-)(-)
ACAC ININ
22
24VDC24VDC
22
DC POWER(400W)DC POWER(400W)
(-)(-)
24VDC24VDC
(+)(+)
ACAC ININ
22
PE07PE07
22 22
PE08PE08
22
22
[87]
[88] [89]
[90]
[98]
[99]
[100]
[166]

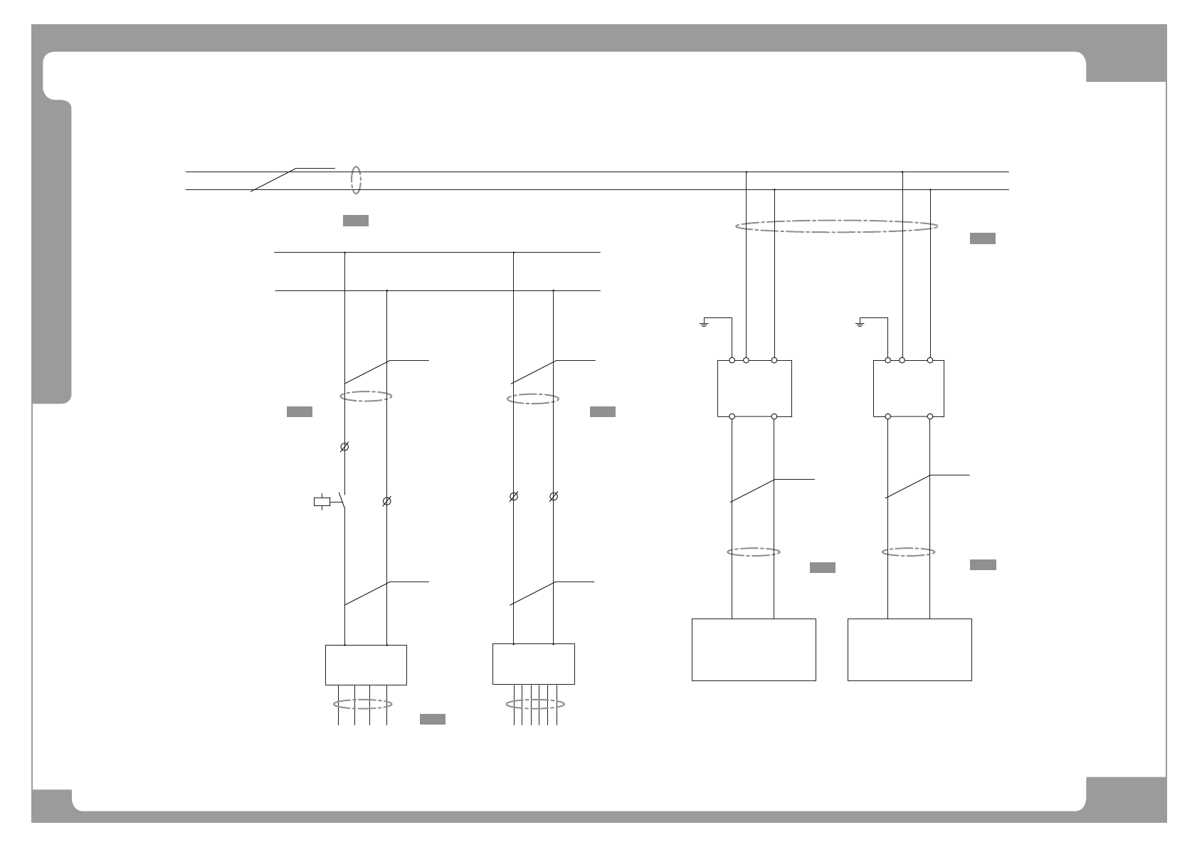
Page
SAMSUNG TECHWIN
111
SM411
Electric Circuit Diagram (4/6)
33
44
19B19B 20B20B
19A19A 20A20A
18B18B
18A18A
17A17A
17B17B
1,21,2 3, 43,4 1,21,2 3, 43,4
11L111L1
11L211L2
2L22L2
FROM CP2FROM CP2
2L12L1
AC220VAC220V
24G24G
+24VZ1+24VZ1 24G24G
-P S 3-PS3
(SHUTTLE/CONVEYOR BELT 4AXIS)(SHUTTLE/CONVEYOR BELT 4AXIS)
11L111L1 11L211L2
(SHUTTLE MOVE/WIDTH 6AXIS)(SHUTTLE MOVE/WIDTH 6AXIS)
+24VB+24VB
24G24G
-M C 1-MC1
(PB DRIVER)(PB DRIVER)
+2 4 V+24V 24G24G
HEAD FZ1~FZ6 AXISHEAD FZ1~FZ6 AXIS
+2 4 VZ 2+24VZ2 24G24G
-P S 4-PS4
11L111L1 11L211L2
HEAD RZ1~RZ6 AXISHEAD RZ1~RZ6 AXIS
FROM PS1(DC POWER #1)FROM PS1(DC POWER #1)
+2 4 V+24V
1.5 mm1.5 mm1.5 mm1.5 mm
(SM33_PW021)(SM33_PW021)
(SM33_PW020)(SM33_PW020)
(SM33_PW009)(SM33_PW009)
1.5 mm1.5 mm 1.5 mm1.5 mm
2.5 mm2.5 mm
2.5 mm2.5 mm
2.5 mm2.5 mm
(SM33_PW007)(SM33_PW007)
(SM33_PW023)(SM33_PW023)
(SM33_PW024)(SM33_PW024)
-TB1 (17~20 : DC24V)-TB1 (17~20 : DC24V)
(SM33_PW028)(SM33_PW028)
(SM33_PW029)(SM33_PW029)
CN1CN1 CN1CN1
DC POWER (400W)DC POWER (400W)
(-)(-)
24VDC24VDC
(+)(+)
ACAC ININ
PE09PE09
DC POWER B/D#1DC POWER B/D#1
DC POWER B/D#2DC POWER B/D#2
DC POWER(400W)DC POWER(400W)
(-)(-)
24VDC24VDC
(+)(+)
ACAC ININ
PE10PE10
2222
22 22
22
22
22
^;7`
^;9`
^<9` ^<:`
^49:`
^49;`
^49<`

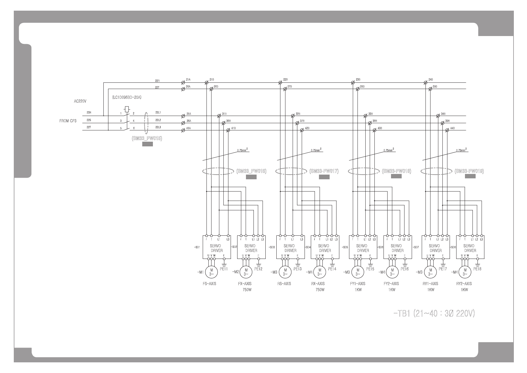
Page
SAMSUNG TECHWIN
112
SM411
Electric Circuit Diagram (5/6)
32B31B
36B
41B
37B
42B
26B
21B
27B
22B21A
26A
31A
36A
41A
1
3
5
2
4
6
34B
39B
44B
29B
24B
33B
38B
43B
28B
23B
22L1
22L3
22L2
22T
22R
(SM33_PW016)
0.75mm
(SM33-PW017)
0.75mm
-TB1 (21~40 : 3Ø 220V)
FROM CP3
-MC1-MC1
AC220V
22R
22S
22T
(LC1D096BD-20A)
(SM33_PW015)
(SM33-PW019)
0.75mm
(SM33-PW018)
0.75mm
DRIVERDRIVER
PE11
U
-M 1
3~
M
WV E
3~
-M 2
M
U V
PE12
W E
L3
SERVO
r
-S D 1
L1
t
SERVO
r t
-S D 2
L3L1
DRIVERDRIVER
PE13
U
-M 3
3~
M
V W E V
M
3~
-M 4
U
PE14
W E
SERVO
r
-S D 3
L1
t
SERVO
t
L3
r
-S D 4
L2 L3L1
2 2
100W100W
FS-AXIS
750W
FX-AXIS
100W100W
RS-AXIS
750W
RX-AXIS
DRIVERDRIVER
PE17
U
-M 3
3~
M
V W E V
M
3~
-M 4
U
PE18
W E
SERVO
r
-S D 7
L2L1
t
SERVO
t
L3
r
-S D 8
L2 L3L1
2
1KW
RY1-AXIS
1KW
RY2-AXIS
DRIVERDRIVER
PE15
U
-M 3
3~
M
V W E V
M
3~
-M 4
U
PE16
W E
SERVO
r
L2L1
t
SERVO
t
L3
r
-S D 6
L2 L3L1
2
1KW
FY1-AXIS
1KW
FY2-AXIS
-S D 5
L2
^<4`
^<5` ^<6`
^<7` ^<8`