SM411_TechnicalReference(Eng_Ver6) - 第126页
Page SAMSUNG TECHWIN 11 6 SM411 E lectric Circuit Diagram - SM411N (3/6) FROM CP1 1L2 1L1 9A 1A (REAR FEEDER PW) DC POWER(400W) -PS5 (+) PE06-1 (-) AC IN 4A 1.5mm 1L1 1L2(F1) A B 1L2 1L1 2 12B 24VDC -FUSE1 (AC250V ,10A) …

Page
SAMSUNG TECHWIN
115
SM411
Electric Circuit Diagram - SM411N (2/6)
TO REAR MONITOR
(PC+VME ASSY POWER)
TO CONTROL BOX
TO FRONT MONITOR
PE04
B
1L1 1L2
FROM CP1
0.75mm
1L2
1L1
9A
9B
1A 1B
1.5mm
2
10A
-FAN6
2A 3A
(RIGHT SIDE)
-FAN1
PE05
A
-FUSE5 (AC250V,5A)
-FAN2
0.75mm
1L1 1L2(F3) 1L1
0.75mm
A
B
(R-STEP)
1L1 1L2
2
11A 14B
6A
POWER INLET
PE03
1L1 1L2 1L1 1L2
DC POWER(400W)
-PS1
(+)
(SHUTTLE MOVE/WIDTH 6AXIS)
PE06
(-)
AC IN
4A
1.5mm
1L1 1L2(F1)
A
B
1L21L1
2
12B
24VDC
-FUSE1 (AC250V,10A)
1.5mm
2
TO SC-CN2
+24V 24G
+24VM 24G
DC POWER(400W)
(-)
24VDC
(+)
AC IN
1L1 1L2(F2)
-FUSE2 (AC250V,10A)
A
B
1.5mm
1L1 1L2
2
13B
5A
-PS2
PE07
TO SC-CN1
-FUSE3 (AC250V,5A)
-FAN3
(LEFT SIDE)
-FAN4
A
1L1
1L1
1L2(F4)
-FUSE4 (AC250V,5A)
1L2
2
7A
15B
(SERVO DRIVER RACK)
-FAN5
1L2(F5)
B
1L2
2
16B
8A
1L1
AC220V
(SM33_PW010)
(SM33_PW011)
(SM33_PW012)
(SM33_PW013)
(GENERAL IO)
-NF2
(1Ø, 5A)
1
3
4
2
PE08
1L1N 1L2N
(SHUTTLE/CONVEYOR BELT 4AXIS)
1.5mm
2
1.5mm
2
(SM33_PW025-1)
(SM33_PW027)
(SM33_PW014) (SM33_PW026)
(SM33_PW025-2)

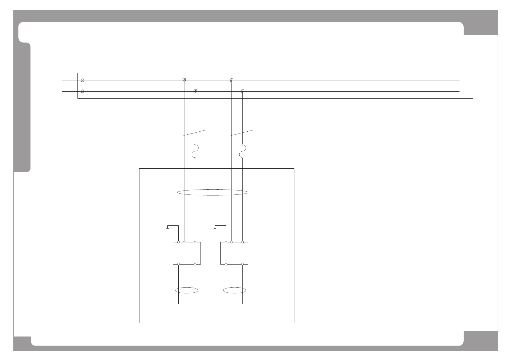
Page
SAMSUNG TECHWIN
116
SM411
Electric Circuit Diagram - SM411N (3/6)
FROM CP1
1L2
1L1
9A
1A
(REAR FEEDER PW)
DC POWER(400W)
-PS5
(+)
PE06-1
(-)
AC IN
4A
1.5mm
1L1 1L2(F1)
A
B
1L21L1
2
12B
24VDC
-FUSE1 (AC250V,10A)
+24V 24G +24VM 24G
DC POWER(400W)
(-)
24VDC
(+)
AC IN
1L1 1L2(F2)
-FUSE2 (AC250V,10A)
A
B
1.5mm
1L1 1L2
2
13B
5A
-PS6
PE07-1
AC220V
(SM411N_PW001)
(FRONT FEEDER PW)
(SM411N_PW003)
(SM411N_PW004)
SM411N ONLY

Page
SAMSUNG TECHWIN
117
SM411
Electric Circuit Diagram - SM411N (4/6)
NOTES
FROM CP2
AC220V
24G
DC POWER B/D#2
19B
20A
17B
+24VZ2
DC POWER(400W)
24VDC
IN
11L2
HEAD RZ1~RZ6 AXIS
FROM PS1(DC POWER #1)
2L2
2L1
2.5 mm
24G
+24VZ1 24G
DC POWER (400W)
(-)
24VDC
(+)
AC IN
-PS3
PE09
(SHUTTLE/CONVEYOR BELT 4AXIS)
11L1 11L2
(SHUTTLE MOVE/WIDTH 6AXIS)
+24VB
13
14
-MC1
DC POWER B/D#1
(PB DRIVER)
+24V 24G
HEAD FZ1~FZ6 AXIS
20B
19A
18B
18A
17A
24G
(-)
(+)
AC
-PS4
PE10
11L1
+24V
1.5 mm
2
1.5 mm
2
(SM33_PW021)
(SM33_PW020)
(SM33_PW009)
1.5 mm
2
1.5 mm
2
2.5 mm
2
2
2.5 mm
2
(SM33_PW007)
(SM33_PW023)
(SM33_PW024)
-TB1 (17~20 : DC24V)
(SM33_PW028)
(SM33_PW029)
CN1
1,2 3,4
CN1
1,2 3,4