SM411_TechnicalReference(Eng_Ver6) - 第18页
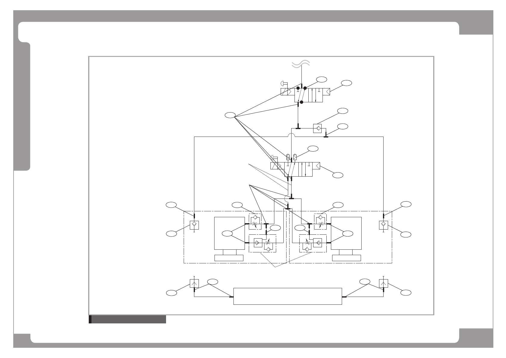
Page SAMSUNG TECHWIN 8 SM411 F eeder Base Ass'y - DC (3/4) LC1D096BD LC1D096BD F. R R.L CAN C O N VEYO R B O ARD 18 11 10

Page
SAMSUNG TECHWIN
7
SM411
Feeder Base Ass'y - DC (2/4)
6
5
16
15
9
9
9
9
3
4
8
9
1

Page
SAMSUNG TECHWIN
8
SM411
Feeder Base Ass'y - DC (3/4)
LC1D096BD
LC1D096BD
F. R
R.L
CAN
C
O
N
VEYO
R
B
O
ARD
18
11
10

Page
SAMSUNG TECHWIN
9
SM411
Feeder Base Ass'y - DC (4/4)
Reference to Air Ass'y
U2-4-4*2.5
2-J6703034A
ASP330F-01-06S
J9057180A
U2-4-4*2.5
U2-4-4*2.5
J9057168B
U2-4-6*4
J9057172B
U2-4-4*2.5
FEEDER BASE ASSY (DC)
FEEDER BASE ASSY(FRONT-DC)
FEEDER BASE ASSY(REAR-DC)
Feeder Base (DC)
12
12
2
4
4
8
8
2
2
6
7 7
6
19
1
14
17
15
16
1
SM411 MANIFOLD ASSY
J1300284
KQ2U06-00
4-J6711019A
KQ2U06-00
2