00195374-0202_AI_LBO-D1D2_DE EN - 第27页
Lange L eiterplatte 1 Montageanleitung Option Lange Leiterplatte SIPLACE D1 / D2 Ausgabe 06/2007 27 1.1 1 Pläne 1 Abb. 1.10 - 1 Maße, Steckerbezeichnung, Beschriftung 1
1 Montageanleitung Option Lange Leiterplatte SIPLACE D1 / D2 Lange Leiterplatte
Ausgabe 06/2007
26
: Schalten Sie den Bestückautomaten am Hauptschalter ein und führen Sie einen Referenzlauf
durch.
Die zweite Transportspur wird von der SW deaktiviert. Die
Maschine stellt nun den Leiterplatten-
transport automatisch auf Einfachtranspo
rt um. 1
Sollte der Stopper nicht demontiert worden sein erscheint die Fehlermeldung:
15433 Funktion kann nicht bei eingebauter Option au
sgeführt werden (15433 function cannot be
executed if option is installed). 1
Während des Umstellens werden Sie aufgefor
dert die beiden Hubtische zu koppeln. Dieses ist
nur notwendig wenn es während des Klemmens aufgrund der Durchbiegung der Leiterplatte zu
Schwierigkeiten kommt. Lesen Sie dazu die Serviceanleitung. 1
Die Fehlermeldung:
15669 bezieht sich auf das Koppeln der Hubtische und kann ignoriert werden. 1
1

Lange Leiterplatte 1 Montageanleitung Option Lange Leiterplatte SIPLACE D1 / D2
Ausgabe 06/2007
27
1.11 Pläne
1
Abb. 1.10 - 1 Maße, Steckerbezeichnung, Beschriftung
1

1 Montageanleitung Option Lange Leiterplatte SIPLACE D1 / D2 Lange Leiterplatte
Ausgabe 06/2007
28
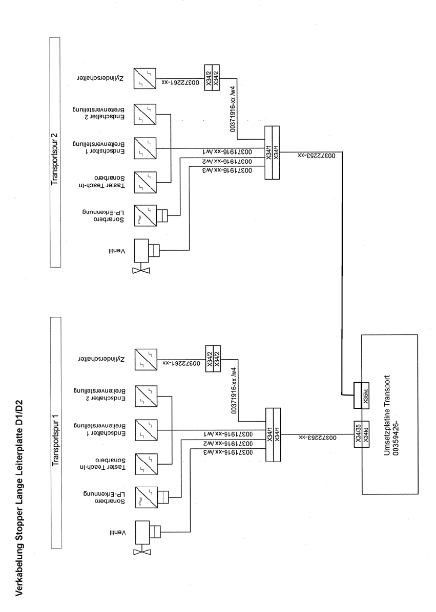
1
Abb. 1.10 - 2 Verkabelung Stopper lange LP