SM471_TRM(Ver5.9_CS16.18) - 第203页

Page HANWHA TECHWIN 199 SM471 Electric Circuit Diagram (5/7) NO. Lev . PA R T N O . P ART NAME Q'TY Old No. Supply Supply L T Reference 1 AM03-005487A CAB LE ASSY -TB1 _FS1_FS2 1 S M 4 7 1 _ P W 111 - 2 2 AM03-0054 …

100%1 / 210
Page
HANWHA TECHWIN
198
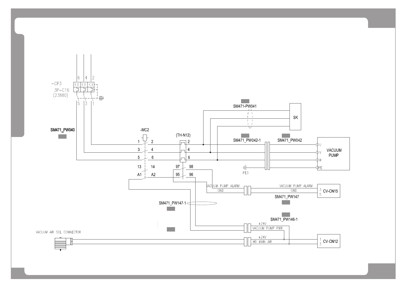
SM471
Electric Circuit Diagram (5/7)
^4`
^6`
^5`
^7`
^8`
^9`
^:`
^;`
^<`
^43`
Page
HANWHA TECHWIN
199
SM471
Electric Circuit Diagram (5/7)
NO. Lev. PART NO. PART NAME Q'TY Old No. Supply Supply LT Reference
1 AM03-005487A CABLE ASSY-TB1_FS1_FS2 1 SM471_PW111-2
2 AM03-005486A CABLE ASSY-TB1_PS1_PS2_PW_T5L 1 SM471_PW111
3 AM03-005478A CABLE ASSY-PS1_PS2_PS5_PS6_PW_T5L 1 SM471_PW201
4 AM03-005476A CABLE ASSY-PS5_PS6_PW_T5 1 SM471_PW101
5 AM03-005479A CABLE ASSY-RY3_RY5_T7L 1 SM471_PW207
6 AM03-005495A CABLE ASSY-PS1_1_DC_POWER_BD 1 SM471_PW120
7 AM03-005504A CABLE ASSY-PS1_PS2_SACO_T6L 1 SM471-PW127
8 AM03-005485A CABLE ASSY-PS34_AC_PS12_DC_PW_T6L 1 SM471_PW202
9 AM03-005480A CABLE ASSY-PS5_PS6__DC24V_PWR 1 SM471_PW103
10 AM03-005479A CABLE ASSY-RY3_RY5_T7L 1 SM471_PW207
Page
HANWHA TECHWIN
200
SM471
Electric Circuit Diagram (6/7)
[1]
[2]
[3]
[4]
[5]
[6]
[7]
[8]
SM511_PW146