SM471_TRM(Ver5.9_CS16.18) - 第199页
Page HANWHA TECHWIN 195 SM471 Electric Circuit Diagram (3/7) NO. Lev . PA R T N O . P ART NAME Q'TY Old No. Supply Supply L T Reference 1 AM03-0054 90A CABLE ASSY -MC2_TB 1 1 SM471_PW1 15 2 AM03-005491A CABLE A SSY …

Page
HANWHA TECHWIN
194
SM471
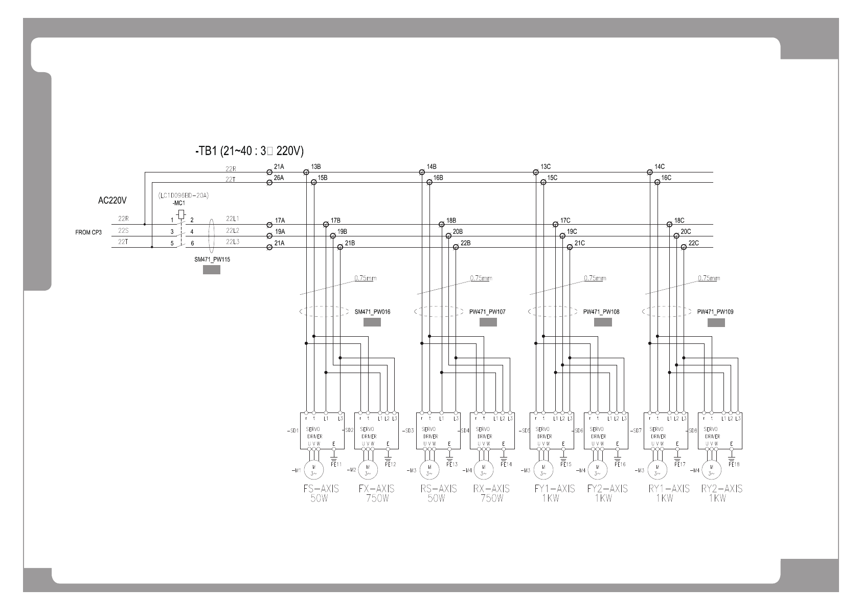
Electric Circuit Diagram (3/7)
22 2 2
^4`
^5` ^6` ^7`
^8`

Page
HANWHA TECHWIN
195
SM471
Electric Circuit Diagram (3/7)
NO. Lev. PART NO. PART NAME Q'TY Old No. Supply Supply LT Reference
1 AM03-005490A CABLE ASSY-MC2_TB1 1 SM471_PW115
2 AM03-005491A CABLE ASSY-FX,FS SERVO POWER 1 SM471_PW016
3 AM03-005492A CABLE ASSY-RX,RS SERVO POWER 1 SM471_PW017
4 AM03-005493A CABLE ASSY-FY1_FY2_SERVO_POWER 1 SM471_PW018
5 AM03-005494A CABLE ASSY-RY1_RY2_SERVO_POWER 1 SM471_PW019

Page
HANWHA TECHWIN
196
SM471
Electric Circuit Diagram (4/7)
^4`
2
2
2
2 2
2
^5`
^6`
^7`
^8` ^9`^9`
^:`
^;`
^<`
^43`
60B3: