SM471_TRM(Ver5.9_CS16.18) - 第114页
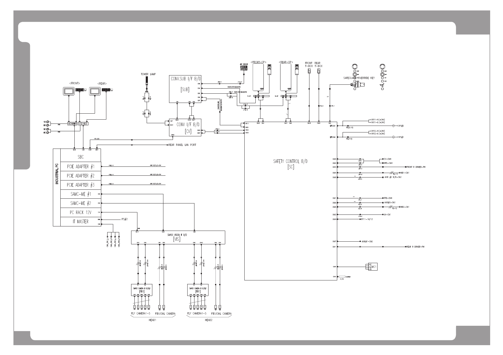
Page HANWHA TECHWIN 11 0 SM471 SM471 Harness Wiring Diagram (1/4) SM471_VIS011 SM471_PC002 SM471_KV003-3 SM471-PC005 SM471-PC006 SM471_PC003 SM471_KV003-2 SM471-CV134 SM471-CV134-1 SM471_SC203 SM33_CV023-5 SM471_SC201 SM…

Page
HANWHA TECHWIN
109
SM471

Page
HANWHA TECHWIN
110
SM471
SM471 Harness Wiring Diagram (1/4)
SM471_VIS011
SM471_PC002
SM471_KV003-3
SM471-PC005
SM471-PC006
SM471_PC003
SM471_KV003-2
SM471-CV134 SM471-CV134-1
SM471_SC203 SM33_CV023-5
SM471_SC201
SM471_SC203
SM471_VIS012
SM471_VIS001-1
SM471_VIS003-1
SM471_VIS005
SM471_VIS007
SM471_VIS008
SM471P_VIS010
SM471_VIS009
SM471_VIS000
SM471_VIS012-1
SM471_VIS002-1
SM471_VIS006
SM471_SC202
SM471_SC202
SM471_SC201
SM471_CV132
SM33_CV003
SM421_CV113
SM471_PW127
SM411_OP103
SM471_OP104
SM33_OP005
SM33_OP005
SM471_CV104
SM471_CV126
SM471_CV126-1
SM471_PW068
SM471_SC101
SM471-PW032
SM471-PW032
SM33_SC006
SM471_VIS001-2
SM471_VIS002-2
SM471_VIS003-2
SM471_CV104-1
SM33_CV026-1
SM33_CV023-4
SM471_OP104-1
SM471_OP001
SM471_OP001
SM471_PC003-1
SM471_PW127
SM471_PW067
SM471_SC201
SM471_SC202
SM471_SC202
SM471_SC202
SM471_CV135
SM471_SC203
SM471_SC203
SM471_SC101-1
SM471_SC102-1
SM471_SC102
SM471_SC103-1
SM471_SC103-2
SM471-SC105
SM471-SC105-1
SM471_SC007-1
SM471_SC107-2
SM471_SC107-3
SM33_SC008
SM471_SC109
SM471_SC111-1
SM471_SC112-1 SM471_SC112SM471_SC112-2
SM471_SC111-2
SM41_SC006
SM471_VIS011
SM471_VIS009
SM471_VIS002-1
SM471_VIS006
SM471_VIS002-2
SM421_VM111 SM471_PC003-1
SM471_CV101
SM471_PW044
SM471-FD101
SM471_AX101
SM33_IT005
SM33_IT004

Page
HANWHA TECHWIN
111
SM471
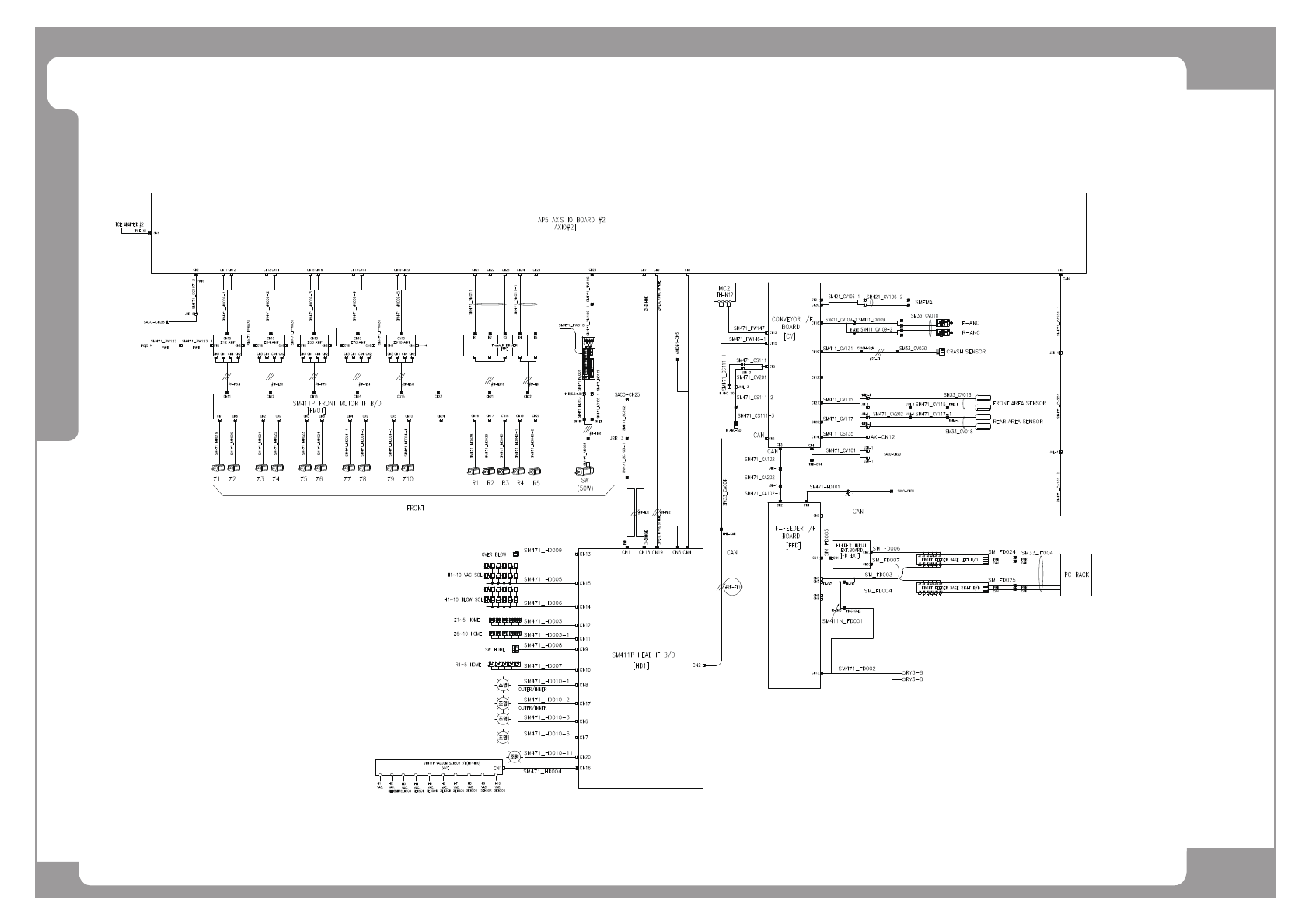
SM471 Harness Wiring Diagram (2/4)
FIDUCIAL㦤⮹GJX
FIDUCIAL㦤⮹GJY
SIDE
OUT
COAX
Panasonic AC servo
SET
MODE
SM471_VI006