SM471_TRM(Ver5.9_CS16.18) - 第207页

Page HANWHA TECHWIN 203 SM471 Electric Circuit Diagram (7/7) NO. Lev . PA R T N O . P ART NAME Q'T Y Old N o. Su pply Su pply L T Reference 1 AM03-0057 21A CABLE ASSY -AC RELA Y POWER 1 SM471_P W105 2 AM03-005462B C…

100%1 / 210
Page
HANWHA TECHWIN
202
SM471
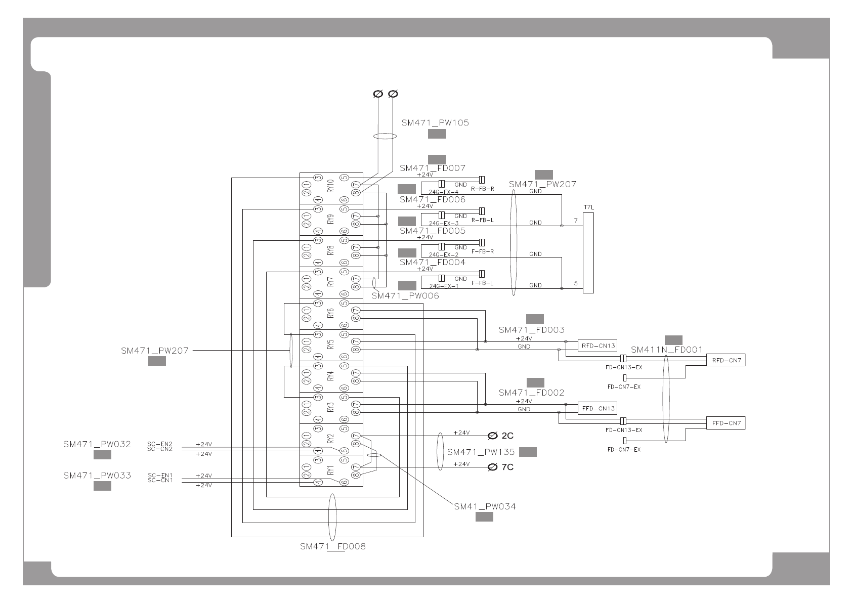
Electric Circuit Diagram (7/7)
[1]
[2]
[3]
[4]
[5]
[6]
[4]
[7]
[8]
[9]
[10]
[11]
[12]
[13]
[14]
Page
HANWHA TECHWIN
203
SM471
Electric Circuit Diagram (7/7)
NO. Lev. PART NO. PART NAME Q'TY Old No. Supply Supply LT Reference
1 AM03-005721A CABLE ASSY-AC RELAY POWER 1 SM471_PW105
2 AM03-005462B CABLE ASSY-R RIGHT FEEDER BASE PWR 2 SM471_FD007
3 AM03-005479A CABLE ASSY-RY3_RY5_T7L 1 SM471_PW207
4 AM03-005461B CABLE ASSY-R LEFT FEEDER BASE PWR 2 SM471_FD006
5 AM03-005460B CABLE ASSY-F RIGHT FEEDER BASE PWR 2 SM471_FD005
6 AM03-005459B CABLE ASSY-F LEFT FEEDER BASE PWR 2 SM471_FD004
7 AM03-005479A CABLE ASSY-RY3_RY5_T7L 1 SM471_PW207
8 AM03-005506A CABLE ASSY-GENERAL_PW_RELAY 1 SM471-PW032
9 AM03-005507A CABLE ASSY-FEEDER_PW_RELAY 1 SM471-PW033
10 AM03-005458B CABLE ASSY-R FDR PWR RELAY CABLE ASSY 2 SM471_FD003
11 EP02-000588A FEEDER CN7 EXT CABLE ASSY 1 SM411N-FD001
12 AM03-005456A CABLE ASSY-F FDR PWR RELAY CABLE ASSY 2 SM471_FD002
13 AM03-005508A CABLE ASSY-RELAY_PW_SUPPLY 1 SM471-PW135
14 AM03-900148 RELAY_CONNECT_CABLE_ASSY SM41-PW034 1 SM41-PW034
15 AM03-005463A CABLE ASSY-24V POWER EXT 2 SM471_FD008
Page
HANWHA TECHWIN
204
SM471
Articles of Consumption