PTS-XP243E-08JE - 第116页
A C C D D A A A A C A A XP-242E XP-243E XP-142E XP-143E A A D B B XP-242E XP-243E C C XP-142E XP-143E C C C C 4 6 5 20 21 7 7 19.1 9 8 9 8 9 8 7 19.1 21 20 6 5 9 8 7 56 4 30 31 32 29 25 53 54 22 23 26 27 28 15 41 42 40 7…

CONVEYOR(QC) 1/6
コンベア(QC) 1/6
No. Drg.No. & Code No. QTY Description Rating Materials Remarks
番号 図番 & コード番号 個数 品名 規格 材質 備考
73 W1011A 14 WASHER, CONICAL ワッシャ 皿 M- 4-L FE
74 DNQC1112 1 PLATE プレート FE
75 H5288A 8 BOLT, HEX SOCKET ボルト 六角穴 M04X010 FE
76 W1011A 8 WASHER, CONICAL ワッシャ 皿 M- 4-L FE
77 ADBPP8011 4 PULLEY プーリ OT
78 ADBPP8021 6 PULLEY プーリ OT
78.1 AGGQC8080 6 PULLEY プーリ OT Thin panel option
79 DBPP0410 1 PLATE プレート AL
80 DBPP0420 2 STOPPER ストッパ FE
81 N1082A 2 NUT, HEX ナット 六角 M 5 P=0.8 FE
82 N10790 2 NUT, SQUARE ナット 四角 M 4 P=0.7(3カ シロ) FE
83 DBPP0721 2 BKT BKT FE
84 H5289A 4 BOLT, HEX SOCKET ボルト 六角穴 M04X012 FE
85 W1022A 4 WASHER, LOCK ワッシャ スプリング 4M/M FE
86 BHPP1120 1 PLATE プレート FE
87 K5255T 4 SCREW, HEX SOCKET BUTTON 小ネジ 六角穴ボタン M03X006 FE
88 DNQC1340 1 PLATE プレート FE
89 K5357T 2 SCREW, HEX SOCKET COUNTERSUNK 小ネジ 六角穴皿 M03X008 FE
90 DNQC1350 1 PLATE プレート FE
91 K5357T 2 SCREW, HEX SOCKET COUNTERSUNK 小ネジ 六角穴皿 M03X008 FE
92 PPT0540 2 STOPPER ストッパ FE
93 N1082A 2 NUT, HEX ナット 六角 M 5 P=0.8 FE
94 PPT1531 4 PIN, ECCENTRIC ピン 偏心 FE
95 S3020T 4 SPRING スプリング WF5-30 OT
96 H1007B 1 GENERATOR, VACUUM 発生器 真空 VSB-H05-44 OT
97 Y3069B 1 UNION ユニオン KQ2R06-04 OT
115
PTS-XP243E-08JE

A
C
C
D
D
AA
AA
C
AA
XP-242E
XP-243E
XP-142E
XP-143E
A
A
D
BB
XP-242E
XP-243E
CC
XP-142E
XP-143E
CC
CC
4
6
5
20
21
7
7
19.1
9
8
9
8
9
8
7
19.1
21
20
6
5
9
8
7
56
4
30
31
32
29
25
53
54
22
23
26
27
28
15
41
42
40
71
75
74
16
17
18
16
17
18
33
35
34
37
38
39
53
54
36
44
45
48
46
47
49
50
51
52
72
73
70
69
68
1
76
76.1
76.2
1
2
3
7
9
8
7
9
8
53
54
81
82
83
86
87
92
84
85
56
19
21
20
56
9
8
7
9
8
7
88
89
91
90
93
94
19.1
56
24
24
116
PTS-XP243E-08JE

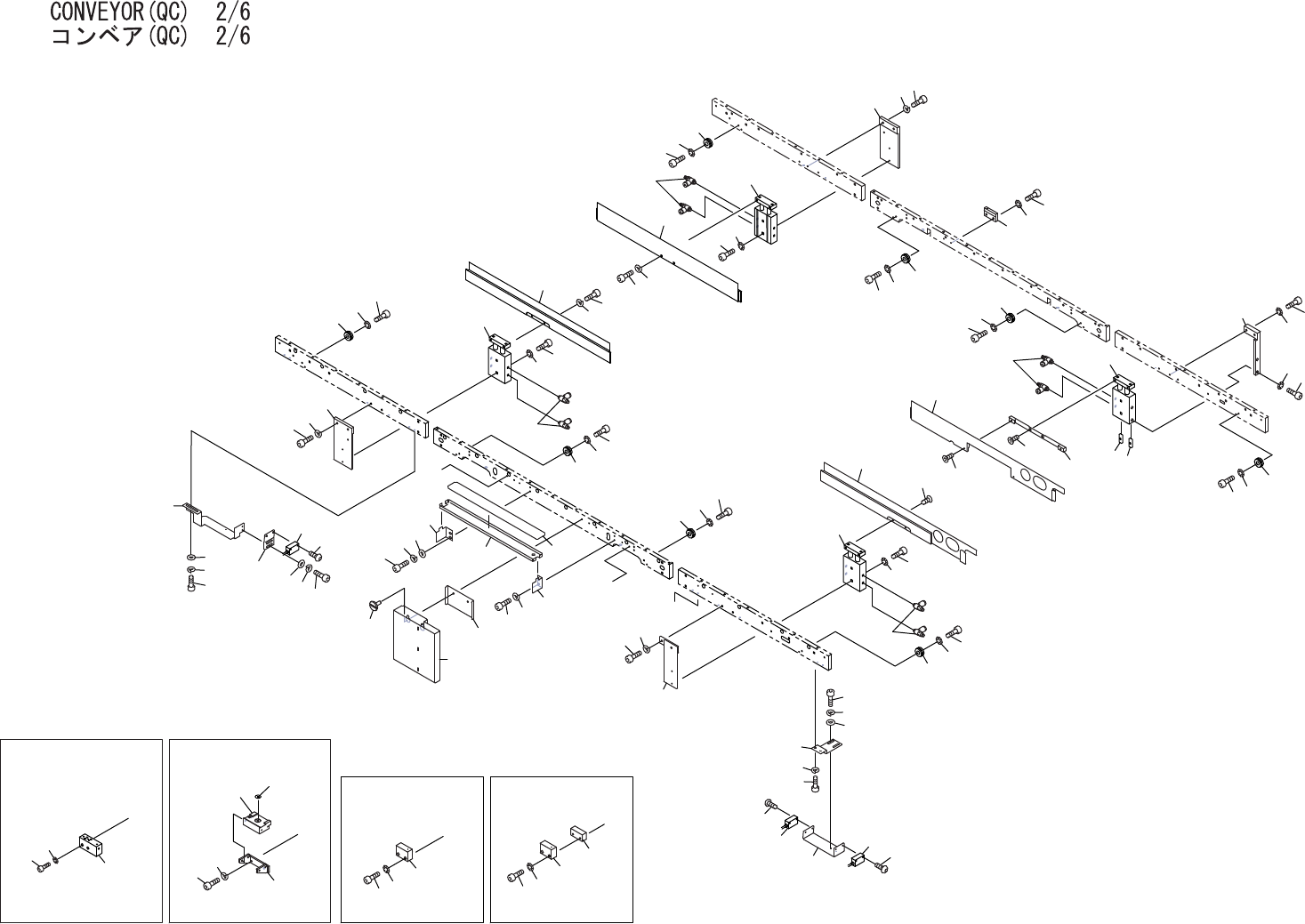
CONVEYOR(QC) 2/6
コンベア(QC) 2/6
No. Drg.No. & Code No. QTY Description Rating Materials Remarks
番号 図番 & コード番号 個数 品名 規格 材質 備考
1 DEQC0291 1 BLOCK, JIG ブロック 治具 OT
2 H5277A 2 BOLT, HEX SOCKET ボルト 六角穴 M03X012 FE
3 W1010A 2 WASHER, CONICAL ワッシャ 皿 M- 3-L FE
4 DEQC0322 2 PLATE プレート FE
5 H5275A 4 BOLT, HEX SOCKET ボルト 六角穴 M03X008 FE
6 W1021A 4 WASHER, LOCK ワッシャ スプリング 3M/M FE
7 DEQC0340 8 GUIDE, SIDE ガイド サイド FE
8 H5287A 8 BOLT, HEX SOCKET ボルト 六角穴 M04X008 FE
9 W1011A 8 WASHER, CONICAL ワッシャ 皿 M- 4-L FE
15 DEQC0680 1 GUIDE ガイド FE
16 DEQC0732 2 BKT, CYLINDER BKT シリンダ FE
17 H5290A 4 BOLT, HEX SOCKET ボルト 六角穴 M04X015 FE
18 W1022A 4 WASHER, LOCK ワッシャ スプリング 4M/M FE
19 DEQC0760 1 CYLINDER シリンダ OT
19.1 GFQC1220 3 CYLINDER シリンダ OT
20 H5263A 6 BOLT, HEX SOCKET ボルト 六角穴 M03X018 FE
21 W1010A 6 WASHER, CONICAL ワッシャ 皿 M- 3-L FE
22 GFQC1251 1 BOX, REJECT BOX NG FE
23 GGQC2301 2 BOLT ボルト FE
24 DEQC0792 2 NUT ナット FE
25 DNQC1510 1 BKT, SENSOR BKT センサ FE
26 H5275A 2 BOLT, HEX SOCKET ボルト 六角穴 M03X008 FE
27 W1021A 2 WASHER, LOCK ワッシャ スプリング 3M/M FE
28 W1042A 2 WASHER, FLAT ワッシャ 平 4W- 3 FE
29 DNQC1500 1 BKT BKT FE
30 H5275A 2 BOLT, HEX SOCKET ボルト 六角穴 M03X008 FE
31 W1021A 2 WASHER, LOCK ワッシャ スプリング 3M/M FE
32 W1042A 2 WASHER, FLAT ワッシャ 平 4W- 3 FE
33 GFQC0060 1 BKT, SENSOR BKT センサ FE
34 H5275A 2 BOLT, HEX SOCKET ボルト 六角穴 M03X008 FE
35 W1021A 2 WASHER, LOCK ワッシャ スプリング 3M/M FE
36 GFQC0130 1 BKT, SENSOR BKT センサ FE
37 H5275A 2 BOLT, HEX SOCKET ボルト 六角穴 M03X008 FE
38 W1021A 2 WASHER, LOCK ワッシャ スプリング 3M/M FE
39 W1042A 2 WASHER, FLAT ワッシャ 平 4W- 3 FE
40 DNQC1010 1 BLOCK, JIG ブロック 治具 OT
41 H5275A 2 BOLT, HEX SOCKET ボルト 六角穴 M03X008 FE
42 W1010A 2 WASHER, CONICAL ワッシャ 皿 M- 3-L FE
117
PTS-XP243E-08JE