YSP20_cwd_je - 第11页
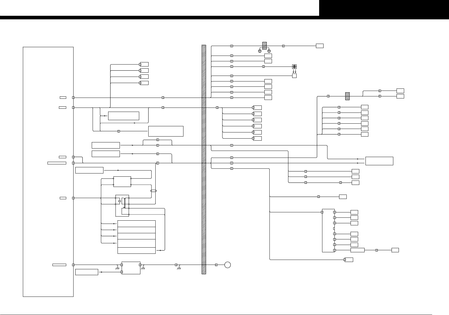
Confidential & Proprietary P A GE I/O CONVEYOR BOARD ASSY P025 CN32 C/V MOTOR 1 CN32 C/V MO TOR 1 CN19 R.TERMIN AL BOARD N0110332 N0110333 N0110330 W ORG Y-MZ SAFE CONV SLOW N011033 1 +24V Y-MYZ-S AFE SQ005 CN47 BRAK…

Confidential & Proprietary
PAGE
SZP
SZM
SZBK
SYM
SYP
PSC ASSY,SYRING(OPTION)
TRG2
TRG1
CAM4(FULL)
CAM3(HALF)
CAM1(HALF)
CAM2(FULL)
SIO2
SIO1
SI01
SI02
SI03
SI04
BCR-R SYM
A44
BARCODE
READER
BCR-F SYM
A43
BARCODE
READER
IT OPTION(OPTION)
J0892
J0893
SUNIT BK
SYM
SYP
SZM
SZP
J0141 J0145
J0186
J0188
J0190
SZB SRBM
SZB SRBP
SZ SRM
SZ SRP
J0260
J0262
J0264
J0268
J0270
J0272
CAM4
CAM2 J0701
J0702
M14
M15
CAMOUT
CAMOUT
SUNIT BK
FX FPP
FX FPM
FX FPP
FX FPM
SYB-AXIS 300W [SYA-AXIS]
FPP
FPM
FPP
M24
FPM
FPP
FPMFPM
FPP
J0278
□40 MAX 600rpm
J0105
FXPFXP
SZB-AXIS 200W [SZA-AXIS]
DC5V
+5V
DC5V
+5V
J0198
J0200 J0206
J0095
FRONT[REAR]
REAR[FRONT]
In case that PCB transportation is L⇒R, refer to written inside brakets:[XXXXXX]
CN11
CAMERA SELECTOR P051
CN11
CAMERA SELECTOR P052
See Page 17
See Page 17
J0192
MY2 BK
MY1P
MYB1M
GOOD
SRV CMN
ENC
MO
BRAKE
GOOD
TRG2
MO
SRV CMN
ENC
BRAKE
AC100V
AC100V
TRG1
EXT POWER
BRAKE
AC230V
AC230V
(MYB1,MYB2,FXB,FPB)
(MYB1,MYB2,FXB)
(MZB,SYB,SZB,SRB)
(MZB,SYB,SZB,SRB)
(MZB,SZB,SRB)
(X2,Y2,PU2,W2)
(X2,Y2,PU2,W2)
(X2,Y2,PU2,W2)
J0029
J0010
J0040
SRV5 BK
J0174
J0254
SRV4 GOOD
PI5
MO5
SRV5 GOOD
J0135
FX BK
SRV1 BK
J0309
J0127
J0129
J0131
SRV4 BK SRV4 BK
SRV4 SRV4
J0308
J0252
SRV5 BK
SRV5 BK
MO4
SRV4
SRV5
SRV6 BK
SRV6 BK SRV6 BK
J0133
FX BK
J0172PI4
[MYA1,MYA2,FXA,FPA]
[X1,Y1,PU1,W1]
[X1,Y1,PU1,W1]
[X1,Y1,PU1,W1]
[MZA,SZA,SRA]
[MZA,SZA,SZA,SRA]
[MZA,SZA,SZA,SRA]
[MYA1,MYA2,FXA]
AC100V
POWER CIRCUIT
AC220V
See Page 2
QF43
POWER CIRCUIT
See Page 2
J0891
EXT.PWR
POWER CIRCUIT
See Page 2
SRVA
SRVB
I/O
EMG
J0358
IF1 I/O J0111
CN15
CN14
CN15
I/O C J0114
I/O B
I/O A J0112
J0113
I/O C
I/O A
I/O B
I/O SHEAD A BOARD
I/O SHEAD B BOARD
I/O CONV.BOARD
See Page 11
See Page 16
See Page 15
USB4
SERIAL1
USB4
LAN
VGA
SERIAL2
SERIAL1
MOUSE
KEY
USB3
USB1
USB2
J0801
J0566
J0572
J0589
SRV6SRV6
SRV5 SRV5
SRV4 SRV4
SRV3 SRV3
SRV2 SRV2
SRV1 SRV1
OPERATION PANEL SEL.
See Page 19
I/O CONV.BOARD
See Page 13
BRAKE
+5V +5V
J0137
J0894
VISION
E.COM BOARD
SERVO6
SERVO5
SERVO4
PWR SYS CR
RAS SYS CR
INTERFACE 1
SYSTEM
PWR SYS CR
RAS SYS CR
SYS C/R BOX ASSY A1
J0651
J0038
GOOD
ENC
SRV CMN
MO
SERVO8
USB4
USB PANEL
J0303
SRV7 SRV7
SRV8 SRV8
J0304 SRV1-3
SERVO C/R 1
See Page 6
(LY2.LW2,-,-)
[LY1.LW1,-,-]
(LY2.LW2,-,-)
[LY1.LW1,-,-]
(LY2.LW2,-,-)
[LY1.LW1,-,-]
PE
J0086
SERVO C/R BOX ASSY A3
ENC3
J0178ENC6
ENC(MYB1,MYB2,FXB,FPB)
J0176PI6
[MYA1,MYA2,FXA,FPA]
SRV CMN
SRV6
SRV6 SRV6
MY2MMYB2M
MO
MO6 J0256
M22
MYB2-AXIS 300W [MYA2-AXIS]
MY2PMY2P
J0194
MY1M
MY1P
M21
MYB1-AXIS 300W [MYA1-AXIS]
FPP
FPP
J0182
MY2PMY2P
FXPFXP
MY1PMY1P
MY1 BK
PE J0085
J0149
FXMFXM
M23
MZB SYBP
MZB SYBM
MZ SYP
MZ SYM
FXB FPBM
FXB FPBP FX FPP
FX FPM
MZ SYMMZ SYM
SUNIT BK
SZ SRP
SZ SRM
SZ SRP
SZ SRM
MZBK
MZP
MZM
MZP
MZM
M13
MZB-AXIS 500W [MZA-AXIS]
SUNIT BK
MZBK MZBK
YP
YM
YBK
Y2M
YP
M05
□86 MAX 2400rpm
Y2-AXIS 1000W [Y1-AXIS]
YPY2P J0180
I/O D I/O D
SRV5 SRV5
POWER CIRCUIT
See Page 2
UPS
SRV8 GOOD
MO8
SRV8
PI8
SRV8 BK
□76 MAX 1000rpm
□76 MAX 1000rpm
□76 MAX 2700rpm
□76 MAX 450rpm
□42 MAX 546rpm
□54 MAX 4093rpm
J0063
FXB-AXIS 60W [FXA-AXIS]
FPB-AXIS 60W [FXA-AXIS]
J0301
J0302
IF GOOD
SRVA
SRVB
SRVCR2 GOOD SRVCR2 GOOD
J0350
J1032
J1052
J1022
J1012
YTC(OPTION)
INTERCONNECTION DIAGRAM
See YTC
J0310
FLEXIBLE
DUCT MYB
FLEXIBLE
DUCT SYB
FLEXIBLE
DUCT FXB
SRBK
SRP
SRM
J0097
SRM
SRP SRP SRP
SRMSRM
J0151
J0276
M16
SRB-AXIS 60W [SRA-AXIS]
J0204
□42 MAX 2400rpm
FLEXIBLE
DUCT SZB
3S HEAD(OPTION)
E05 E06
E22
E10
VGA
J0093
CN12
CN11
LCD POWER
E15 E16
E19 E20
GOOD
SRV6 GOOD
E32
PSC(OPTION)
PUP
PUM
PUP
PUM
□54 MAX 3600rpm
FLEXIBLE
PUP PUP
CV BK CV BK
X2 PU2 W2M X PU WM
X PUPX2 PU2P
W2P WP
FLEXIBLE
J0258
J0184
J0139
DUCT Y2
J0089
J0196
J0274
J0202
J0147
J0091
DUCT X2
M07
PU2-AXIS 200W [PU1-AXIS]
PU2BK
WM
WP
WM
W BK
WP
□86 MAX 3420rpm
XM
XBK
XPXP
XM
1TURN
□42 MAX 230rpm
PU BK PU BK
X BK
WBK
Y BK
PU BK
CV BK CV BK
PUM PUM
PUPPUP
MZ BK
MY1BK
MY2BK
FXBKFX BK
SR BKSR BKSR BK
SZ BK
J0143
E09
X2-AXIS 750W [X1-AXIS]
W2-AXIS 100W [W1-AXIS]
M08
M06
CC.V5
7
CONTROL BOX 2
YSP20

Confidential & Proprietary
PAGE
I/O CONVEYOR BOARD ASSY P025
CN32C/V MOTOR 1 CN32C/V MOTOR 1
CN19R.TERMINAL BOARD
N0110332
N0110333
N0110330
W ORG
Y-MZ SAFE
CONV SLOW
N0110331
+24V
Y-MYZ-SAFE
SQ005
CN47BRAKE
CN23DO12
0V
PUMP SIGNAL
14 IN+ OUT+ 8
13 IN- OUT-12
PUMP ERR1
CN32
CN1
CN3CN2
DCN1
CONVEYOR DRIVER 1
POWER CIRCUIT
KM11A
□60 MAX 300rpm
CONVEYOR MOTOR 1 30W
M25
BLOWER MOTOR ON/0V
KA01
PUMP ON2
PUMP SIGNAL2
+24V
CONV SLOW
Y-MYZ-SAFE
Y-MZ SAFE
W ORG
+24V+24V
CVM
PUMP PWR
0V
PUMP ON1CN23
T01100C0
CN5DI11
T01100C4
N01103B4
YB001
ROLL BREAKROLL BREAK
U1
PNP CHANGER
SQ007
CL JUNC
CL1
1
2
3
4
5
6
7
8
IN
D1500T-BOX
XT70
Y-SAFEY-SAFE
Y ORG
Y OT
Y ORG
Y OT
+24VF6
PUMP
N0110336
N0110334
N0110335
N01102E0
N01102E1
N0110304
N0110305
N0110306
J0401 J0418
J0503
J0156
J0037
J0403 J0420
J0432
J0424
J0434
CN21DO0,1
T0110000
T0110001
T0110002
T0110003
T0110004
T0110005
CV VALVECV VALVE
PCB FIX BK
FLAP UP
CL UP
CL ROLLING
MAIN ST UP
EXIT ST UP
CV1 VALVEJ0501
J0422UNIT1 ORG
UNIT1 OT
X ORGOT X ORGOT
CV VALVE
SQ019
SQ023A
SQ023B
SQ055
SQ077
SQ079
SQ031
SQ033
SQ035
SQ039
SQ041
UNIT 1 OT
JCN1
JCN2
JCN3
JCN5
JCN6
JCN7
JCN8
CL I/O CL I/O
UNIT 1 ORG
EXT ST ON EXT ST ON
EXT ST OFF EXT ST OFF
U11
T01100C0
KM11A 84
W1 BRAKEW1 BRAKE
CN12,48
CN10
J0160CVMCV1MJ0158
X1-FLEX
Y-SAFE
Y1-AXIS ORG
Y1-AXIS OT
SQ001
SQ003
N01103B7
N0110386
N01103E1
SQ009
Y-SAFEY-SAFEJ0430
CONV EXIT CONV EXIT
I/O CONVEYOR -4-
POWER CIRCUIT
OPERATION PANEL SEL
[CONVEYOR MOTOR 2 ]
GAUZE ROLLING FIXED1
W-MZ SAFEW-MZ SAFE W-MZ SAFEW-MZ SAFE
N0110337
J0440
SQ021
J0100
See Page 2
I/O CONVYOR -7-
I/O CONV.BOARD
I/O CONV.BOARD
See Page 2
W1-AXIS ORG [W2-AXIS ORG]
CONV1 EXIT
CONV1 SLOW
CL1 CLEANING UP
CONV1 MAIN STOPPER UP
CONV1 EXIT STOPPER UP
[CL2 CLEANING UP]
[CONV2 MAIN STOPPER UP]
[CONV2 EXIT STOPPER UP]
[Y2-AXIS ORG]
[Y2-AXIS OT]
[GAUZE ROLLING FIXED2]
SOLVENT SOLVENT
N0110307
SQ043
SOLVENT EMPTY1 [SOLVENT EMPTY2]
SOLVENT PUMP ON1 [SOLVENT PUMP ON2]
CONV1 FIXPOS
N01102D6
N01102D7
N01102D0
N01102D1
N01102D2
N01102D3
N01102D4
N01102D5
J0438
SQ061
SQ063
SQ051
SQ057
SQ065
SQ067
SQ073
SQ075
F FLAP F FLAP
MAIN STOP1 OFF
MAIN STOP1 ON
F-FLAP OFF
F-FLAP ON
F-FLAP OFF
F-FLAP ON
CONV1 ENT
CV FIX POSCV FIX POS
M.ST OFF M.ST OFF
M.ST ON M.ST ON
R-FLAP OFF
R-FLAP ON
R-FLAP OFF
R-FLAP ON
CONV ENT CONV ENT
F-FLAP1 OFF
F-FLAP1 ON
[F-FLAP2 OFF]
[F-FLAP2 ON]
[CONV2 ENT]
[CONV2 FIXPOS]
[R-FLAP2 OFF]R-FLAP1 OFF
R-FLAP1 ON [R-FLAP2 ON]
[MAIN STOP2 OFF]
[MAIN STOP2 ON]
EXIT STOP1 ON
EXIT STOP1 OFF
[CONV2 EXIT]
[CONV2 SLOW]
[EXIT STOP2 ON]
[EXIT STOP2 OFF]
See Page 13
See Page 9
See Page 11
See Page 12
See Page 13
P011
P11 CN2
See Page 14
KA03
52
1 14
51
0 13
KA05
KA04 06
YV011
YV013
YV015
YV017
YV019
YV021
YV030
CV2 VALVE
See Page 9
Y2-FLEX
CL UP CL UP
READY OUT2
PUMP PWR1
+24V
PUMP PWR1
KM11A 53,54
KM12A 53,54
I/O CONVEYOR -4-
CLEANER UP
W1-AXIS MZA MOVABLE [W2-AXIS MZB MOVABLE]
Y1-AXIS MZA-MOVABLE [Y2-AXIS MZB-MOVABLE]
CONV1 PCB FLAP [CONV2 PCB FLAP]
CL1 GAUZE ROLL
CL1 ROLL BACK END
Y1-AXIS CL1-MOVABLE
[CL2 GAUZE ROLL]
[CL2 ROLL BACK END]
[Y2-AXIS CL2-MOVABLE]
Y1-AXIS MZB MOVABLE [Y2-AXIS MZA MOVABLE]
CONV1 BRAKE [CONV2 BRAKE]
CL1 GAUZE ROLLING [CL2 GAUZE ROLLING]
T01100C2
T01100C1,3
In case that PCB transportation is L⇒R, refer to written inside brakets:[XXXXXX]
See Page 11
J0450
J0442
J0432
X SENSOR X SENSOR
CV1 I/O1 CV I/O1
CV1 I/O2 CV I/O2
CV I/O2 CV I/O2
P11 CN3
SQ053
CN4
I/O CONV.BOARD
See Page 13
See Page 19
ACTIVE CHANGEEX
T01100C6
T01100C5
T01100F3
FLEXIBLE
DUCT Y1
FLEXIBLE
DUCT W1-MZA
FLEXIBLE
DUCT FA
J0512 J0506
T0110014
T0110015
T0110016
T0110017
[CV1 SHUT ENT]
[CV1 SHUT EXIT]
[CV2 SHUT ENT]
[CV2 SHUT EXIT]
CV1 SHUT ENTCV1 SHUT ENT
CV1 SHUT EXITCV1 SHUT EXIT
CV2 SHUT ENTCV2 SHUT ENT
CV2 SHUT EXITCV2 SHUT EXIT
YV023
YV025
YV024
YV026
CL-R1 HI
CL-R1 LOW
CL-L1 HI
N01102E2
[CL-R2 HI]
[CL-R2 LOW]
[CL-L2 HI]
CC.V5
8
I/O CONVEYOR -1-
YSP20

Confidential & Proprietary
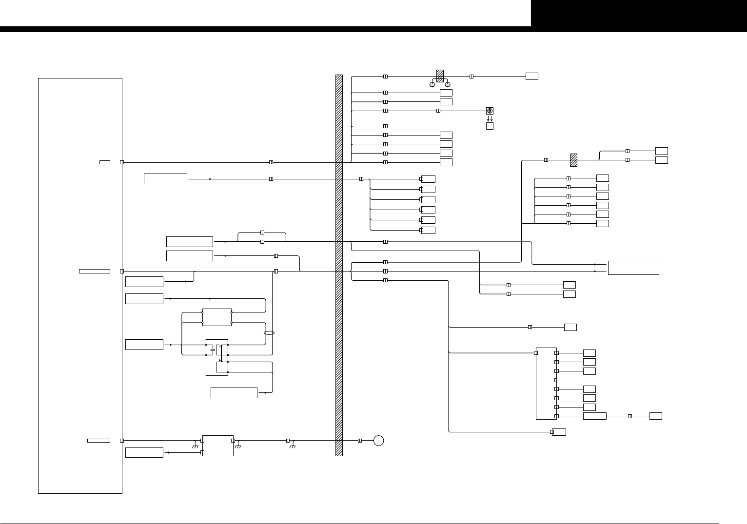
PAGE
I/O CONVEYOR BOARD ASSY P025
W ORG
Y-MZ SAFE
CONV SLOW
+24V
Y-MYZ-SAFE
CN1
CN3CN2
DCN1POWER CIRCUIT
□60 MAX 300rpm
+24V
CONV SLOW
Y-MYZ-SAFE
Y-MZ SAFE
W ORG
+24V+24V
CVM CVM
ROLL BREAKROLL BREAK
PNP CHANGER
CL JUNC
Y ORG
Y OT
Y ORG
Y OT
T0110034
J0037
CV VALVECV VALVE
PCB FIX BK
FLAP UP
CL UP
CL ROLLING
MAIN ST UP
EXIT ST UP
X ORGOT X ORGOT
CN8
J0402 J0419
CV VALVE
J0404
C/V MOTOR 2 CN33
CN33
CN17F.TERMINAL BOARD
UNIT2 OT
UNIT2 ORG
KM12A
CONVEYOR DRIVER 2
CL2
U2
W2-AXIS ORG
CONV2 SLOW
CL2 CLEANING UP
CONV2 MAIN STOPPER UP
CONV2 EXIT STOPPER UP
Y2-AXIS ORG
Y2-AXIS OT
N0110356
N0110350
N0110351
N0110352
N0110353
N0110354
N0110355
T0110006
T0110007
T0110010
T0110011
T0110012
T0110013
CL-R2 HI
CL-R2 LOW
CL-L2 HI
N01102E4
N01102E5
SOLVENT PUMP ON2
T01100C1
N01103E3
N0110390
SQ002
SQ004
YB002
CONVEYOR MOTOR 2 30WCV2M
J0425
J0423
J0421
J0157 J0159 J0161
J0433
J0435
M26
CV VALVE
SQ020
SQ006
SQ024A
SQ024B
YV020
SQ008
SQ032
SQ034
SQ036
SQ040
SQ042
UNIT 2 ORG
UNIT 2 OT
JCN1
JCN2
JCN3
JCN5
JCN6
JCN7
JCN8
CN21
I/O CONV.BOARD
CN23
0V
14 IN+ OUT+ 8
13 IN- OUT-12
PUMP PWR
0V
+24VF6
PUMP
CN4
POWER CIRCUIT
KM12A
PUMP ERR2
PUMP ON2
PUMP SIGNAL2
T01100C3
T01100C1
I/O CONV.BOARD
BRAKE
I/O CONV.BOARD
CN10
CN12,48
I/O CONV.BOARD
W2 BRAKE W2 BRAKE
X2-FLEX
CL I/O CL I/O J0433
CONV EXIT CONV EXIT CONV2 EXIT
W-MZ SAFEW-MZ SAFE W-MZ SAFEW-MZ SAFE
N0110357
J0441
SQ022
J0101
See Page 2
DI13
See Page 2
I/O CONVEYOR -7-
EXT ST ON
EXT ST OFF
EXT ST ON
EXT ST OFF
N01102C0
CONV2 FIXPOS
N01102C1
N01102C2
N01102C3
N01102C4
N01102C5
N01102C6
N01102C7
J0439
SQ062
SQ064
SQ052
SQ058
SQ066
SQ068
SQ074
SQ076
CONV2 ENT
F-FLAP OFF F-FLAP OFF
F-FLAP ON F-FLAP ON F-FLAP2 ON
F-FLAP2 OFF [F-FLAP1 OFF]
[F-FLAP1 ON]
[CONV1 ENT]
[CONV1 FIXPOS]
[R-FLAP1 HI]
[R-FLAP1 LOW]
MAIN STOP2 OFF
MAIN STOP2 ON
[MAIN STOP1 OFF]
[MAIN STOP1 ON]
U12
[CL-R1 HI]
[CL-R2 LOW]
[CL-L2 HI]
SOLVENT SOLVENT SOLVENT EMPTY2
SQ044
[SOLVENT EMPTY1]
[SOLVENT PUMP ON1]
[CONVEYOR MOTOR 1 30W]
[Y1-AXIS ORG]
[Y1-AXIS OT]
GAUZE ROLLING FIXED2 [GAUZE ROLLING FIXED1]
CV FIX POSCV FIX POS
CONV ENT CONV ENT
R-FLAP OFF R-FLAP OFF
R-FLAP ON R-FLAP ON
M.ST OFF M.ST OFF
M.ST ON M.ST ON
F FLAP F FLAP
[CL1 CLEANING UP]
[CONV1 MAIN STOPPER UP]
[CONV1 EXIT STOPPER UP]
EXIT STOP2 ON
EXIT STOP2 OFF
[CONV1 EXIT]
[CONV1 SLOW]
[EXIT STOP1 ON]
[EXIT STOP1 OFF]
P12 CN2
P012
See Page 13
See Page 8
See Page 11
See Page 12
See Page 13
See Page 8
See Page 14
KA04
52
1 14
51
0 13
KA06
KA02 OUT- 1
YV012
YV014
YV016
YV018
YV022
YV031
PUMP PWR2
PUMP PWR2
+24V
N01103B5
W2-AXIS MZB MOVABLE [W1-AXIS MZA MOVABLE]
[W1-AXIS ORG]
Y2-AXIS MZA MOVABLE [Y1-AXIS MZB MOVABLE]
CONV2 PCB FLAP
CONV2 BREAKE
[CONV1 PCB FLAP]
[CONV1 BREAKE]
CL2 GAUZE ROLLING [CL1 GAUZE ROLLING]
CL2 GAUZE ROLL
CL2 ROLL BACK END
Y2-AXIS CL2-MOVABLE
[CL1 GAUZE ROLL]
[CL1 ROLL END]
[Y1-AXIS CL1-MOVABLE]
In case that PCB transportation is L⇒R, refer to written inside brakets:[XXXXXX]
J0451
J0443X SENSOR X SENSOR
CV2 I/O1 CV I/O1
CV2 I/O2 CV I/O2
CV I/O2 CV I/O2
P12 CN3
SQ054
SQ056
Y2-AXIS MZB-MOVABLE [Y1-AXIS MZA-MOVABLE]
SQ078
SQ080
1
2
3
4
5
6
7
8
IN
D1500T-BOX
XT71
R-FLAP2 OFF
R-FLAP2 ON
FLEXIBLE
DUCT Y2
FLEXIBLE
DUCT FB
FLEXIBLE
DUCT W2-MZB
I/O CONV.BOARD -6-
J0513 J0507
N01102E6
N01102F0
N01102F1
N01102F2
N01102F3
CC.V5
9
I/O CONVEYOR -2-
YSP20