YSP20_cwd_je - 第27页
Condential & Proprietary H022182 Y SP20 P AGE 24 Air circuit

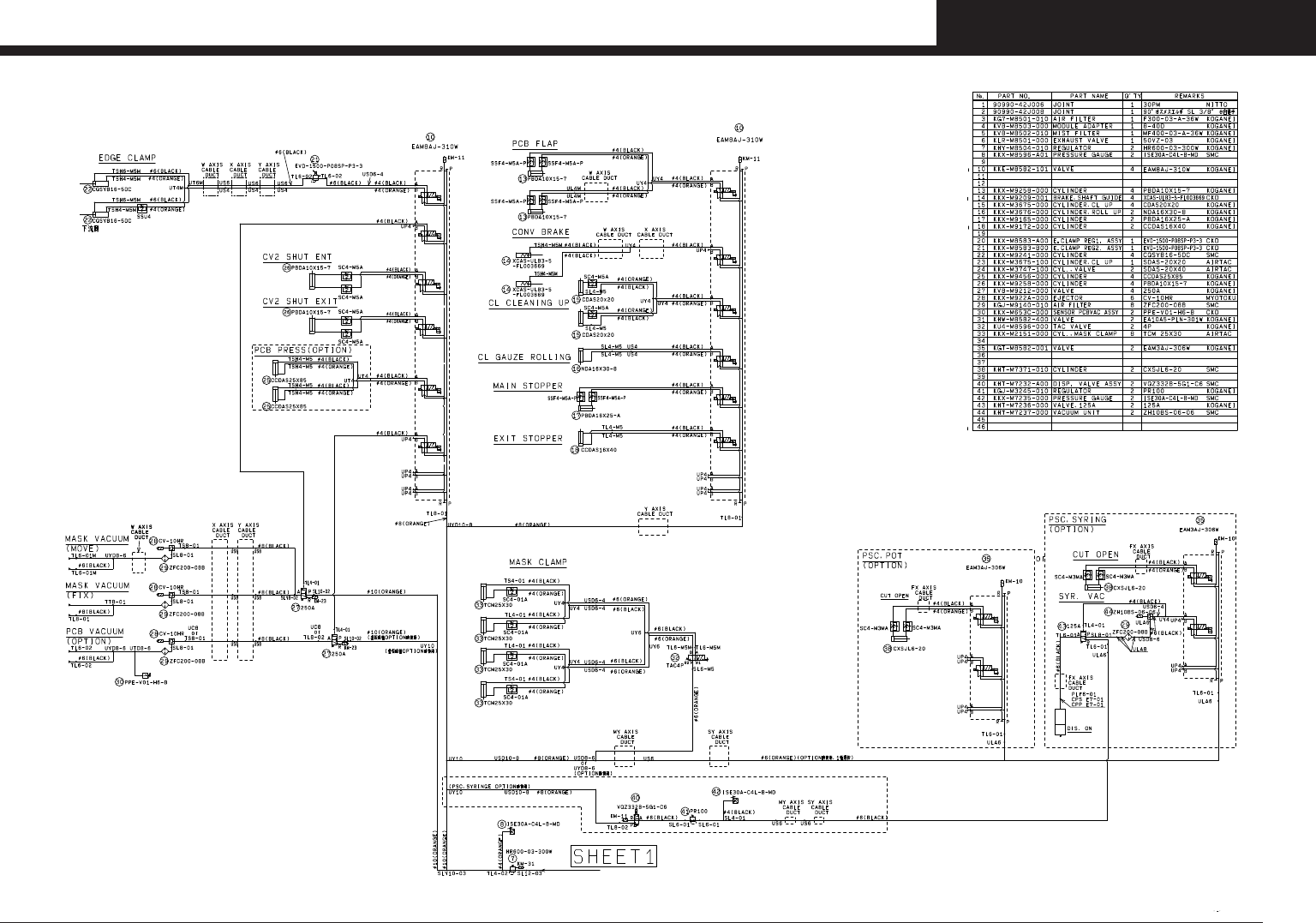
Condential & Proprietary
H022182
YSP20
PAGE
23
Air circuit

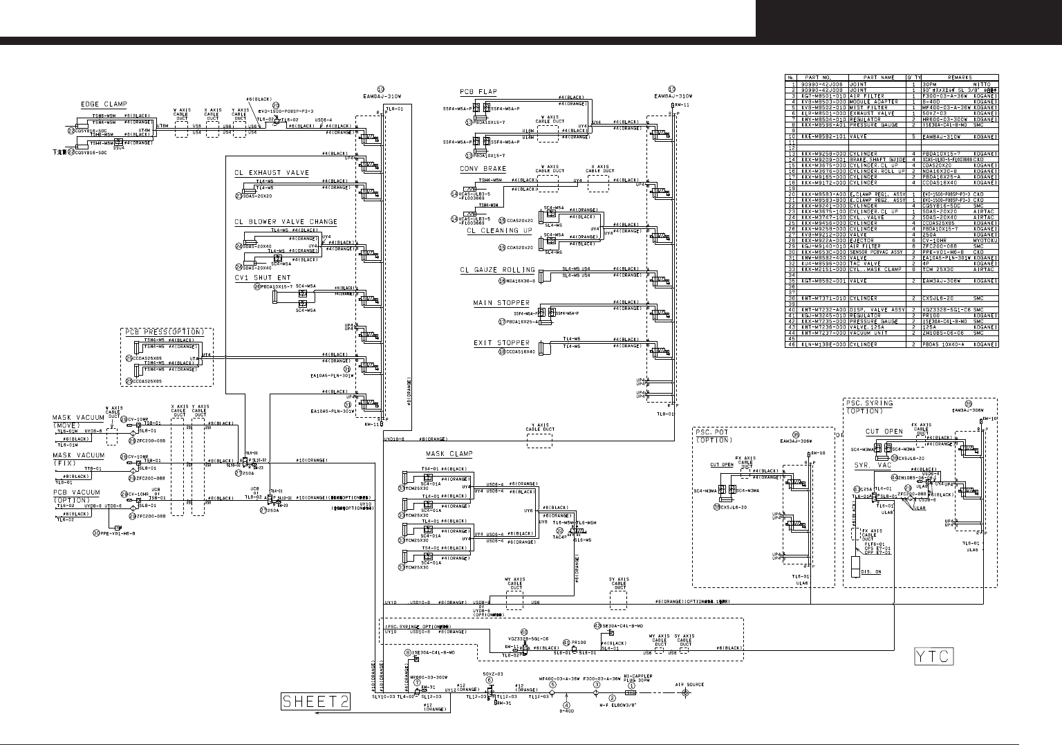
Condential & Proprietary
H022182
YSP20
PAGE
24
Air circuit

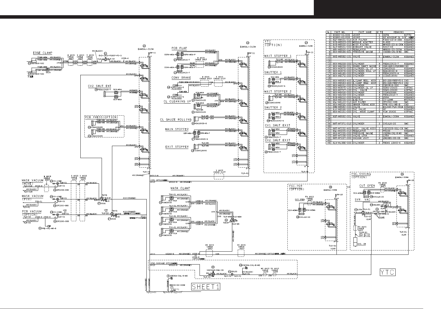
Condential & Proprietary
H022182
YSP20
PAGE
25
Air circuit