YSP20_cwd_je - 第5页
Confidential & Proprietary P A GE J0025 J0004 R3 S3 TC11 240V 0V 190V 200V 208V 220V 240V 0V 190V 200V 208V 220V 0V 100V 0V 0V 100V 100V 1.5KVA U10B V10B U10B V10B QF61 15A U10A V10A At the UPS specification SERVO BR…

Confidential & Proprietary
PAGE
POWER CIRCUIT
QF12 15A
Main Breaker
2∼
Transformer
Circuit
Protector
1∼ AC100V
QF21 10A
1∼ AC100V
AIR CON.(OPTION)
OPERATION PANEL SEL.
P025
P021
HEAD SENSOR,VALVE
HEAD SENSOR,VALVE
I/O SHEAD A
I/O SHEAD B
P022
(OPTION)
BARCODE READER
USB MEMORY
CAMERA UNIT SEL.
CAM
COMU
COMU
DC24V
DC24V
COMU
DC24V
DC24V
COMU
Contactor
CONVEYOR MOTOR POWER
DC24V
KM12/KM12A
3∼ AC230V
Noise
Filter
NF12
Noise
Filter
3∼
AC220V
3∼
AC220V
INVERTER
BLOWER MOTOR
3∼
AC220V
3∼ AC230V
NF13
1∼ AC100V
DC24V
M27
DC24V
See Page 2
See Page 7
See Page 8-14
See Page 15
See Page 16
See Page 17,18
See Page 19
See Page 21
A31
P081
P082
I/O CONVEYOR
A1
SYSTEM
CONTROL BOX
POWER:
+12V/+5V/+3.3V(DC)
Each Motors
See Page 20
1.0KVA(STD)
TC11
COMU
FAN
VALVE
SENSOR
CONVEYOR MOTOR 30W
SIGNAL TOWER
COVER S/W
EMG S/W
COMU
COMU
RAS
PWR
EMERGENCY CIRCUIT
circuits
Internal
Safety
input
Safety
output
Test
output
See Page 3-5
A21
SAFETY CONTROLLER
Each Motors
Main Switch
Main Breaker
POWER TRANSFORMER
TERMINAL
3∼
3∼
QS11 40A QF11 20A QF31 10A
Circuit
ProtectorTransformer
Terminal
XB11
200/208/220/240
380/400/416
3∼ 50/60Hz
TM11 5.18KVA
3∼ AC230V
Contactor
3∼ AC230V 3∼ AC230V
CONVEYOR MOTOR POWER
DC24V
NF11
Noise
Filter
3∼ AC230V
1∼ AC100V
DC24V
KM11/KM11A
Rating 7.0KVA MAX.
3∼ 230V 0-375Hz
See Page 6
A2
SERVO
MOTOR:3∼ 230V
CONTROL:1∼ 100V
INPUT:
OUTPUT:
CONTROL BOX 1
AC50/60Hz 4.0A(MAX)
AC50/60Hz 9.3A(MAX)
DRIVER
1:2.36KW(TOTAL)
2:1.66KW(TOTAL)
3:0.60KW(TOTAL)
STANDARD
PSC
3:1.72KW(TOTAL)
7:1.30KW(TOTAL)
YTC
3∼ 230V 0-375Hz
SERVO
MOTOR:3∼ 230V
CONTROL:1∼ 100V
INPUT:
OUTPUT:
AC50/60Hz 4.0A(MAX)
AC50/60Hz 9.3A(MAX)
DRIVER
STANDARD
PSC
YTC
A3
See Page 7
PAS
PWR
CONTROL BOX 2
4:2.36KW(TOTAL)
5:1.66KW(TOTAL)
6:0.60KW(TOTAL)
6:1.72KW(TOTAL)
8:1.30KW(TOTAL)
COMU
DC24V
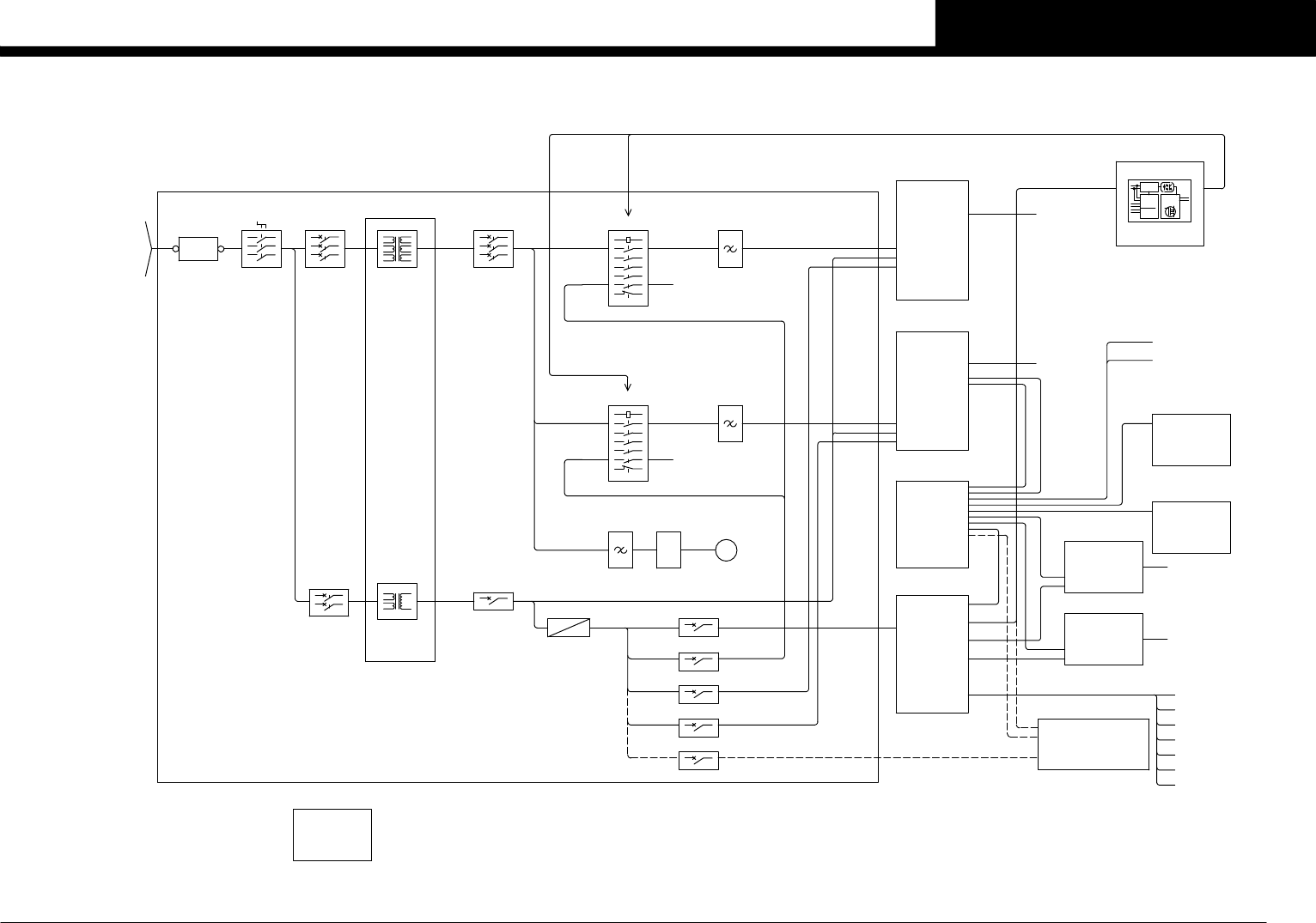
INTERCONNECTION DIAGRAM
See YTC
YTC
BUFFER CONVEYOR(OPTION)
1.5KVA(with UPS
or with YTC)
DC24V
Power Supply
QF41 7A
QF42 3A
GS21 600W 27A
DC24V
DC24V
DC24V
DC24V DC24V
DC24V
QF44 5A
QF43 5A
QF45 5A
CC.V5
1
OVER VIEW
YSP20

Confidential & Proprietary
PAGE
J0025
J0004
R3
S3
TC11
240V
0V
190V
200V
208V
220V
240V
0V
190V
200V
208V
220V
0V
100V
0V
0V
100V
100V
1.5KVA
U10B
V10B
U10B
V10B
QF61 15A
U10A
V10A
At the UPS specification
SERVO BRAKE
DC24V
CONTROL
AC100V:
POWER
MOTOR
DRIVE
AC230V:
CONTROL BOX-2 A3
SERVO
GND
+5V
GND
+5V
GND
+12V
+3.3V
GND
GND
GND
+5V
+5V
SERVO BRAKE
DC24V
CONTROL BOX-1 A2
SERVO
CONTROL
AC100V:
POWER
MOTOR
DRIVE
AC230V:
SYSTEM
MYA-FLEX
MYB-FLEX
I/O SHEAD
I/O SHEAD
SYA-FLEX
SYB-FLEX
≧AWG10(5.3sq)
MAX750V/44A
XB11
L1
L2
L3
PE
L1
L2
L3
U50
V50
W50
J0006
W51
V51
U51
W51
V51
U51
J0011
W51
V51
U51
4/T2
1/L1 2/T1
3/L2
5/L3 6/T3
4/T2
1/L1 2/T1
3/L2
5/L3 6/T3
KM12A
W52
V52
W52
V52
U52 U52
J0007
U55
V55
W55W55
V55
U55
J0008
NF12
W54
V54
U54
U57
V57
W57
J0010
V10B
U10B
V10
XT21
J0028
U11A
V10
J0029
+24V
0V24
J0035
J0037
2
1
2
1
P025
J0012
4
3
2
1
I/O CONVEYOR BOARD
1
2
3
4
+24V2
+24V
CN1
+24VC3
+24VC2
B6
A6
B5
A5
B4
A4
B3
A3
B2
A2
B1
A1A1
B1
A2
B2
A3
B3
A4
B4
A5
B5
A6
B6
CN28
7473
J0036
QF21 10A
J0082
1
2
3
S2 AC230V
S2 ACIN
1
2
3
S2 EXT.PWR
J0040
A1
B1
A2
B2
・
A6
B6
A7
B7
A8
B8
・
B10
20
19
18
17
16
15
14
13
12
11
10
9
8
7
6
5
4
3
2
1
PWR SRV CR
20
19
18
17
16
15
14
13
12
11
10
9
8
7
6
5
4
3
2
1
J0038
PWR SYS CR
J0028
1
2
3
S1 AC230V
S1 ACIN
J0028
1
2
3
A1
B1
A2
B2
・
A6
B6
A7
B7
A8
B8
・
B10
F EXT.PWR
J0009
2
1
2
1
J0039
KM11A 73 KM11A 74
E E
6
5
4 1
2
3
MAX500V/10A
MAX500V/10A
E E
6
5
4
3
2
1
2
1
1.85A
0V
+24V
P021
2
1
1.85A
0V
+24V
P022
SCN16
1
2
1
2
SCN16
J0048
J0049
2
11
2
2
11
2
S PWR
S PWR
J0047
J0046
J0045
J0044
2
1
S PWR
1
2
2
1
S PWR
1
2
2
1
2
1
2
1
2
1
S2 PWR
S1 PWR
KM11A
KM12A 73 KM12A 74
7473
GS21
-
-
+
+
E
N
L
600W 27A
J0034
+24V
+24V
+24V
QF42 3A
+24VA
+24VB
+24VC
QF41 7A
J0006
W51
V51
U51
W51
V51
U51
T L3/N
S L2
R L1
E
4/T2
1/L1 2/T1
3/L2
5/L3 6/T3
4/T2
1/L1 2/T1
3/L2
5/L3 6/T3
KM12A
W52
V52
U52
W55
V55
U55
U51
V51
W51
7473
J0036
J0077
KM11A 73 KM11A 74
KM11A
KM12A 73 KM12A 74
7473
NF13
J0011
U50
V50
W50 W51
V51
U51
J0012
2
1 CONVEYOR1
DRIVER
2
1 CONVEYOR1
DRIVER
2
1
F LCD+12V
J0577/579
2
1
R LCD+12V
J0578/580
NF11
MAX460V/5.2A
BOARD-B
BOARD-A
[I/O SHEAD
[I/O SHEAD
BOARD-A]
BOARD-B]
J0077
J0078
MAX600V/40A
P011
P012
QF31 10A
J0071
BRACKET MAIN SWITCH
R1 T1
T2
T3
L1
L2
L3
Icu≧6KA(AC440V)
NOTE:
MAX690V
QF11 20A
T2
S2
R2L1
L2
L3
R1
S1
T1
MAX690V/40A
L1
L2
L3
T1
T2
T3
QS11
J0001
J0001
T1
S1
In case that PCB transportation is L⇒R,and
main switch position is in front(lane1 side)
KM11
MAX660V/13A
MAX660V/13A
KM12
QF31 10A
See Page6
See Page7
See Page7
KM11
MAX660V/13A
MAX660V/13A
KM12
+24V
T2
R2
S2
J0022
J0021
J0020
J0019
J0018
J0016
J0015
J0014
J0017
J0005
U50
V50
W50
J0072
J0073
J0074
5.18KVA(13A)
W
V
U
TM11
240V
220V
208V
200V
190V
0V
240V
220V
208V
200V
190V
0V
240V
220V
208V
200V
190V
0V
240V
220V
208V
200V
190V
0V
240V
220V
208V
200V
190V
0V
240V
220V
208V
200V
190V
0V
N
230V
230V
230V
200V
200V
200V
See Page 20
J0003
J0043
J0083
J0075
J0076
J0023
J0024
J0060
1TURN
E01
J0002
R1
S1
T1
T2
L1
L2
Icu≧6KA(AC440V)
NOTE:
MAX690V
QF12 15A
R3
S3
S3
R3
J0004
J0024
J0023
U10B
V10B
J0025
J0075
J0076
1.5KVA(with YTC)
100V
240V
0V
190V
200V
208V
220V
100V
0V
220V
208V
200V
190V
0V
240V
100V
0V
0V
TC11
See Page 20
1KVA(STANDARD)
U10
V10
UPS IN
UPS OUT
GB1
SIGNAL
UPS
XT21
QF21
EXT.PWR
SRV C/R2
See Page 7
J0061
J0063
*
Residual risk
when MAIN SW QS11 is OFF.
!
High Voltage
・Secondary side of UPS.
・Chemical capacity for motor power in
・Between INCOMING SUPPLY TERMINAL BLOCKS XB11
and MAIN SW QS11.
SERVO CONTROL BOX A2 and A3.
*The charge mark is put on the place
that might be gotten an electric shock.
・Near the MAIN SW QS11.
・Lower of INCOMING SUPPLY TERMINAL BLOCKS XB11.
・Around J0001 harness.
・On the cover at the front lower left.
・On the cover at the front lower center.
・On the cover at the front lower right.
・On the cover at the rear lower left.
・On the cover at the rear lower center.
・On the cover at the rear lower right.
・On the cover at the front lower.(YTC OP.)
・On the cover at the rear lower.(YTC OP.)
・On the cover of the front relay panel.(YTC OP.)
・On the cover of the rear relay panel.(YTC OP.)
LCD POWER
LCD POWER
LCD1
LCD2
J1004
YTC(OPTION)
See YTC INTERCONNECTION DIAGRAM
+24V
0V24
XT41
0V24
0V24
MAX600V/40A
0V24
0V24
J1003
QF43 5A
QF44 5A
+24VD
J0081
J0050
BLOWER MOTOR
J0457
E
E
U
V
W
U51
V51
W51
J0013
U5A
V5A
W5A
NF13
1
2
3
2
1
1
2
3
2
1
J0079
CN23
I/O CONV.BOARD
I/O CONV.BOARD
See Page 12
See Page 8
INV DI
BLOWER DO
M27
CN2
BLOWER ON
0V
AL0
AL1
P24
P24
P24
1
2
3
4
5
L
AL0
AL1
AL2
W/T3T/L3
U5A
V5A
W5A
A31
J0080
E02
1TURN
L3
L2
L1
L3'
L2'
L1'
J0026
PLC
L
R/L1
S/L2 V/T2
U/T1
INVERTER
W5B W5B
V5B
U5B
V5B
U5B
MAX480V/7A
CC.V5
2
POWER CIRCUIT
YSP20

Confidential & Proprietary
PAGE
SRV6 GOOD
SRV5 GOOD
SRV4 GOOD
3
2
1
3
2
1
3
2
1
GOOD
3
2
1
GOOD
GOOD
3
2
1
GOOD
GOOD
3
2
1
GOOD
SPARE(ENABLE SW EMG)
N01103A7
N01103A6
N01103A5
EMG18
N01103A3
EMG17
N01103A2
N01103A4
N01103A1
EMG16
EMG14
EMG15
N0110397
N01103A0
EMG12
EMG13
N0110396
EMG6
B30
A30
B29
A29
B28
A28
B27
A27
B26
A26
B25
A25
B24
A24
B23
A23
B22
A22
B21
A21
B20
A20
B19
A19
B18
A18
B17
A17
B16
A16
B15
A15
B14
A14
B13
A13
B12
A12
B11
EMG22
EMG21
EMG20
EMG19
0V
+24VB2
+24E
E12A
E11A
E13A
E12A
EMG16
E13A
E11A
EMG6
EMG11
E12A
B30
A30
B29
A29
B28
A28
B27
A27
B26
A26
B25
A25
B24
A24
B23
A23
B22
A22
B21
A21
B20
A20
B19
A19
B18
A18
B17
A17
B16
A16
B15
A15
B14
A14
B13
A13
B12
A12
B11
A1
B1
A2
B2
A3
B3
A4
B4
A5
B5
A6
B6
A7
B7
A8
B8
A9
B9
A10
B10
A11
EMG10
+24VS3
0V
+24VS3
0V
+24VS3
CN11
A1
B1
A2
B2
A3
B3
A4
B4
A5
B5
A6
B6
A7
B7
A8
B8
A9
B9
A10
B10
A11
CN11
EMG4
EMG3
EMG5
EMG5
EMG6
EMG7
EMG8
EMG9
EMG11
EMG12
N0110384
N0110385
N0110386
N0110387
N0110390
N0110391
N0110392
N0110393
N0110394
N0110395
Y2OT
X2OT
Y1OT
1
2
3
4
5 5
4
3
2
1
LOGIC
NON-CONTACT SW
N01103A4
1
2
3
4
5 5
4
3
2
1
N01103A5
LOGIC
NON-CONTACT SW
MYB1
1
2
3
4
5 5
4
3
2
1
LOGIC
NON-CONTACT SW
MYB2
N01103A6
MYB2 ESC MY2 ESC
2
1 1
2
2
1 1
2
MYB1 ESC MY1 ESC
0V
0V
So0
So1
So2
So3
So4
So5
So6
So7
Si0
0V
Si2
Si3
Si4
Si5
Si6
Si7
Si8
Si9
Si10
Si11
Si12
Si13
Si14
Si15
Si16
Si17
Si18
Si1
circuits
Internal
Safety
input
circuit
V1
G1
Safety
output
circuit
V2
G2
Si19
Test
output
circuit
*DIP SW
OFF
ON
1 2 3 4
Si0:EMG
Si3:
Si13:
Si14:
Si15:
Si16:
Si17:
Si18:
:So6
:So7
SAFETY CONTROLLER A21
T1
T0
T2
T3
T4
T5
RESET:T0
FEEDBACK:T1
:T2
:T3
2
1 1
2
COVER
1
2
3
4
5 5
4
3
2
1
LOGIC
NON-CONTACT SW
CV1
1
2
3
4
5 5
4
3
2
1
MYA1 ESC
1
2
3
4
5 5
4
3
2
1
MYA2 ESC MY2 ESC
654321
654321
321
321
4
4
654321
654321
654321
654321
XY OT
COVER1
COVER2
SAFE OUT
KA01
R RESET
TEST OUT0
0V24
5 +
1 -
16
12
11
15
10
14
9
13
6 +
2 -
7 +
3 -
8 +
4 -
READY OUT2
Y1OT
X2OT
Y2OT
Y1OT A
Y1OT B
X2OT A
X2OT B
Y2OT A
Y2OT B
+24VB2 +24VB2
XT51
11
22
3 3
4 4
5 5
6 6
7 7
+24VB2
+24E
CONTROL BOX ASSY-2 A3
RL7
RL8
RL9
EMG1A
+24VB2
EMG1B
EMG1B
+24VB2
+24VB2
EMG1C
EMG1C
EMG1D
RL1
EMG1
EMG1A
+24VB2
2
3
4
5
6
7
8
9
10
1
11
12
CN48
2
3
4
5
6
7
8
9
10
1
11
12
CN48
2
3
4
5
6
7
8
9
10
1
CN12
2
3
4
5
6
7
8
9
10
1
CN12
EMG0
EMG1
EMG2
EMG3
+24VS3
+24VS3
N0110382
N0110383
MY1SAFE
N01103E7
N01103E1
N01103E5
Y-SAFE
GOOD
SYS C/R
MY2SAFE
X1OT
X1OT
11
22
3 3
4 4
1
2
3
1
2
3
5
6
5
6
UNIT1 OT X2Y12 OT
0V24V
I/O CONVEYOR BOARD ASSY P025
Y1OT
SQ003
1
2
3
1
2
3
Y2OT
X2OT
SQ004
11
22
3 3
4 4
1
2
3
1
2
3
1
2
3
1
2
3
5
6
5
6
UNIT2 OT
4 4
X ORGOT
1 1
・・
X ORGOT
4 4
1 1
・・
3
2
1
3
2
1
2
1
2
1
3
2
1
3
2
1
UNIT1 ORG
5 5
3 3
4 4SQ009
3
2
1
3
2
1
MY2SAFE
1010
3
2
1
3
2
1
3
2
1
3
2
1
MY2SAFEMYSAFE
9 9
・・
1 1
1111
1212
MY2SAFE
SRV3 GOOD
SRV2 GOOD
SRV1 GOOD
SYSTEM
INTERFACE
GOOD
SERVO3
SERVO2
GOOD
GOOD
SERVO1
SERVO
GOOD
GOOD
3
2
1
3
2
1
GOOD
3
2
1
GOOD
3
2
1
GOOD
3
2
1
3
2
1
3
2
1
3
2
1
CONTROL BOX ASSY A1
CONTROL BOX ASSY-1 A2
MYB DI
2
1
2
1
SAFE IN2 SAFE IN2
LOGIC
NON-CONTACT SW
MYA1MY1 ESC
LOGIC
NON-CONTACT SW
MYA2
CN23
I/O CONV.BOARD
X OT
Y OT
Y OT
Y SAFE Y SAFE Y SAFE
EMG
EMG
EMG1
EMG2
Y ESCY2 ESC
Y1 ESC Y ESC
COVER 9
V1
V2
NC1 SW:T4
NC2 SW:T5
FRONT EMG SW
REAR EMG SW
SRV C/R1 GOOD
SRV C/R2 GOOD
Si1:F COVER
Si2:R COVER
Si4:F ESCAPE POS.
Si5:F ESCAPE POS.
Si6:R ESCAPE POS.
Si7:R ESCAPE POS.
Si8:F RESET
Si9:R RESET
Si10:F FEEDBACK
Si11:R FEEDBACK
SAFE CRF OK:So2
SAFE CRR OK:So3
F COVER UP
F COVER LO
F COVER ENT
R COVER UP
R COVER LO
R COVER ENT
F ESCAPE Y
F ESCAPE MYA1
F ESCAPE MYA2
R ESCAPE Y
R ESCAPE MYB1
R ESCAPE MYB2
2
1 1
2
COVER CL
1
2
COVER
2
1
COVER ENT
2
1 1
2
COVERCOVER 9
2
1 1
2
COVER CL
1
2
COVER
2
1
COVER ENT
F COVER SW UP
F COVER SW LO
F COVER SW ENT
R COVER SW LO
R COVER SW UP
R COVER SW ENT
F EMG SW
R EMG SW
See Page 8
SERVO
GOOD
GOOD
3
2
1
3
2
1
3
2
1
GOOD
3
2
1
GOOD
MY1SAFE
3
2
1
3
2
1
MY1SAFE
3
2
1
3
2
1
MYSAFE
1010
9 9
・・
1 1
1111
1212
MYA DI
SQ105
SQ106
SQ201
SQ202
SQ203
SQ211
SQ212
SQ213
SQ311
SQ312
SQ313
SQ301
SQ302
SQ303
SB31
SB32
321
321
SAFE IN1
BUFFER CONVEYOR(OPTION)
CN4
S11S10
I/O CONV. BOARD
KM11 A1
KM11 13
KM11 21
U51
V51
W51
KM11 A2
KM11 14
KM11 22
U52
V52
W52
KM12 A1
KM12 13
KM12 21
U51
V51
W51
KM12 22
KM12 A2
KM12 14
U55
V55
W55
SAFEC/R R OK N01103B3
SAFEC/R F OK N01103B2
CONTACTOR OK R N01103B1
CONTACTOR OK F N01103B0
See Page 13
5
6
5
6
11
22
3 3
4 4
2
3
4
5
6
7
8
9
10
11
12
13
14
15
16
1
CN13
+24VB4
+24VB2
EMG0
CN13
+24E
+24VB3
1
16
15
14
13
12
11
10
9
8
7
6
5
4
3
2
EMG22
EMG22
RL2
T0100037
READY OUT FRONT
N01003B6
5
6
1
2
3
4
+24V EMG
SHORT
1
2 2
1
21
21
See Page 5
Si19
X OT
T01100C4
I/F GOOD
SRVCR1 GOOD
SRVCR2 GOOD
YTC(OPTION)
INTERCONNECTION DIAGRAM
See YTC
So4
So5
+24V
Si12
Si12:KLN EMG
CONT F ON:So0
CONT R ON:So1
CONT F ON SIG.:So4
CONT R ON SIG.:So5
SERVO7
SRV7 GOOD
SRV8 GOOD
SERVO8
SERVO4
SERVO5
SERVO6
SQ013
SQ014
CV2
N01103A1
N01103A2
N01103A3
NOTE1
As for the difference in the old and the new model,
the indication of terminal number changes.
When use the old model(KGS-M537G-00X/10X), see the
INTERCONNECTION DIAGRAM of version 4.
NOTE1:KM11/KM11A and KM12/KM12A use the new model(KGS-M537G-01X/11X).
KM11 63
KM11 73
KM11 83
KM11 93
A1
13
1/L1
3/L2
5/L3
21
A2
14
2/T1
4/T2
6/T3
22
63
73
83
93
64
74
84
94
KM11/KM11A
KM11 64
KM11 74
KM11 84
KM11 94
KM12 63
KM12 73
KM12 83
KM12 93
A1
13
1/L1
3/L2
5/L3
21
A2
14
2/T1
4/T2
6/T3
22
63
73
83
93
64
74
84
94
KM12/KM12A
KM12 64
KM12 74
KM12 84
KM12 94
NOTE1
CC.V5
3
EMERGENCY CIRCUIT(R⇒L)
YSP20