YSP20_cwd_je - 第8页
Confidential & Proprietary P A GE - +24VB2 + KM11 KM12 A1 A1 A2 A2 CN4 I/O CONV. B OARD GND + - Si1 G1 V1 Si0 Si2 T4 Si4 Si5 Si6 T5 Si7 F[R] COVER UP F[R] COVER LO F[R] COVER ENT R[F] COVER UP R[F] COVER LO R[F] COVE…

Confidential & Proprietary
PAGE
SRV6 GOOD
SRV5 GOOD
SRV4 GOOD
3
2
1
3
2
1
3
2
1
GOOD
3
2
1
SERVO3
GOOD
GOOD
3
2
1
SERVO2
GOOD
GOOD
3
2
1
SERVO1
GOOD
SPARE(ENABLE SW EMG)
N01103A7
N01103A6
N01103A5
EMG18
N01103A3
EMG17
N01103A2
N01103A4
N01103A1
EMG16
EMG14
EMG15
N0110397
N01103A0
EMG12
EMG13
N0110396
EMG6
B30
A30
B29
A29
B28
A28
B27
A27
B26
A26
B25
A25
B24
A24
B23
A23
B22
A22
B21
A21
B20
A20
B19
A19
B18
A18
B17
A17
B16
A16
B15
A15
B14
A14
B13
A13
B12
A12
B11
EMG22
EMG21
EMG20
EMG19
0V
+24VB2
+24E
E12A
E11A
E13A
E12A
EMG16
E13A
E11A
EMG6
EMG11
E12A
B30
A30
B29
A29
B28
A28
B27
A27
B26
A26
B25
A25
B24
A24
B23
A23
B22
A22
B21
A21
B20
A20
B19
A19
B18
A18
B17
A17
B16
A16
B15
A15
B14
A14
B13
A13
B12
A12
B11
A1
B1
A2
B2
A3
B3
A4
B4
A5
B5
A6
B6
A7
B7
A8
B8
A9
B9
A10
B10
A11
EMG10
+24VS3
0V
+24VS3
0V
+24VS3
CN11
A1
B1
A2
B2
A3
B3
A4
B4
A5
B5
A6
B6
A7
B7
A8
B8
A9
B9
A10
B10
A11
CN11
EMG4
EMG3
EMG5
EMG5
EMG6
EMG7
EMG8
EMG9
EMG11
EMG12
N0110384
N0110385
N0110386
N0110387
N0110390
N0110391
N0110392
N0110393
N0110394
N0110395
1
2
3
4
5 5
4
3
2
1
LOGIC
NON-CONTACT SW
N01103A4
1
2
3
4
5 5
4
3
2
1
N01103A5
LOGIC
NON-CONTACT SW
1
2
3
4
5 5
4
3
2
1
LOGIC
NON-CONTACT SW
N01103A6
MYB2 ESC MY2 ESC
2
1 1
2
2
1 1
2
MYB1 ESC MY1 ESC
0V
0V
So0
So1
So2
So3
So4
So5
So6
So7
Si0
0V
Si2
Si3
Si4
Si5
Si6
Si7
Si8
Si9
Si10
Si11
Si12
Si13
Si14
Si15
Si16
Si17
Si18
Si1
circuits
Internal
Safety
input
circuit
V1
G1
Safety
output
circuit
V2
G2
Si19
Test
output
circuit
*DIP SW
OFF
ON
1 2 3 4
Si0:EMG
Si3:
Si13:
Si14:
Si15:
Si16:
Si17:
Si18:
:So6
:So7
SAFETY CONTROLLER A21
T1
T0
T2
T3
T4
T5
RESET:T0
FEEDBACK:T1
:T2
:T3
2
1 1
2
COVER
1
2
3
4
5 5
4
3
2
1
LOGIC
NON-CONTACT SW
1
2
3
4
5 5
4
3
2
1
MYA1 ESC
1
2
3
4
5 5
4
3
2
1
MYA2 ESC MY2 ESC
654321
654321
321
321
4
4
654321
654321
654321
654321
XY OT
COVER1
COVER2
SAFE OUT
KA01
R RESET
TEST OUT0
0V24
5 +
1 -
16
12
11
15
10
14
9
13
6 +
2 -
7 +
3 -
8 +
4 -
READY OUT2
Y1OT
X2OT
Y2OT
Y1OT A
Y1OT B
X2OT A
X2OT B
Y2OT A
Y2OT B
+24VB2 +24VB2
XT51
11
22
3 3
4 4
5 5
6 6
7 7
+24VB2
+24E
CONTROL BOX ASSY-2 A3
RL7
RL8
RL9
EMG1A
+24VB2
EMG1B
EMG1B
+24VB2
+24VB2
EMG1C
EMG1C
EMG1D
RL1
EMG1
EMG1A
+24VB2
2
3
4
5
6
7
8
9
10
1
11
12
CN48
2
3
4
5
6
7
8
9
10
1
11
12
CN48
2
3
4
5
6
7
8
9
10
1
CN12
2
3
4
5
6
7
8
9
10
1
CN12
EMG0
EMG1
EMG2
EMG3
+24VS3
+24VS3
N0110382
N0110383
MY1SAFE
N01103E7
N01103E1
N01103E5
Y-SAFE
GOOD
SYS C/R
MY2SAFE
11
22
3 3
4 4
1
2
3
1
2
3
5
6
5
6
UNIT1 OT X2Y12 OT
0V24V
I/O CONVEYOR BOARD ASSY P025
SQ003
1
2
3
1
2
3
SQ004
11
22
3 3
4 4
1
2
3
1
2
3
1
2
3
1
2
3
5
6
5
6
UNIT2 OT
4 4
X ORGOT
1 1
・・
X ORGOT
4 4
1 1
・・
3
2
1
3
2
1
2
1
2
1
3
2
1
3
2
1
UNIT1 ORG
5 5
3 3
4 4SQ009
3
2
1
3
2
1
MY2SAFE
1010
3
2
1
3
2
1
3
2
1
3
2
1
MY2SAFEMYSAFE
9 9
・・
1 1
1111
1212
MY2SAFE
SRV3 GOOD
SRV2 GOOD
SRV1 GOOD
SYSTEM
INTERFACE
GOOD
GOOD
GOOD
SERVO
GOOD
GOOD
3
2
1
3
2
1
GOOD
3
2
1
GOOD
3
2
1
GOOD
3
2
1
3
2
1
3
2
1
3
2
1
CONTROL BOX ASSY A1
CONTROL BOX ASSY-1 A2
MYB DI
2
1
2
1
SAFE IN2 SAFE IN2
LOGIC
NON-CONTACT SW
MY1 ESC
LOGIC
NON-CONTACT SW
CN23
I/O CONV.BOARD
X OT
Y OT
Y OT
Y SAFE Y SAFE Y SAFE
EMG
EMG
EMG1
EMG2
Y ESCY2 ESC
Y1 ESC Y ESC
COVER 9
V1
V2
SRV C/R1 GOOD
SRV C/R2 GOOD
2
1 1
2
COVER CL
1
2
COVER
2
1
COVER ENT
2
1 1
2
COVERCOVER 9
2
1 1
2
COVER CL
1
2
COVER
2
1
COVER ENT
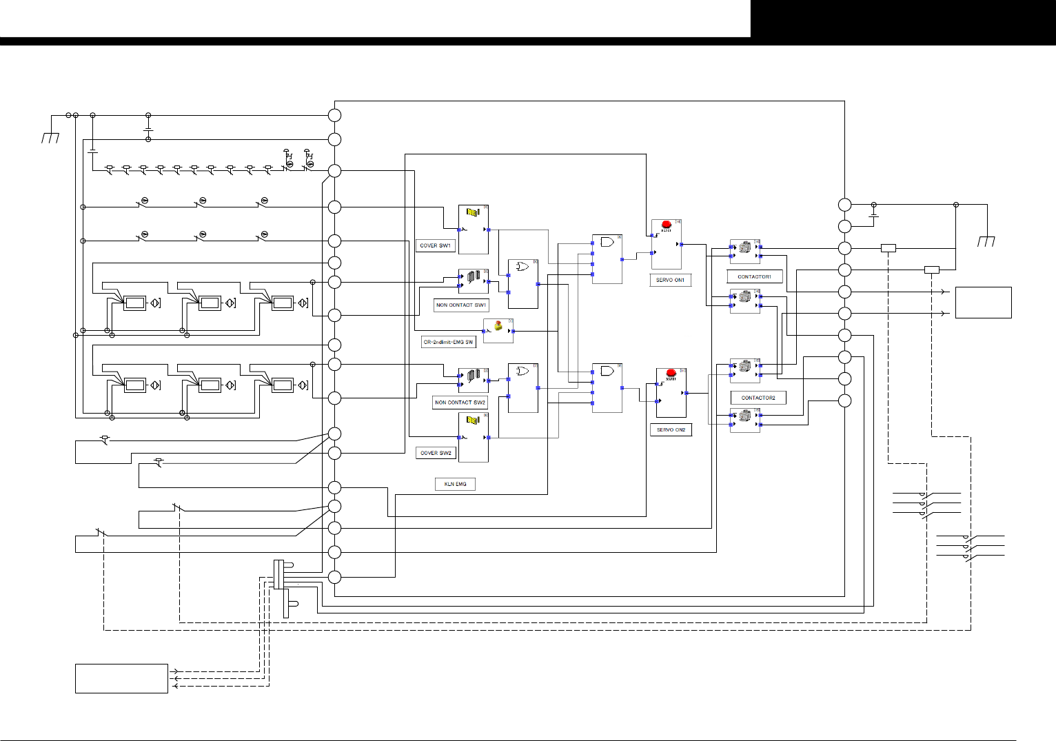
See Page 8
SERVO
GOOD
GOOD
3
2
1
3
2
1
3
2
1
GOOD
3
2
1
GOOD
SERVO7
SERVO8
MY1SAFE
3
2
1
3
2
1
MY1SAFE
3
2
1
3
2
1
MYSAFE
1010
9 9
・・
1 1
1111
1212
MYA DI
SQ105
SQ106
SQ201
SQ202
SQ203
SQ211
SQ212
SQ213
SQ311
SQ312
SQ313
SQ301
SQ302
SQ303
SB31
SB32
321
321
SAFE IN1
BUFFER CONVEYOR(OPTION)
CN4
S11S10
I/O CONV. BOARD
KM11 A1
KM11 13
KM11 21
U51
V51
W51
KM11 A2
KM11 14
KM11 22
U52
V52
W52
KM12 A1
KM12 13
KM12 21
U51
V51
W51
KM12 22
KM12 A2
KM12 14
U55
V55
W55
See Page 13
5
6
5
6
11
22
3 3
4 4
2
3
4
5
6
7
8
9
10
11
12
13
14
15
16
1
CN13
+24VB4
+24VB2
EMG0
CN13
+24E
+24VB3
1
16
15
14
13
12
11
10
9
8
7
6
5
4
3
2
EMG22
EMG22
RL2
T0100037
N01003B6
5
6
1
2
3
4
+24V EMG
SHORT
1
2 2
1
21
21
See Page 5
So4
So5
Si19
X OT
T01100C4
X2OT
Y2OT
X1OT
Y1OT
I/F GOOD
SRVCR1 GOOD
X2OT
SRVCR2 GOOD
Y2OT
X1OT
Y1OT
R EMG SW
F EMG SW
R COVER SW UP
R COVER SW LO
R COVER SW ENT
REAR EMG SW
FRONT EMG SW
R COVER UP
R COVER LO
R COVER ENT
F COVER SW UP
F COVER SW LO
F COVER SW ENT
F COVER UP
F COVER LO
F COVER ENT
R ESCAPE Y
F ESCAPE Y
CV2
MYB1
MYB2
CV1
MYA1
MYA2
R ESCAPE MYB1
R ESCAPE MYB2
F ESCAPE MYA1
F ESCAPE MYA2
YTC(OPTION)
INTERCONNECTION DIAGRAM
See YTC
+24V
Si12
READY OUT REAR
Si1:R COVER
Si2:F COVER
Si4:R ESCAPE POS.
Si5:R ESCAPE POS.
Si6:F ESCAPE POS.
Si7:F ESCAPE POS.
Si8:R RESET
Si9:F RESET
Si10:R FEEDBACK
Si11:F FEEDBACK
NC2 SW:T4
NC1 SW:T5
CONTACTOR OK R N01103B0
CONTACTOR OK F N01103B1
SAFEC/R R OK N01103B2
SAFEC/R F OK N01103B3
SAFE CRR OK:So2
SAFE CRF OK:So3
CONT R ON:So0
CONT R ON SIG.:So4
CONT F ON SIG.:So5
CONT F ON:So1
Si12:KLN EMG
SRV7 GOOD
SRV8 GOOD
SERVO4
SERVO5
SERVO6
SQ013
SQ014
N01103A1
N01103A2
N01103A3
KM11 63
KM11 73
KM11 83
KM11 93
A1
13
1/L1
3/L2
5/L3
21
A2
14
2/T1
4/T2
6/T3
22
73
83
93
63 64
74
84
94
KM11/KM11A
KM11 64
KM11 74
KM11 84
KM11 94
NOTE2
As for the difference in the old and the new model,
the indication of terminal number changes.
When use the old model(KGS-M537G-00X/10X), see the
INTERCONNECTION DIAGRAM of version 4.
NOTE2:KM11/KM11A and KM12/KM12A use the new model(KGS-M537G-01X/11X).
KM12 63
KM12 73
KM12 83
KM12 93
A1
13
1/L1
3/L2
5/L3
21
A2
14
2/T1
4/T2
6/T3
22
63
73
83
93
64
74
84
94
KM12/KM12A
KM12 64
KM12 74
KM12 84
KM12 94
NOTE2
CC.V5
4
EMERGENCY CIRCUIT(L⇒R)
YSP20

Confidential & Proprietary
PAGE
-
+24VB2
+
KM11
KM12
A1
A1
A2
A2
CN4
I/O CONV. BOARD
GND
+
-
Si1
G1
V1
Si0
Si2
T4
Si4
Si5
Si6
T5
Si7
F[R] COVER UP F[R] COVER LO F[R] COVER ENT
R[F] COVER UP R[F] COVER LO R[F] COVER ENT
+
-
+24VB3
SYS
C/R
X1[2]
OT
Y
SAFE
MY1 MY2
SAFE SAFE
SRV1
C/R C/R
SRV2
OT
Y1[2]
OT
X2[1]
OT
Y2[1] F[R] R[F]
EMGEMG
T0
LOGIC LOGICLOGIC
LOGIC LOGICLOGIC
F[R] ESC MY1 F[R] ESC MY2
R[F] ESC MY1 R[F] ESC MY2
In case that PCB transportation is L⇒R, refer to written inside brakets:[XXXXXX]
See Page 13
T0100037
READY OUT
F[R]
Si8
Si9
T01100C4
READY OUT
R[F]
T1
Si10
KM11
2122
KM12
2122
Si11
GND
Si12
11
22
3 3
4 4
1
2
5 5
6 6
3
4
5
6
OR
OR
AND
AND
RESET
RESET
EDM
EDM
YTC(OPTION)
INTERCONNECTION DIAGRAM
See YTC
BUFFER CONVEYOR(OPTION)
Si12
So4
So5
+24V EMG
U52
V52
W52
U51
V51
W51
U51
V51
W51
U55
V55
W55
+24VB4
G1:GND
V1:INPUT POWER
SiX:SAFETY INPUT
TX:TEST OUTPUT
V2:OUTPUT POWER
G2:GND
SoX:SAFETY OUTPUT
So0
So1
So2
So3
V2
G2
So4
So5
So6
So7
SAFETY CONTROLLER A21
SAFE CRF[R] OK
SAFE CRR[F] OK
CONT F[R] ON SIG.
CONT R[F] ON SIG.
CONT R[F] ON
CONT F[R] ON
SQ311 SQ312 SQ313
SQ301 SQ302 SQ303
SQ201 SQ202 SQ203
SQ211 SQ212 SQ213
0V
+24VB2
EMG
F[R] ESCAPE POS.
F[R] ESCAPE POS.
F[R] COVER
R[F] COVER
NC2[1] SW
NC2[1] SW
R[F] ESCAPE POS.
R[F] ESCAPE POS.
RESET
F[R] RESET
R[F] RESET
FEEDBACK
KLN EMG
R[F] FEEDBACK
F[R] FEEDBACK
F[R] ESC CV1
R[F] ESC CV2
CC.V5
5
SAFETY PROGRAM
YSP20

Confidential & Proprietary
PAGE
SZP
SZM
SZBK
SYM
SYP
PSC ASSY,SYRING(OPTION)
SUNIT BK
SYM
SYP
SZM
SZP
SZB SRBM
SZB SRBP
SZ SRM
SZ SRP
SUNIT BK
FX FPP
FX FPM
FX FPP
FX FPM
FPP
FPM
FPP
FPM
FPP
FPMFPM
FPP
□40 MAX 600rpm
FXPFXP
In case that PCB transportation is L⇒R, refer to written inside brakets:[XXXXXX]
PU1BK
MY2 BK
MY1P
MYB1M
GOOD
SRV CMN
ENC
MO
BRAKE
GOOD
TRG2
MO
SRV CMN
ENC
BRAKE
AC100V
AC100V
TRG1
EXT POWER
BRAKE
AC230V
AC230V
FX BK
SRV1 BK
FX BK
AC100V
POWER CIRCUIT
AC220V
See Page 2
QF43
POWER CIRCUIT
See Page 2
EXT.PWR
POWER CIRCUIT
See Page 2
BRAKE
J0137
GOOD
ENC
SRV CMN
MO
PE
J0086
ENC3
ENC
SRV CMN
MY2MMYB2M
MO
MY2PMY2P
MY1M
MY1P
FPP
FPP
MY2PMY2P
FXPFXP
MY1PMY1P
MY1 BK
PUP
PUM
PUP
PUM
□54 MAX 3600rpm
FXMFXM
MZB SYBP
MZB SYBM
MZ SYP
MZ SYM
FXB FPBM
FXB FPBP FX FPP
FX FPM
MZ SYMMZ SYM
SUNIT BK
SZ SRP
SZ SRM
SZ SRP
SZ SRM
MZBK
MZP
MZM
MZP
MZM
SUNIT BK
YP
YM
YBK
Y2M
YP
□86 MAX 2400rpm
YPY2P
See Page 7
I/O CONV.BOARD
See Page 13
SERVO7
SERVO1
SERVO2
SERVO3
CONTROL BOX 2
MO3
SRV3
PI3
ENC3
SRV3 BK
SRV2 GOOD
MO2
SRV2
PI2
SRV2 BK
SRV1 GOOD
MO1
SRV1
PI1
(X1,Y1,PU1,W1)
[X2,Y2,PU2,W2]
[X2,Y2,PU2,W2]
(X1,Y1,PU1,W1)
[X2,Y2,PU2,W2]
(X1,Y1,PU1,W1)
[MZB,SZB,SRB]
(MZA,SZA,SRA)
[MZB,SZB,SZB,SRB]
(MZA,SYA,SZA,SRA)
[MZB,SZB,SZB,SRB]
(MZA,SYA,SZA,SRA)
[MYB1,MYB2,FXB]
(MYA1,MYA2,FXA)
[MYB1,MYB2,FXB,FPB]
(MYA1,MYA2,FXA,FPA)
[MYB1,MYB2,FXB,FPB]
(MYA1,MYA2,FXA,FPA)
[LY2.LW2,-,-]
(LY1.LW1,-,-)
[LY2.LW2,-,-]
(LY1.LW1,-,-)
[LY2.LW2,-,-]
(LY1.LW1,-,-)
SRV7 BK
PI7
SRV7
MO7
SRV7 GOOD
SRV1 BK SRV1 BK
SRV1 SRV1
SRV2 BK SRV2 BK
SRV2 SRV2
SRV3 BK SRV3 BK
SRV3 SRV3
J0039
J0009
J0028
J0126
J0305
J0251
J0128
J0173
J0306
J0253
J0130
J0177
J0175
J0307
J0255
J0132
J0134
J0181
J0179
J0191
J0193
M01
Y1-AXIS 1000W [Y2-AXIS]
M17
MYA1-AXIS 300W [MYB1-AXIS]
M18
MYA2-AXIS 300W [MYB2-AXIS]
J0092
J0263
J0189
J0259
J0185
J0140
J0261
J0187 J0197
J0269
J0144
M11
SZA-AXIS 200W [SZB-AXIS]
J0104
J0205
J0277
M20
M19
J0094
J0199
J0271
J0267
M10
SYA-AXIS 300W [SYB-AXIS]
J0148
M09
MZA-AXIS 500W [MZB-AXIS]
J0090
M03
PU1-AXIS 200W [PU2-AXIS]
J1031
J1021
J1051
J1011
FXA-AXIS 60W [FXB-AXIS]
FPA-AXIS 60W [FXB-AXIS]
□76 MAX 1000rpm
□76 MAX 1000rpm
□76 MAX 2700rpm
□76 MAX 450rpm
□42 MAX 546rpm
□54 MAX 4093rpm
SERVO C/R BOX ASSY A2
SRVCR1 GOOD SRVCR1 GOOD
J0349
YTC(OPTION)
INTERCONNECTION DIAGRAM
See YTC
FLEXIBLE
DUCT MYA
FLEXIBLE
DUCT SYA
SRBK
SRP
SRMSRM
SRP SRP SRP
SRMSRM
M12
SRA-AXIS 60W [SRB-AXIS]
J0203
J0275
J0150
J0096
□42 MAX 2400rpm
3S HEAD(OPTION)
FLEXIBLE
DUCT SZA
FLEXIBLE
DUCT FXA
FLEXIBLE
DUCT X1
E03 E04
E08
E21
J0171
CN11
LCD POWER
E13 E14
E17 E18
GOOD
SRV3 GOOD
PSC(OPTION)
E31
PUP PUP
J0273
J0146
J0195
J0142
CV BK CV BK
X2 PU2 W2M X PU WM
X PUPX2 PU2P
W2P WP
J0138
J0183
J0257
J0088
FLEXIBLE
DUCT Y1
J0201
PUM PUM
WM
WP
WM
W BK
WP
□86 MAX 3420rpm
M02
X1-AXIS 750W [X2-AXIS]
XM
XPXP
XM
1TURN
E07
W1-AXIS 100W [W2-AXIS]
M04
□42 MAX 230rpm
CV BK CV BK PU BK PU BK
X BK
SR BK
SZ BK
SR BK SR BK
FX BK
MZ BK MZ BK
MZ BK
Y BK
WBK
XBK
PU BK
MY2BK
MY1BK
PUPPUP
FXBK
CC.V5
6
CONTROL BOX 1
YSP20