5OM-1343-008_w - 第108页

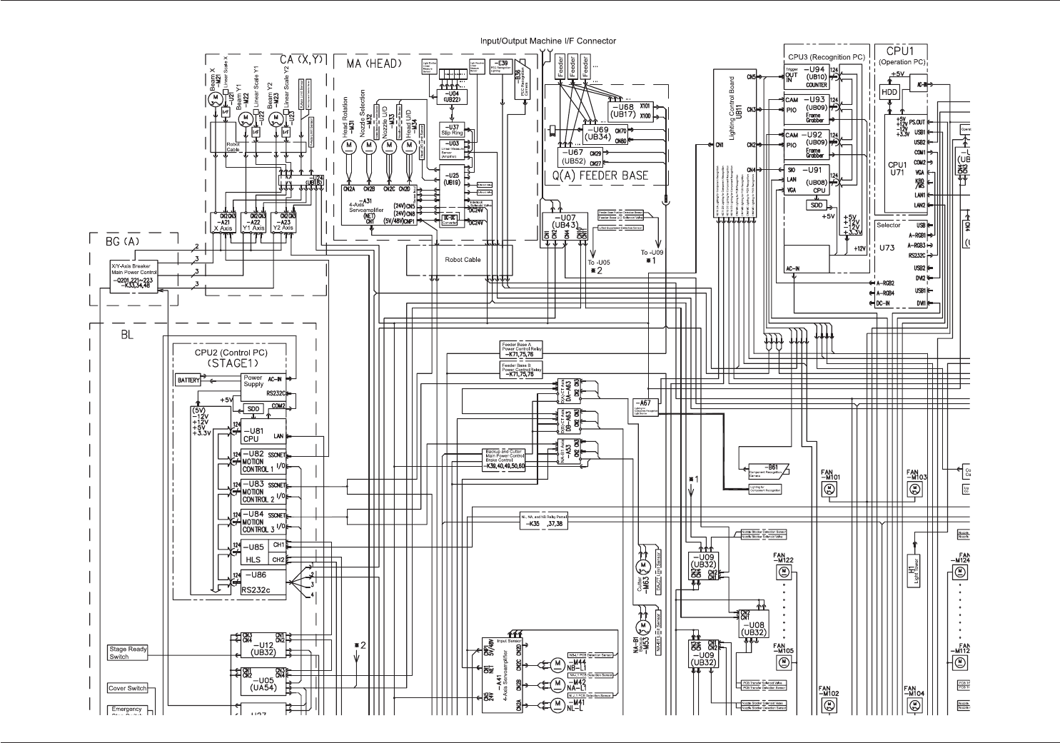
AKFEPED-ID 4-1 1 0607-004 X(M803W A---2001) Integrated Block Connection Diagram (Details B) Integrated Block Connection Diagram (Details B)

100%1 / 219
AKFEPED-ID
4-100607-004 X(M803WA---2001)
Integrated Block Connection Diagram (Details A)
Integrated Block Connection Diagram (Details A)
AKFEPED-ID
4-110607-004 X(M803WA---2001)
Integrated Block Connection Diagram (Details B)
Integrated Block Connection Diagram (Details B)
AKFEPED-ID
4-120607-004 X(M803WA---2001)
Integrated Block Connection Diagram (Details C)
Integrated Block Connection Diagram (Details C)