5OM-1343-008_w - 第109页

AKFEPED-ID 4-12 0607-004 X(M803W A---2001) Integrated Block Connection Diagram (Details C) Integrated Block Connection Diagram (Details C)

100%1 / 219
AKFEPED-ID
4-110607-004 X(M803WA---2001)
Integrated Block Connection Diagram (Details B)
Integrated Block Connection Diagram (Details B)
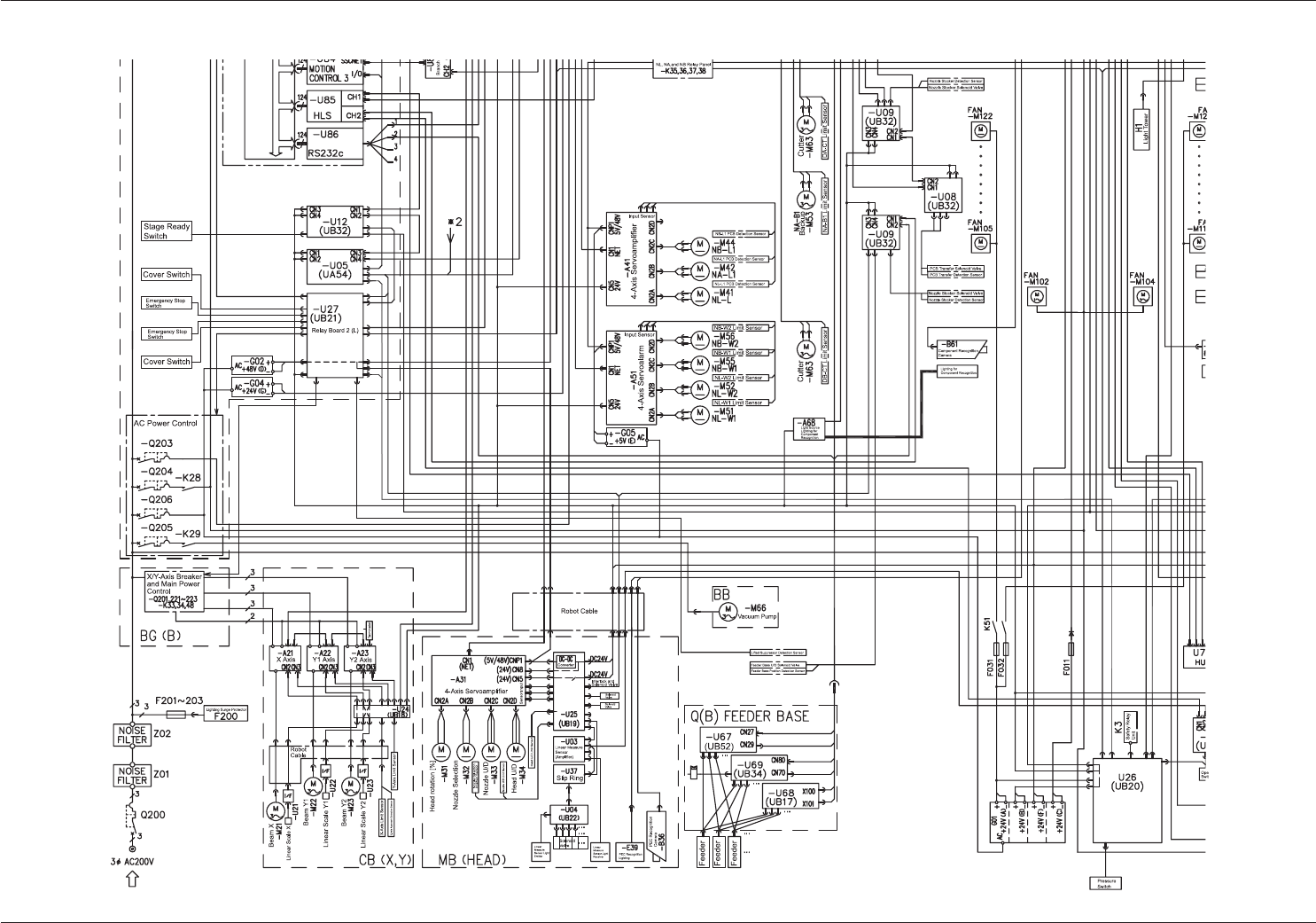
AKFEPED-ID
4-120607-004 X(M803WA---2001)
Integrated Block Connection Diagram (Details C)
Integrated Block Connection Diagram (Details C)
AKFEPED-ID
4-130607-004 X(M803WA---2001)
Integrated Block Connection Diagram (Details D)
Integrated Block Connection Diagram (Details D)