5OM-1343-008_w - 第106页
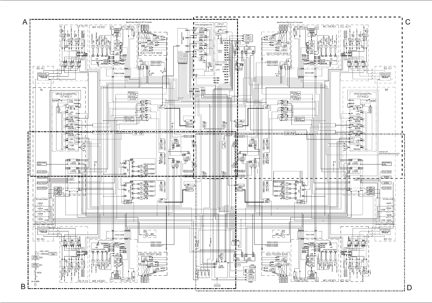
AKFEPED-ID 4-9 Integrated Block Connection Diagram 0607-004 X(M803W A---2001) Integrated Block Connection Diagram

4-8
AKFEPED-ID
0601-002

AKFEPED-ID
4-9
Integrated Block Connection Diagram
0607-004 X(M803WA---2001)
Integrated Block Connection Diagram

AKFEPED-ID
4-100607-004 X(M803WA---2001)
Integrated Block Connection Diagram (Details A)
Integrated Block Connection Diagram (Details A)