5OM-1343-008_w - 第111页
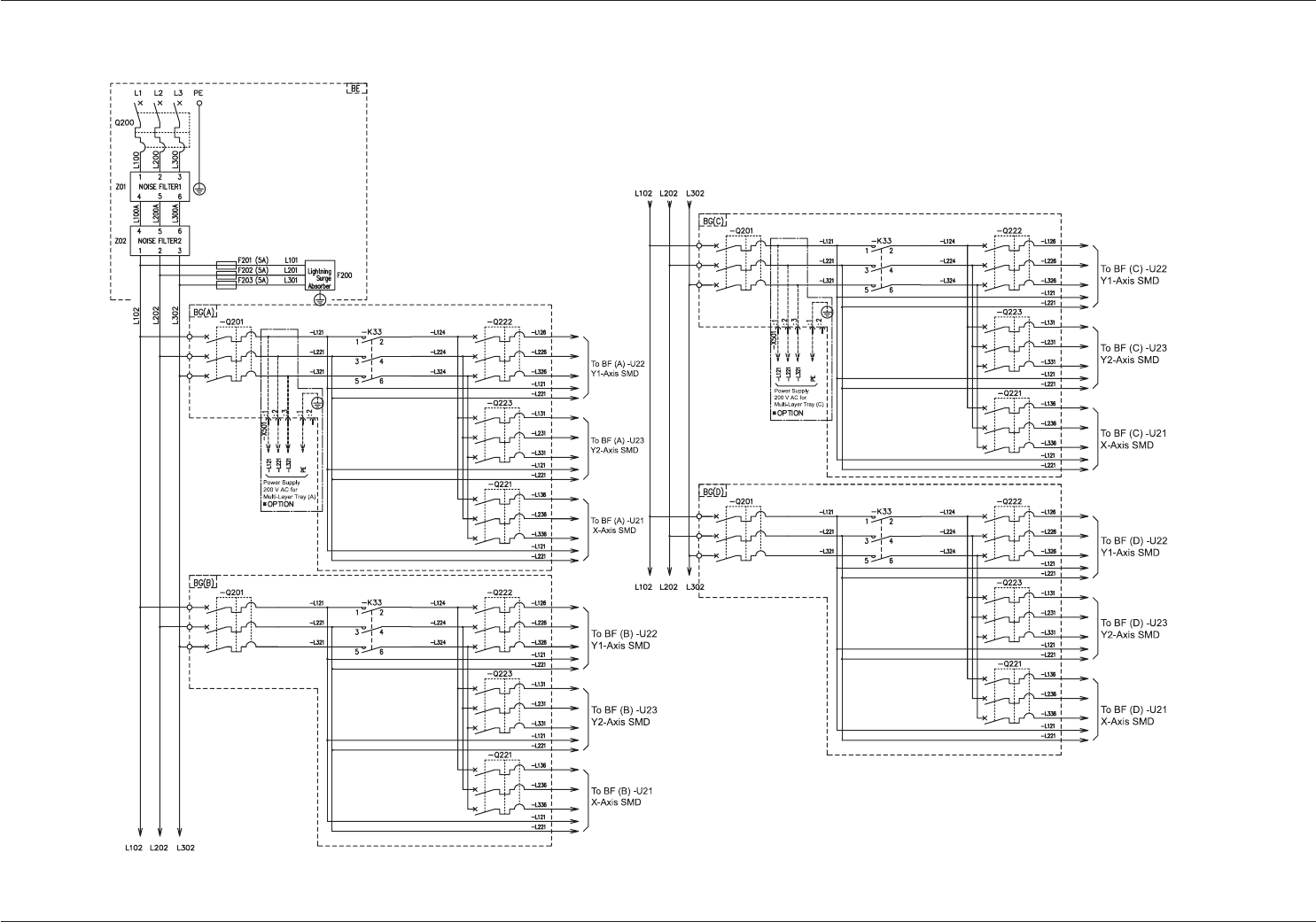
AKFEPED-ID 4-14 0604-003 C(M803WB---2001) Power Supply Section 1 Power Supply Section 1

AKFEPED-ID
4-130607-004 X(M803WA---2001)
Integrated Block Connection Diagram (Details D)
Integrated Block Connection Diagram (Details D)

AKFEPED-ID
4-140604-003 C(M803WB---2001)
Power Supply Section 1
Power Supply Section 1

AKFEPED-ID
4-150604-003 C(M803WB---2002)
Power Supply Section (Common Relay Circuit)
Power Supply Section (Common Relay Circuit)