5OM-1343-008_w - 第113页
AKFEPED-ID 4-16 0607-004 F(M803WBL--2001) Power Supply Section (BL) Power Supply Section (BL)

AKFEPED-ID
4-150604-003 C(M803WB---2002)
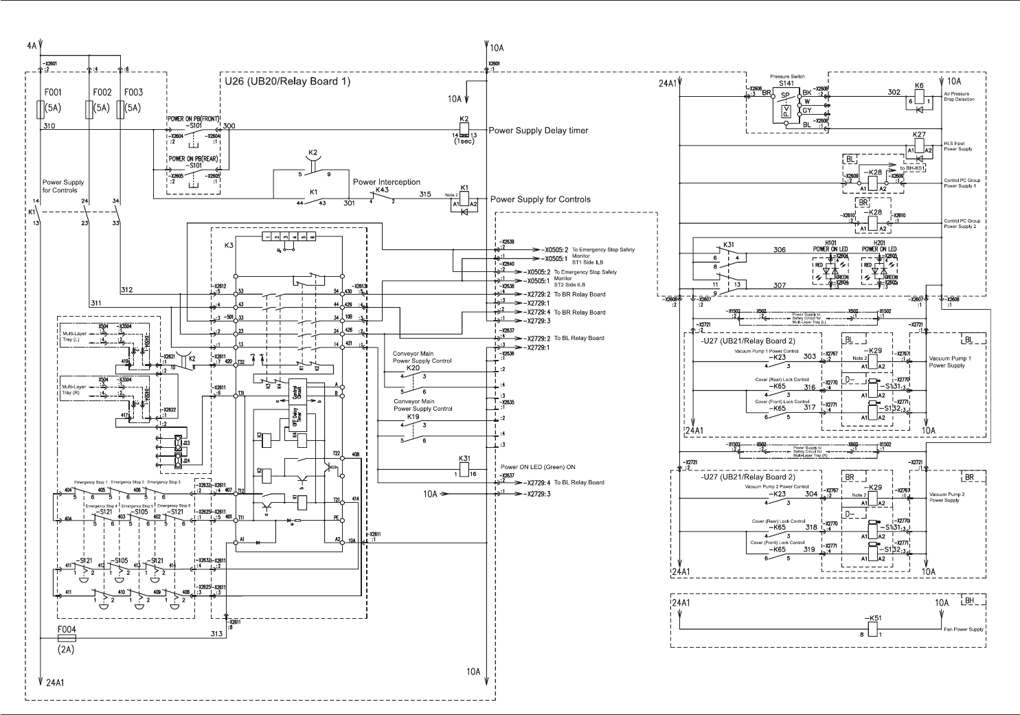
Power Supply Section (Common Relay Circuit)
Power Supply Section (Common Relay Circuit)

AKFEPED-ID
4-160607-004 F(M803WBL--2001)
Power Supply Section (BL)
Power Supply Section (BL)

AKFEPED-ID
4-170601-002 D(M803WBL--2002)
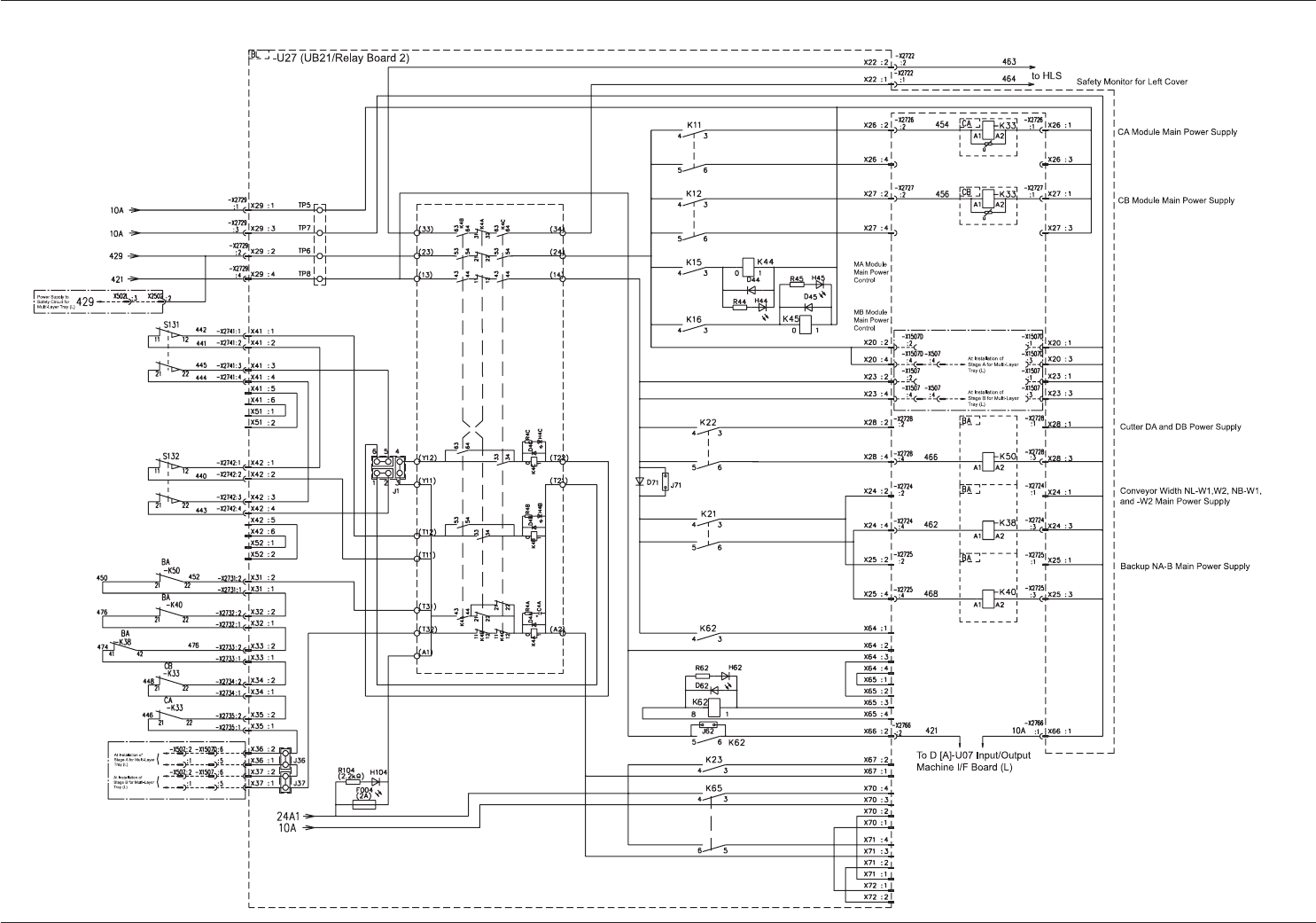
Power Supply Section (BL Relay Circuit)
Power Supply Section (BL Relay Circuit)