5OM-1343-008_w - 第120页
AKFEPED-ID 4-23 0607-004 F(M803WBR--2001) Power Supply Section (BR) Power Supply Section (BR)

AKFEPED-ID
4-220604-003 B(M803WBL--2007)
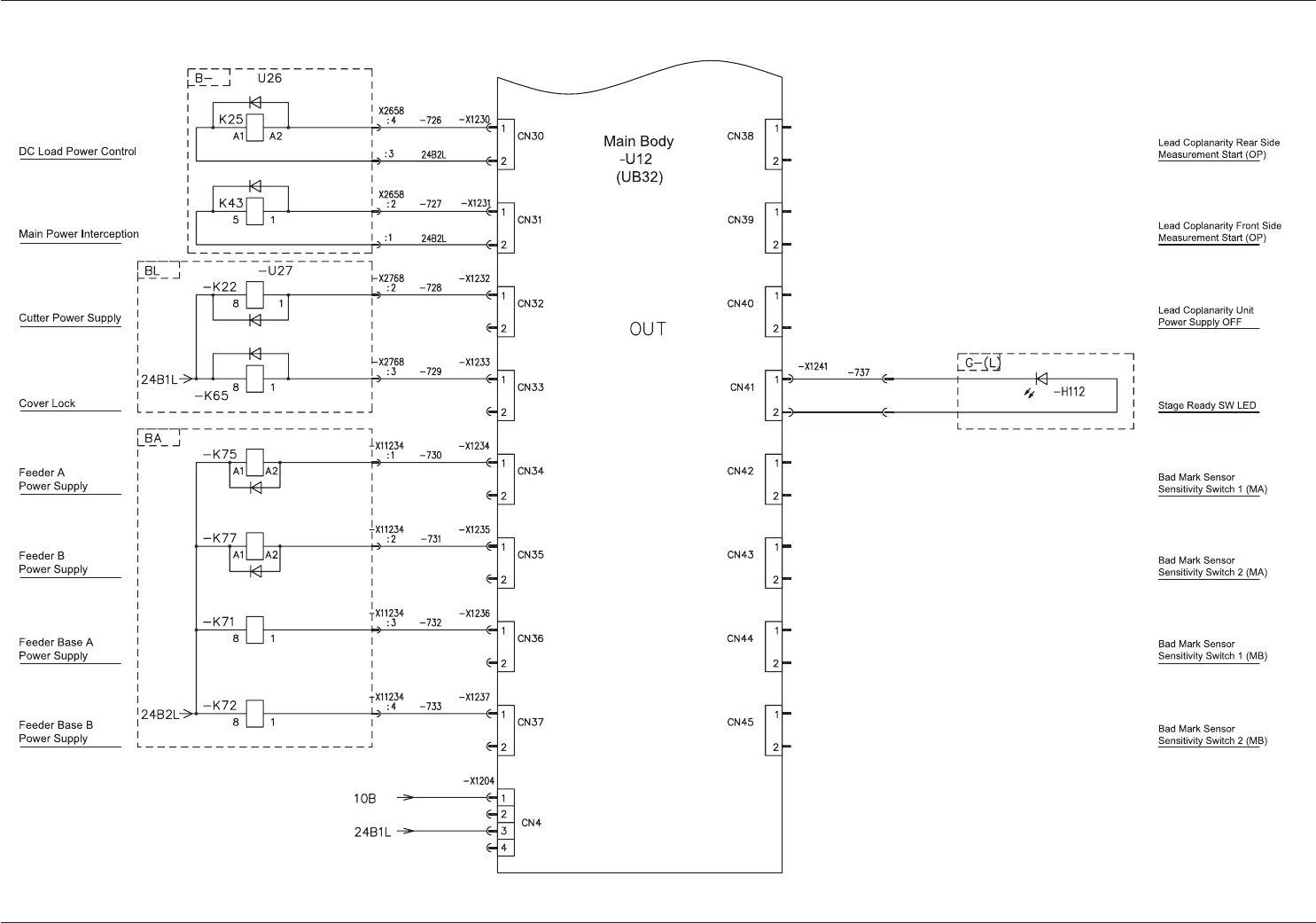
UB32 I/O Board Main Body 2 (L)
UB32 I/O Board Main Body 2 (L)

AKFEPED-ID
4-230607-004 F(M803WBR--2001)
Power Supply Section (BR)
Power Supply Section (BR)

AKFEPED-ID
4-24
Power Supply Section (BR Relay Circuit)
0601-002 D(M803WBR--2002)
Power Supply Section (BR Relay Circuit)