5OM-1343-008_w - 第129页
AKFEPED-ID 4-32 0601-002 -(M803WC---2003) X-Axis (A) Motor Circuit Diagram X-Axis (A) Motor Circuit Diagram

AKFEPED-ID
4-310601-002 -(M803WC---2002)
Y-Axis (C, D) Motor Circuit Diagram
Y-Axis (C, D) Motor Circuit Diagram

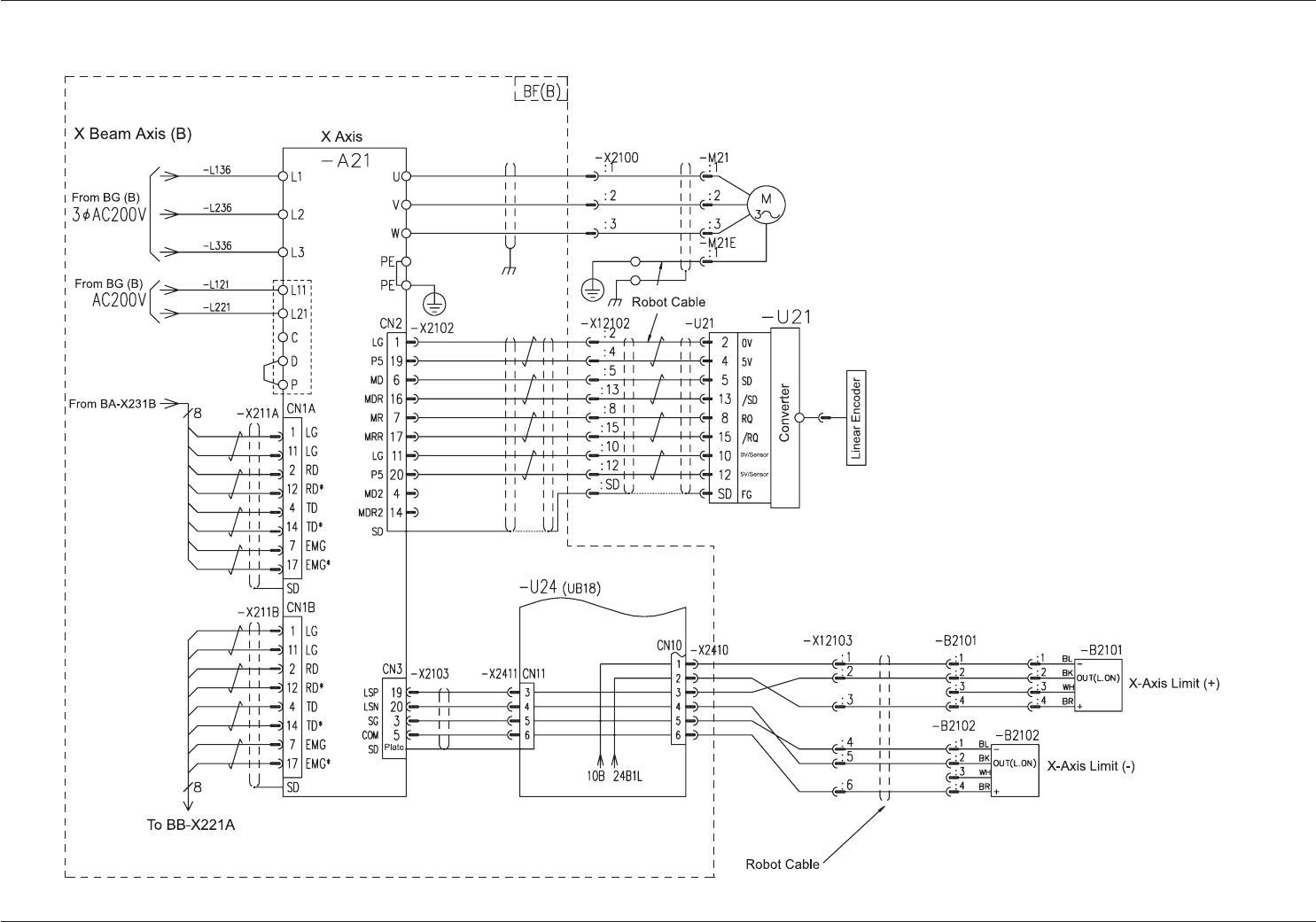
AKFEPED-ID
4-320601-002 -(M803WC---2003)
X-Axis (A) Motor Circuit Diagram
X-Axis (A) Motor Circuit Diagram

AKFEPED-ID
4-330601-002 A(M803WC---2004)
X-Axis (B) Motor Circuit Diagram
X-Axis (B) Motor Circuit Diagram