5OM-1343-008_w - 第131页
AKFEPED-ID 4-34 0601-002 -(M803WC---2005) X-Axis (C) Motor Circuit Diagram X-Axis (C) Motor Circuit Diagram

AKFEPED-ID
4-330601-002 A(M803WC---2004)
X-Axis (B) Motor Circuit Diagram
X-Axis (B) Motor Circuit Diagram

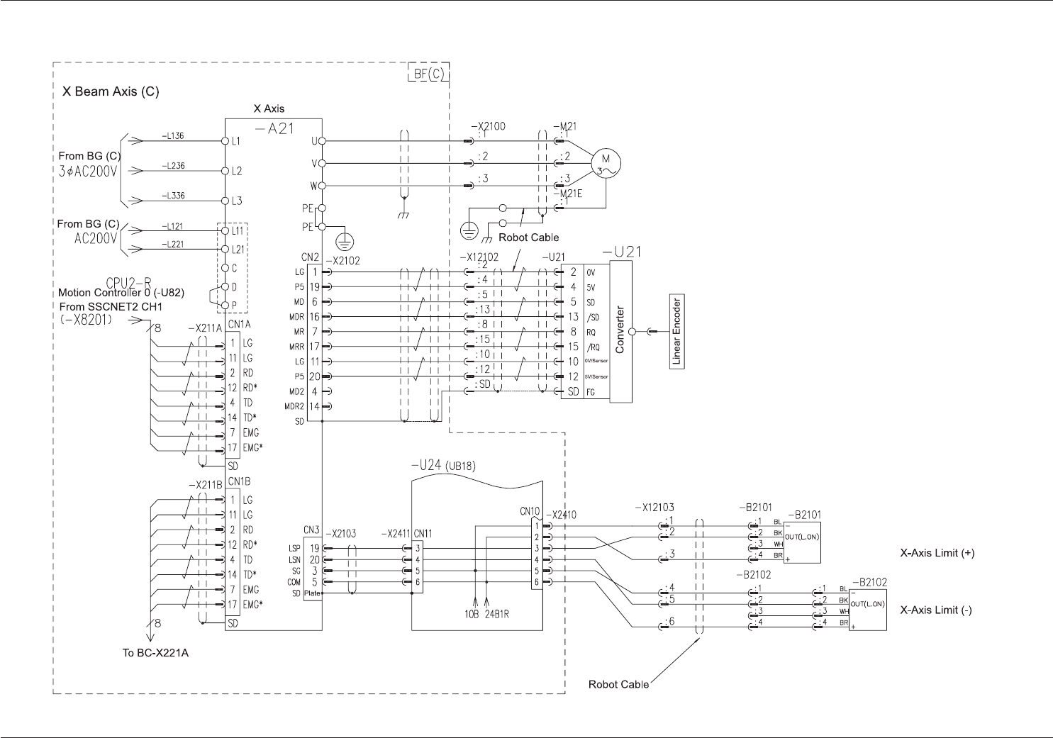
AKFEPED-ID
4-340601-002 -(M803WC---2005)
X-Axis (C) Motor Circuit Diagram
X-Axis (C) Motor Circuit Diagram

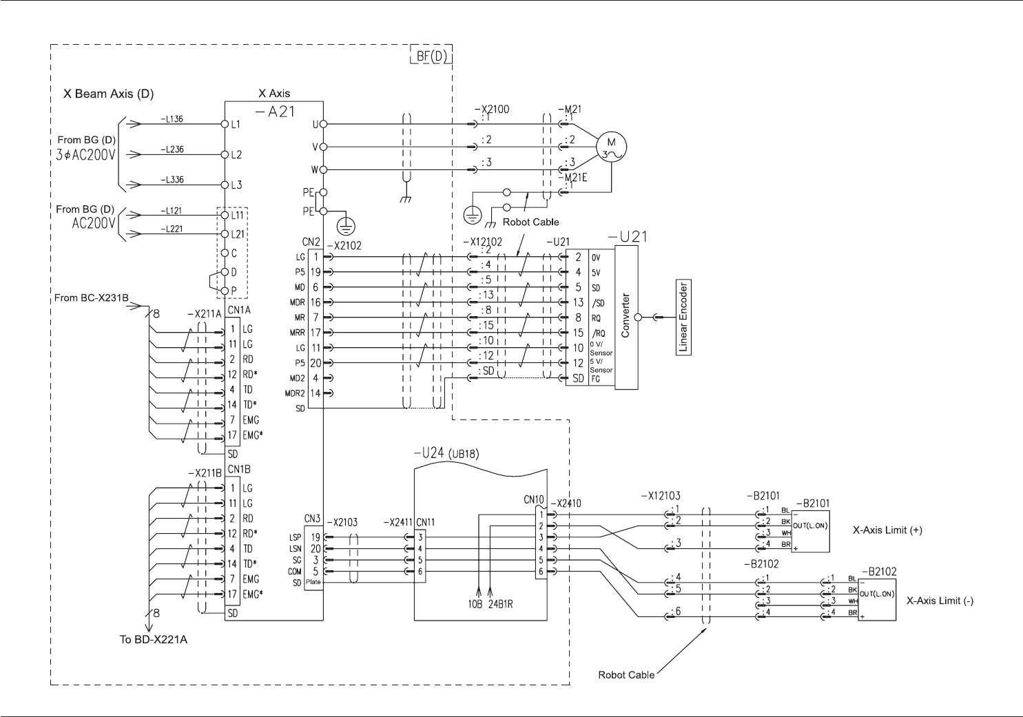
AKFEPED-ID
4-350601-002 A(M803WC---2006)
X-Axis (D) Motor Circuit Diagram
X-Axis (D) Motor Circuit Diagram