5OM-1343-008_w - 第136页
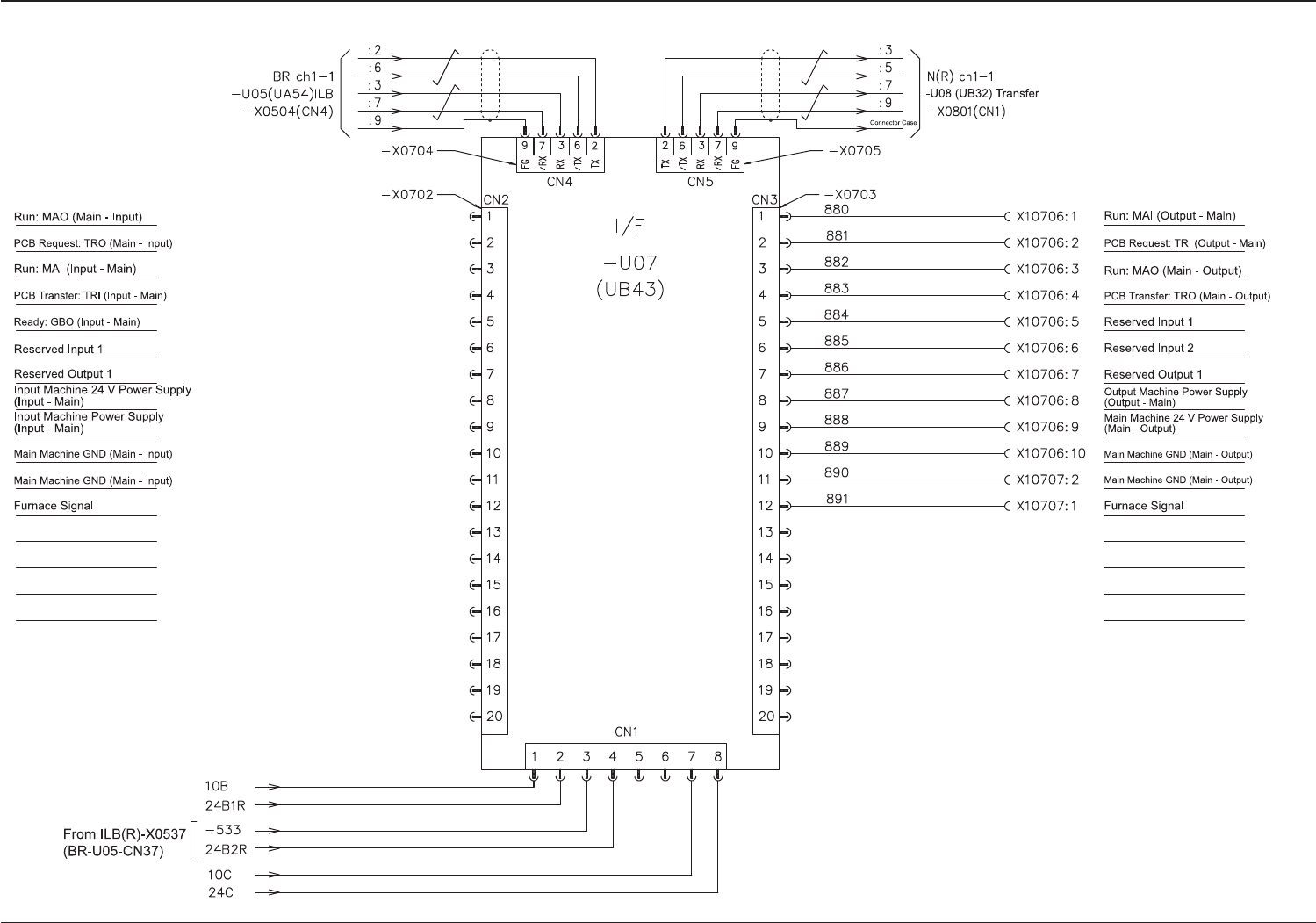
AKFEPED-ID 4-39 UA43 Front/Rear I/F Board (R) 0604-003 F(M803WD---2004) UA43 Front/Rear I/F Board (R)

AKFEPED-ID
4-380604-003 F(M803WD---2003)
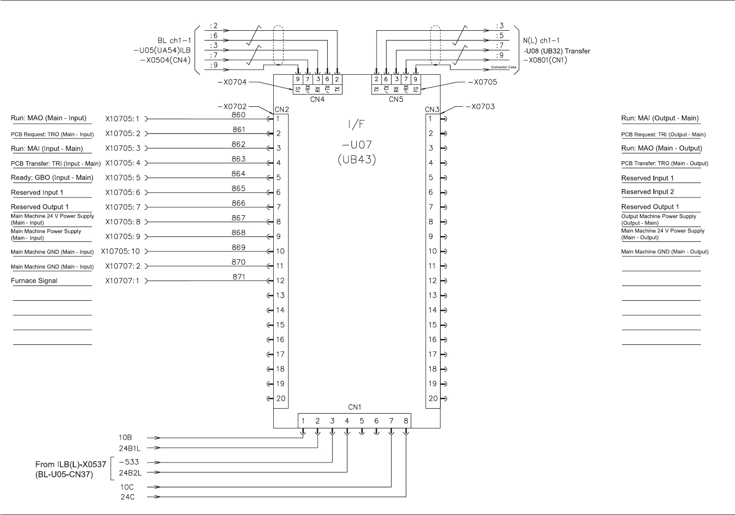
UA43 Front/Rear I/F Board (L)
UA43 Front/Rear I/F Board (L)

AKFEPED-ID
4-39
UA43 Front/Rear I/F Board (R)
0604-003 F(M803WD---2004)
UA43 Front/Rear I/F Board (R)

AKFEPED-ID
4-400711-004 E(M803WD---2011)
UB32 I/O Board (Positioning) A
UB32 I/O Board (Positioning) A
+
-
+
-B0918
-
L.ON
D.ON
-B0920
D.ON
L.ON
-
-B0922
+
OUT
RX
/RX
TX
-X0901 -X0902
CN1A/1B
/TX
7395
CN2A/2B
5937
IN OUT
CN10
/TX
TX
/RX
RX
123
CN4CN3
21
24B1L
10B
10B
24B2L
CN11
CN12
CN13
CN14
CN15
CN16
CN17
CN18
CN19
CN20
CN21
CN22
CN23
CN25
-
OUT
+
+
OUT
-
+
OUT
-
+
OUT
-
D.ON
L.ON
-
+
-
1
2
3
3
2
1
3
2
1
3
2
1
3
2
1
3
2
1
1
2
3
1
2
3
1
2
3
1
2
3
1
2
3
3
2
1
3
2
1
3
2
1
3
2
1
3
2
1
2
1
CN45
CN43
CN42
CN41
CN40
CN39
CN38
CN37
CN36
CN35
CN34
CN33
CN32
CN31
CN30
CN24
1
2
1
2
1
2
1
2
1
2
1
2
1
2
1
2
1
2
1
2
1
2
1
2
1
2
1
2
1
2
CN44
4
-U09
-X0923
-X0922
-X0921
-X0920
-X0919
-X0918
-X0916
-X0915
-X0914
-X0913
-X0912
-X0911
-X0910
-B0910
-B0911
-B0914
-B0915
-B0918
-X0932
-X0933
-X0935
-X0936
-X0937
-X0938
-X0939
-X0903 -X0904
-B0918
-B0915
-B0914
-B0911
-B0910
:1
:2
:3
:3
:2
:1
:3
:2
:1
:3
:2
:1
:3
:2
:1
:3
:2
:1
:3
:2
:1
-Y0932
-Y0933
:1
:2
:1
:2
-Y0932
-Y0933
-642
-641
-640
-639
-638
-637
-635
-634
-633
-630
-629
-647
-648
-650
-651
-652
-653
-654
:9
:3
:5
:7
(UB32)
:9
:3
:6
:2
:7
:4
+
:4
:1
:2
:3
-B0918
-B0920
-B0920
-B0920
-B0922
:3
:2
:1
:4
+
:4
:1
:2
:3
-B0922
-B0922
-
L.ON
D.ON
-Y0936
-Y0935
:2
:1
:2
:1
-Y0936
-Y0935
-Y0936
D(A)-X10916
:1
:2
OUT
-X10520
:7
:6
-X10520
C(A)-X10520
-X0917
-636
-X13112:6
-X13112:5
-X13112:8
-643
-X0924
-X13112:7
-X13112:10
-X13112:13
-X13112:2
-655
-X0940
-X0941
-656
-657
-X0942
-X13112:3
-X13112:4
-X13112:1
N(L) ch1-1
-X0802(CN2)
Q(A) ch1-1
-X1300B2
-U08 (UB32) Transfer
Feeder Base Y-Direction
Positioning Check 1
Feeder Base Y-Direction
Positioning Check 2
Lift Section Feeder Base
Detection 1
Lift Section Feeder Base
Detection 2
Cylinder Upper
Limit Detection
Cylinder Lower
Limit Detection
Feeder Base/Main
Body Connection Check
From Batch Connector
Relay -X10916 for
Feeder Base Connection
Nozzle Stocker Unit
Lower Limit Detection 1
Nozzle Stocker Unit
Lower Limit Detection 2 (Option)
Nozzle Stocker Shutter
Closing Check 1
Nozzle Stocker Shutter
Closing Check 2 (Option)
Nozzle Stocker
Clamping Check 1
Nozzle Stocker
Clamping Check 2 (Option)
From Recycle Conveyor A
Relay Connector -X13112
Recycle Conveyor A
Full Detection (Option)
From Recycle Conveyor A
Relay Connector -X13112
Recycle Conveyor A
Output Position
Detection (Option)
Positioning
(To MA-U25
UB19 (X7))
To Robot Cable
Relay Connector
Feeder Base Ascending
Nozzle Stocker
Shutter Open
Nozzle Stocker
Ascending 1
Feeder Base Descending
Nozzle Stocker
Ascending 2 (Option)
Air Vacuum Switchover
Air Blowing
Recycle Conveyor A
Run/Break Signal (Option)
To Recycle Conveyor A
Relay Connector -X13112
Recycle Conveyor A
Start/Stop Signal (Option)
Recycle Conveyor A
Alarm Reset Signal
(Option)
Connector Case
FG
(Connector Case)
FG
(Connector Case)
Batch Connector for Feeder Base Connection
Blue
Black
Brown
Blue
Black
Brown
Blue
Black
Brown
Blue
Black
Brown
Blue
Black
Brown
Blue
Black
White
Brown
Blue
Black
White
Brown
Blue
Black
White
Brown
Blue
Black
Brown
Blue
Black
White
Brown