5OM-1343-008_w - 第146页
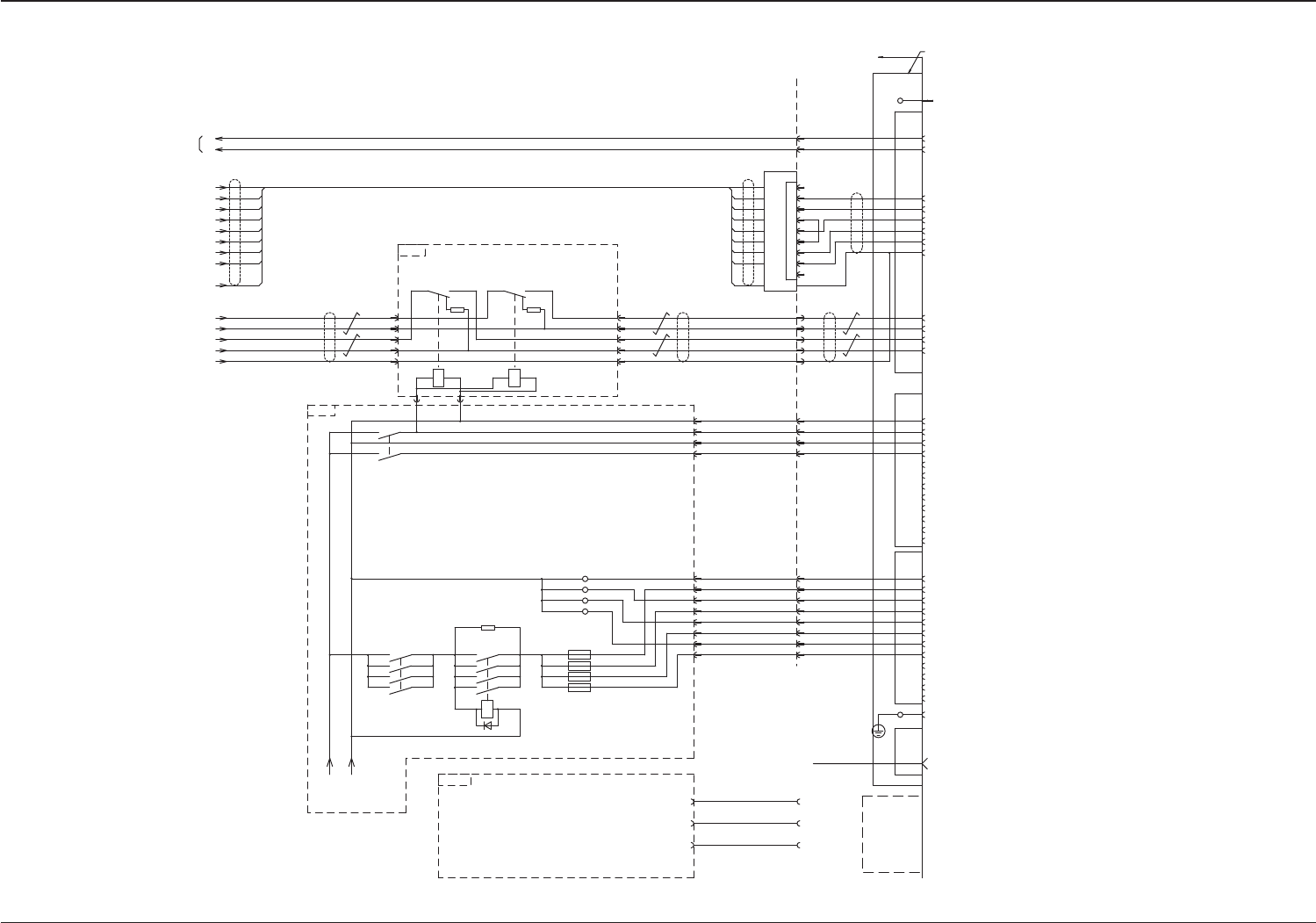
AKFEPED-ID 4-49 071 1-004 G(M803WD---2041) UB32 I/O Board (Positioning) D UB32 I/O Board (Positioning) D -X0934 -X0940 -X0941 -X0942 -649 -655 -656 -657 SCR Shielded Shielded -636 -X0917 -643 -X0901 -X0902 CN1A/1B CN2A/2…

AKFEPED-ID
4-48
Dsub9
DS135
Dsub9
1625-04
HLS Relay Dsub9
1625-02
Batch Connector Cable Relay
RS232C Relay Dsub9
3191-043191-04
3191-06 3191-06
φ6
(6.3)
(6.3)
(6.3)
(6.3)
4443
3433
2423
1413
43
56
-K75
:4
:3
:2
:1
:4
:3
:2
:1
:4
:3
:2
:1
:2
:1
:6
:2
:7
:3
:9
10G
10B
:1
:9
:3
:8
:2
:7
:4
:10
:5
:12
:6
:11
:2
:3
:4
:5
:6
:7
:8
:9
:1
:10
:11
:12
:1
:8
:2
:7
:12
:11
:10
:4
:9
:3
:5
:6
-X1300B3
8
9
7
4
6
5
2
3
1
CTS
RTS
DCD
TxD
RxD
GND
DSR
DTR
-K76
13 14
23 24
33 34
43 44
A2A1
1Ω,220W
24G
-K71
10G
10G
24G3C
24G4C
24G5C
24G6C
24G7C
24G8C
10G
10G
10G
10G
10G
24G1C
10G
24G2C
-X1300B1
-X1300B2
-X1300C-X2300C
:4
:3
:2
:1
-X1300D1
-X1300D2
R01C
F021C
F022C
F023C
F024C
:1
:2
:3
:4
-X2300D1
:1
:2
:3
:4
-X2300D2
D(C)-X0916
F(R)-X18601
:2
:1
-635
:1
-X300D
-X300C
-X300B
:3
-X2140
:1
:2
-X1140
:3
:1
:2
TX
/TX
RX
/RX
FG FG
/RX
RX
/TX
TX
Connector Case
Connector Case Connector Case
Connector Case
:9
:7
:5
:3
D(C)-X0802
FG
/RX
RX
/TX
TX
NO
IN+ IN-
RLY2
100Ω,1/2W
NC
COM
NO
IN+ IN-
RLY1
NC
COM
-X0902
:5
:3
:9
:7
-X0901
:5
:3
:9
:7
-X0926:1 :2
:2
:3
:4
:5
:6
:7
:8
SD
:9
CTS
RxD
S.GND
TxD
RTS
FG
DTR
DSR
:1
DCD
-X30
To D (C)
-U09 (UB14)
-X0916 (CN16)
From RS232C
CPU2-R
CPU2 Board
(Dsub9-1)
BC
BG(C)
D(C)
-U09(UB32/Positioning)
Feeder Base Connection
Check Signal
HLS Communication
From D (C) ch1-1
-U08 (UB32) Transfer
-X0802 (CN2)
DC 24 V Power Supply
for Feeders
Main Body Side
Batch Connector for Feeder Base Connection
B Module
(12 Pins)
C Module
(12 Pins)
D Module
(12 Pins)
A Module
(Air)
Back
Face
(Option Circuit for Tape Feeder Installation Jig)
Pneumatic Piping
Inrush Current
Suppressing Resistor
Power Supply to Feeder Base
Feeder Base Teminal
Switching
0711-004 D(M803WD---2033)
Feeder Base C Batch Connector Connection
Feeder Base C Batch Connector Connection

AKFEPED-ID
4-490711-004 G(M803WD---2041)
UB32 I/O Board (Positioning) D
UB32 I/O Board (Positioning) D
-X0934
-X0940
-X0941
-X0942
-649
-655
-656
-657
SCR
Shielded Shielded
-636
-X0917
-643
-X0901 -X0902
CN1A/1B
CN2A/2B
IN OUT
CN10
12
3
CN4CN3
21
24B1R
10B
10B
24B2R
CN11
CN12
CN13
CN14
CN15
CN16
CN17
CN18
CN19
CN20
CN21
CN22
CN23
CN25
-
OUT
+
+
OUT
-
+
OUT
-
+
OUT
-
D.ON
L.ON
-
+
OUT
-
1
2
3
3
2
1
3
2
1
3
2
1
3
2
1
3
2
1
1
2
3
1
2
3
1
2
3
1
2
3
1
2
3
3
2
1
3
2
1
3
2
1
3
2
1
3
2
1
2
1
CN45
CN43
CN42
CN41
CN40
CN39
CN38
CN37
CN36
CN35
CN34
CN33
CN32
CN31
CN30
CN24
1
2
1
2
1
2
1
2
1
2
1
2
1
2
1
2
1
2
1
2
1
2
1
2
1
2
1
2
1
2
CN44
4
-U09
-X0923
-X0922
-X0921
-X0920
-X0919
-X0918
-X0916
-X0915
-X0914
-X0913
-X0912
-X0911
-X0910
-B0910
-B0911
-B0914
-B0915
-B0918
-X0932
-X0933
-X0935
-X0936
-X0937
-X0938
-X0939
-X0903 -X0904
-B0918
-B0915
-B0914
-B0911
-B0910
:1
:2
:3
:3
:2
:1
:3
:2
:1
:3
:2
:1
:3
:2
:1
:3
:2
:1
:3
:2
:1
-Y0932
-Y0933
:1
:2
:1
:2
-Y0932
-Y0933
-642
-641
-640
-639
-638
-637
-635
-634
-633
-630
-629
-647
-648
-650
-651
-652
-653
-654
:3
:4
:5
:2
(UB32)
:9
:3
:6
:2
:7
:4
+
:4
:1
:2
:3
-B0920
-B0920
:3
:2
:1
:4
+
:4
:1
:2
:3
-B0922
-B0922
-
L.ON
D.ON
-Y0936
-Y0935
:2
:1
:2
:1
-Y0936
-Y0935
:2
:1
D(D)-X10916
C(D)-X10520
-X10520
:6
:7
-X10520
-B0919
-B0920
-B0922
-Y0936
-B0919
-X13112:8
-X13112:5
-X13112:6
-636
-X0917
-X13112:13
-X13112:10
-X13112:7
-X0924
-643
-X13112:1
-X13112:4
-X13112:3
-X0942
-657
-656
-X0941
-X0940
-655
-X13112:2
RX
/RX
TX
/TX
7395 5937
/TX
TX
/RX
RX
F(R) ch2-1
CH2-CN1
-U85 HLSC
-X1300B2
Q(D) ch2-1
From Recycle Conveyor D
Relay Connector -X13112
Recycle Conveyor D
Full Detection (Option)
From Recycle Conveyor D
Relay Connector -X13112
Positioning
Connector Case
Feeder Base Y-Direction
Positioning Check 1
Feeder Base Y-Direction
Positioning Check 2
Lift Section Feeder Base
Detection 1
Lift Section Feeder Base
Detection 2
Feeder Base/Main Body
Connection Check
Cylinder Lower
Limit Detection
Cylinder Upper
Limit Detection
From Batch Connector
Relay -X10916 for
Feeder Base Connection
Nozzle Stocker Unit
Lower Limit Detection 1
Nozzle Stocker Shutter
Closing Check 1
Nozzle Stocker
Clamping Check 1
Nozzle Stocker Unit
Lower Limit Detection 2 (Option)
Nozzle Stocker Shutter
Closing Check 2 (Option)
Nozzle Stocker
Clamping Check 2 (Option)
Recycle Conveyor D
Output Position
Detection (Option)
To Recycle Conveyor D
Relay Connector -X13112
Recycle Conveyor D
Run/Break Signal (Option)
Recycle Conveyor D
Start/Stop Signal (Option)
Recycle Conveyor D
Alarm Reset Signal
(Option)
(To MD-U25
UB19 (X7))
To Robot Cable Relay Connector
Feeder Base
Ascending
Feeder Base
Descending
Nozzle Stocker
Shutter Open
Nozzle Stocker
Ascending 1
Air Vacuum Switchover
Air Blowing
Nozzle Stocker
Ascending 2 (Option)
FG
(Connector Case)
Batch Connector for Feeder Base Connection
FG
(Connector Case)
FG
(Connector Case)
FG
(Connector Case)
Blue
Black
Brown
Blue
Black
Brown
Blue
Black
Brown
Blue
Black
Brown
Blue
Black
White
Brown
Blue
Black
Brown
Blue
Black
White
Brown

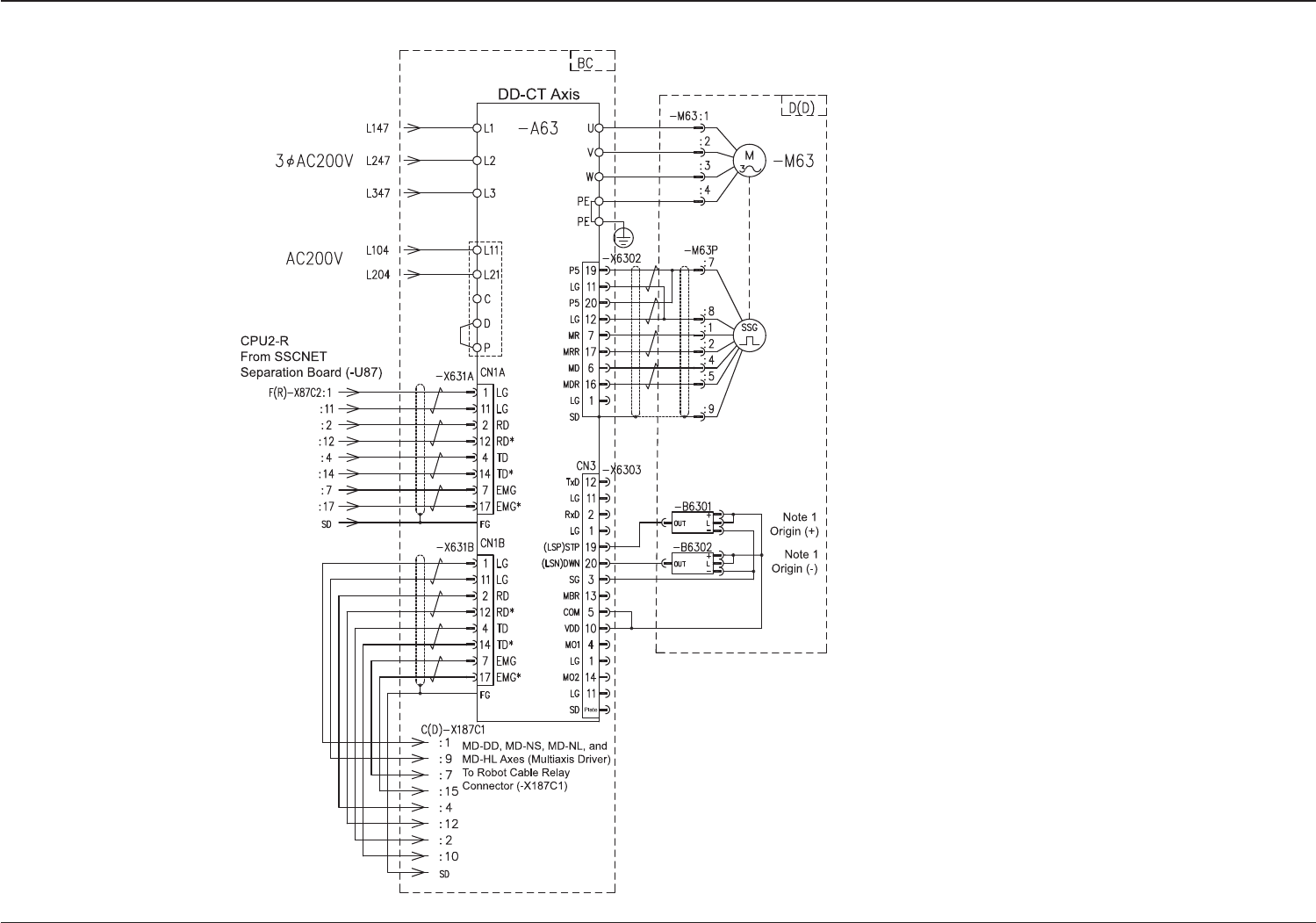
AKFEPED-ID
4-500604-003 -(M803WD---2042)
Cutter D
Cutter D