5OM-1343-008_w - 第148页
AKFEPED-ID 4-51 DS135 Inrush Current Suppressing Resistor 1625-04 1625-02 3191-04 3191-04 3191-06 3191-06 φ6 (6.3) (6.3) (6.3) (6.3) 44 43 34 33 24 23 14 13 4 3 5 6 -K77 :4 :3 :2 :1 :4 :3 :2 :1 :4 :3 :2 :1 :2 :1 :6 :2 :7…

AKFEPED-ID
4-500604-003 -(M803WD---2042)
Cutter D
Cutter D

AKFEPED-ID
4-51
DS135
Inrush Current
Suppressing Resistor
1625-04
1625-02
3191-043191-04
3191-06 3191-06
φ6
(6.3)
(6.3)
(6.3)
(6.3)
4443
3433
2423
1413
43
56
-K77
:4
:3
:2
:1
:4
:3
:2
:1
:4
:3
:2
:1
:2
:1
:6
:2
:7
:3
:9
10G
:1
:9
:3
:8
:2
:7
:4
:10
:5
:12
:6
:11
:2
:3
:4
:5
:6
:7
:8
:9
:1
:10
:11
:12
:1
:8
:2
:7
:12
:11
:10
:4
:9
:3
:5
:6
-X1300B3
Dsub9
8
9
7
4
6
5
2
3
1
CTS
RTS
DCD
TxD
RxD
GND
DSR
DTR
-K78
13 14
23 24
33 34
43 44
A2A1
1Ω,220W
24G
-K72
10G
10G
24G3D
24G4D
24G5D
24G6D
24G7D
24G8D
10G
10G
10G
10G
10G
24G1D
10G
24G2D
-X1300B1
-X1300B2
-X1300C-X2300C
:4
:3
:2
:1
-X1300D1
Dsub9
-X1300D2
R01D
F021D
F022D
F023D
F024D
:1
:2
:3
:4
-X2300D1
:1
:2
:3
:4
-X2300D2
:1
:2
10B
-635
D(D)-X0916
F(R)-X18602
:1
-X300D
-X300C
-X300B
:3
-X2140
:1
:2
-X1140
:3
:1
:2
TX
/TX
RX
/RX
FG FG
/RX
RX
/TX
TX
:4
:5
:6
:3
F(R) CH2-CN1
FG
/RX
RX
/TX
TX
NO
IN+ IN-
RLY2
100Ω,1/2W
NC
COM
NO
IN+ IN-
RLY1
NC
COM
-X0902
:5
:3
:9
:7
-X0901
:5
:3
:9
:7
-X0926:1 :2
:2
:3
:4
:5
:6
:7
:8
SD
:9
CTS
RxD
S.GND
TxD
RTS
FG
DTR
DSR
:1
DCD
-X30
BC
BG(C)
D(D)
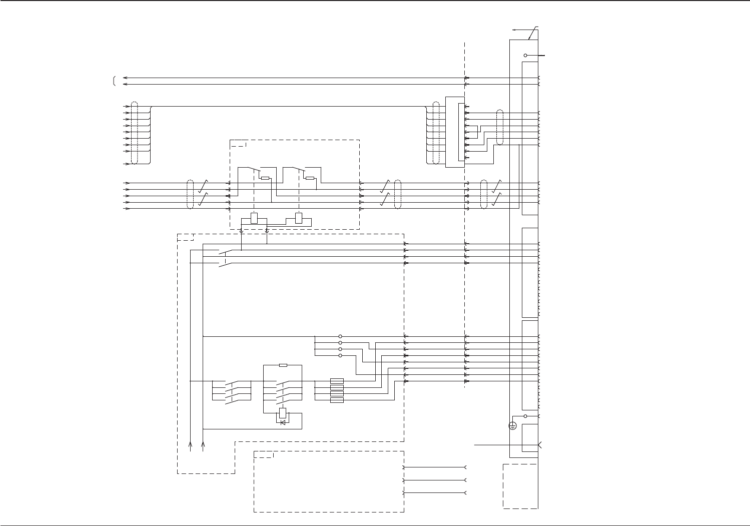
Power Supply to Feeder Base
Feeder Base Teminal
Switching
HLS Relay Dsub9
Batch Connector Cable Relay
RS232C Relay Dsub9
Connector Case
Connector Case
Connector Case
Connector Case
To D (C)
-U09 (UB14)
-X0916 (CN16)
From RS232C
CPU2-R
CPU2 Board
(Dsub9-2)
-U09(UB32/Positioning)
Feeder Base Connection
Check Signal
HLS Communication
From F (R) ch2-1
-U85 HLSC
CH2-CN1
DC 24 V Power Supply
for Feeders
Main Body Side
Batch Connector for Feeder Base Connection
B Module
(12 Pins)
C Module
(12 Pins)
D Module
(12 Pins)
A Module
(Air)
Back
Face
(Option Circuit for Tape Feeder Installation Jig)
Pneumatic Piping
0711-004 D(M803WD---2043)
Feeder Base D Batch Connector Connection
Feeder Base D Batch Connector Connection

AKFEPED-ID
4-520607-003 A(M803WF---2001)
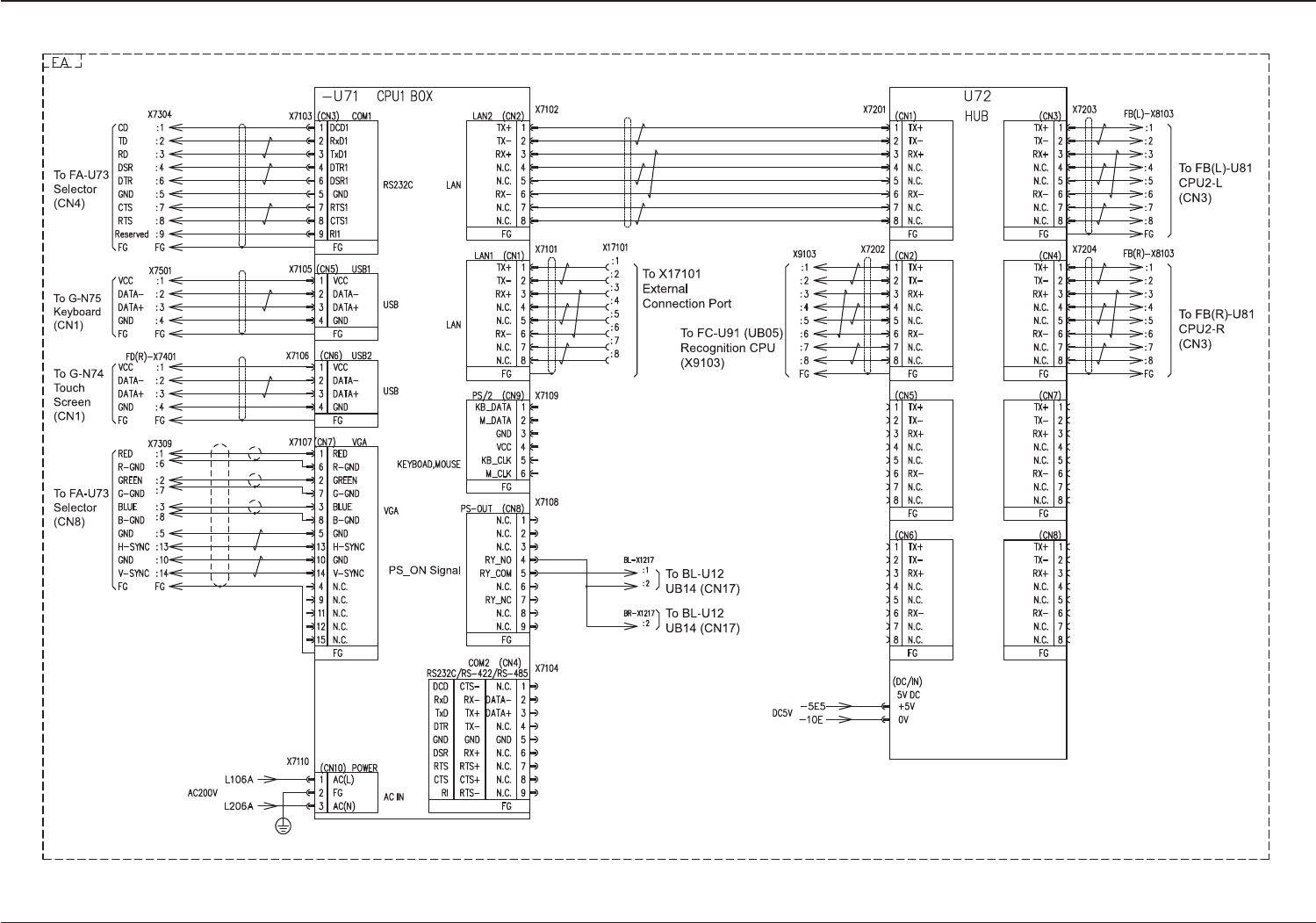
CPU1 Circuit Diagram (1)
CPU1 Circuit Diagram (1)