5OM-1343-008_w - 第152页
AKFEPED-ID 4-55 071 1-004 D(M803WF---2004) UB31 I/O Board (Operation Panel Rear) L UB31I/O Board (Operation Panel Rear) L 18 17 16 19 (UB31) :9 :7 :5 :3 :3 :4 :5 :2 -561 -560 -559 -558 -557 -550 -551 -552 -553 -X0104 -X0…

AKFEPED-ID
4-54
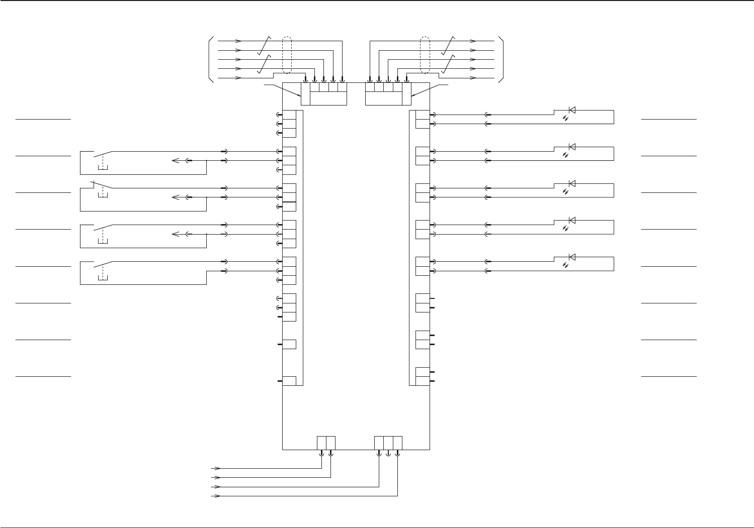
UB31 I/O Board (Operation Panel Front) L
0711-004 D(M803WF---2003)
UB31 I/O Board (Operation Panel Front) L
-X0101 -X0102
CN1A/1B
CN2A/2B
IN OUT
3
2
1
4
5
6
9
8
7
12
11
10
15
14
13
18
17
16
19
20
-S103
2
1
3
4
5
6
7
8
9
10
11
12
13
14
15
16
-H102
-H104A
-H104B
-H111
-H11
123
CN4CN3
21
24B1L
10B
10B
24B1L
-S102
-S104
-S111
-U01
-X0103 -X0104
-553
-552
-551
-550
-549 -557
-558
-559
-560
-561
K2
711
:3
:4
:5
:2
:7
:3
:6
:2
:9
(UB31)
P1
P2
-X01P2-X01P1
RX
/RX
TX
/TX
FG
(Connector Case)
7395 5937
/TX
TX
/RX
RX
CPU2-R
Operation Panel
-U01 -X0110 :2
-U01 -X0111 :2
CPU2-R
-U01 -X0112 :2
CPU2-R
-U01 -X0113 :2
CPU2-R
F(L) ch2-2
CH2-CN2
-U85 HLSC
-X20201
M(B) ch2-2
FG
(Connector Case)
START Switch
(Front)
STOP Switch
(Front)
Operation Panel
Selector Switch
(Front)
READY Switch
(Front Left)
[Feeder Ready]
Connector Case
Relay Connector Panel
START Lamp (Front)
Operation Panel Selector
Lamp (Front)
Operation Panel Lock
Lamp (Front)
READY Lamp (Front Left)
[Feeder Ready]
Material Indicator
Lamp (Front Left)
POWER ON
(Front)

AKFEPED-ID
4-550711-004 D(M803WF---2004)
UB31 I/O Board (Operation Panel Rear) L
UB31I/O Board (Operation Panel Rear) L
18
17
16
19
(UB31)
:9
:7
:5
:3
:3
:4
:5
:2
-561
-560
-559
-558
-557
-550
-551
-552
-553
-X0104-X0103
-X01P1
-U01
-S111
-S104
-S102
24B1L
10B
10B
24B1L
12
CN3 CN4
3
21
-H11
-H111
-H104B
-H104A
-H102
16
15
14
13
12
11
10
9
8
7
6
5
4
3
1
2
-S103
20
13
14
15
10
11
12
7
8
9
6
5
4
1
2
3
OUTIN
CN2A/2BCN1A/1B
-X0102-X0101
RX
/RX
TX
/TX
FG
(Connector Case)
7395 5937
/TX
TX
/RX
RX
P1 P2
-X01P2
D(L) ch1-2
-X1101(CN1)
-U85 HLSC
CH1-CN2
F(L) ch1-2
-U01 -X0113 :2
-U01 -X0112 :2
-U01 -X0111 :2
CPU2-R Side
CPU2-R Side
CPU2-R Side
FG
(Connector Case)
Connector Case
RESERVED
START Switch
(Rear)
STOP Switch
(Rear)
Operation Panel
Selector Switch
(Rear)
READY Switch
(Rear Left)
Connector Case
Operation Panel
-U11 (UB31) Light Tower
START Lamp (Rear)
Operation Panel Selector
Lamp (Rear)
Operation Panel Lock
Lamp (Rear)
READY Lamp (Rear Left)
Material Indicator
Lamp (Rear Left)

AKFEPED-ID
4-560711-004 D(M803WF---2005)
UB31 I/O Board (Operation Panel Front) R
UB31 I/O Board (Operation Panel Front) R
IN OUT
3
2
1
4
5
6
9
8
7
12
11
10
15
14
13
18
17
16
19
20
2
1
3
4
5
6
7
8
9
10
11
12
13
14
15
16
-H111
-H11
123
CN4CN3
21
24B1R
10B
10B
24B1R
-S111
-U01
-X0103 -X0104
-549
-550
-551
-552
-553 -561
-560
:7
:3
:6
:2
:9
:3
:4
:5
:2
-X0102-X0101
CN2A/2BCN1A/1B
(UB31)
RX
/RX
TX
/TX
FG
(Connector Case)
7395 5937
/TX
TX
/RX
RX
P1 P2
-X01P2-X01P1
Operation Panel
-U01 -X0110 :2(-S101)
-U01 -X0111 :2(-S102)
-U01 -X0112 :2(-S103)
-U01 -X0113 :2(-S104)
-X20201
M(D) ch2-2
-U85 HLSC
CH2-CN2
F(R) ch2-2
FG
(Connector Case)
Connector Case
CPU2-L Side
CPU2-L Side
CPU2-L Side
CPU2-L Side
Relay Connector Panel
READY Lamp
(Front Right)
[Feeder Ready]
Material Indicator
Lamp (Front Right)
POWER ON (Front)
START Switch (Front)
STOP Switch (Front)
Operation Panel
Selector Switch (Front)
READY Switch
(Front Right)
[Feeder Ready]