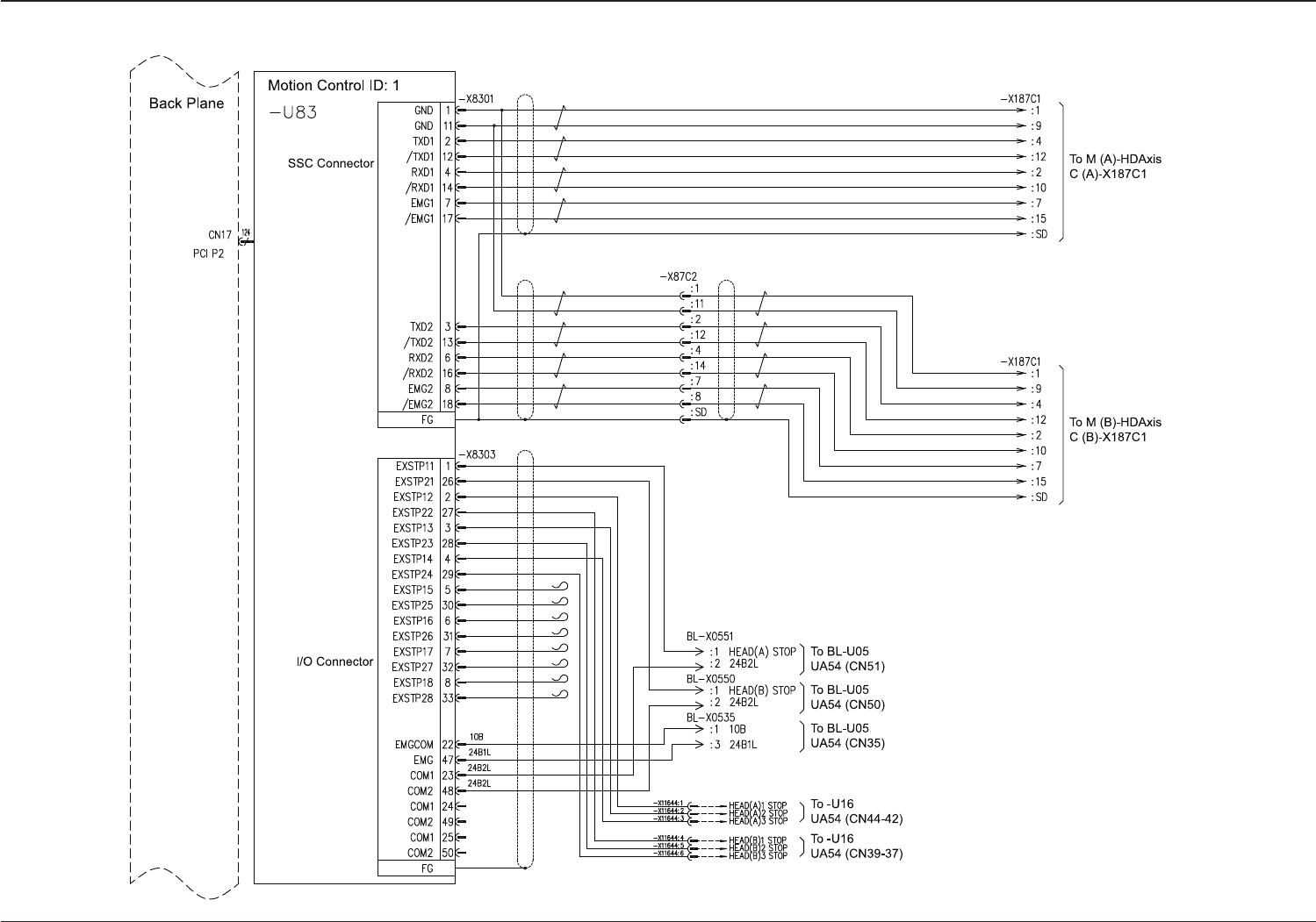
5OM-1343-008_w - 第158页
AKFEPED-ID 4-61 0604-003 B(M803WF---2014) CPU2-L (4) CPU2-L (4)

AKFEPED-ID
4-600601-002 B(M803WF---2013)
CPU2-L (3)
CPU2-L (3)

AKFEPED-ID
4-610604-003 B(M803WF---2014)
CPU2-L (4)
CPU2-L (4)

AKFEPED-ID
4-620604-003 A(M803WF---2015)
CPU2-L (5)
CPU2-L (5)