5OM-1343-008_w - 第164页
AKFEPED-ID 4-67 0604-003 B(M803WF---2024) CPU2-R (4) CPU2-R (4)

AKFEPED-ID
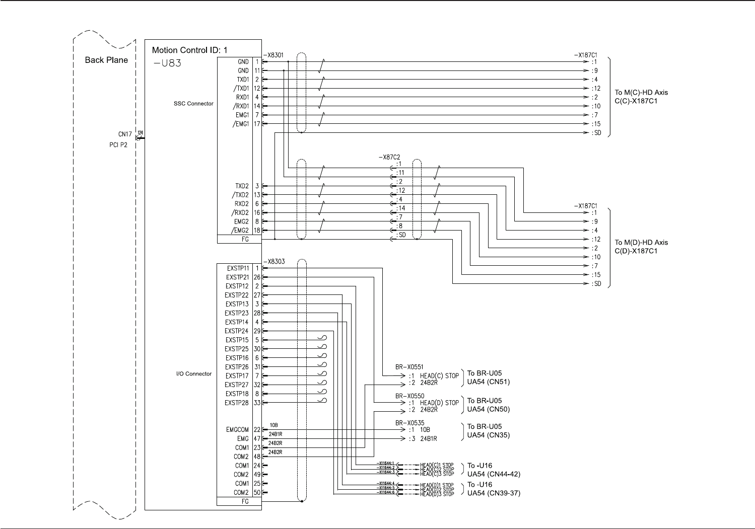
4-660601-002 B(M803WF---2023)
CPU2-R (3)
CPU2-R (3)

AKFEPED-ID
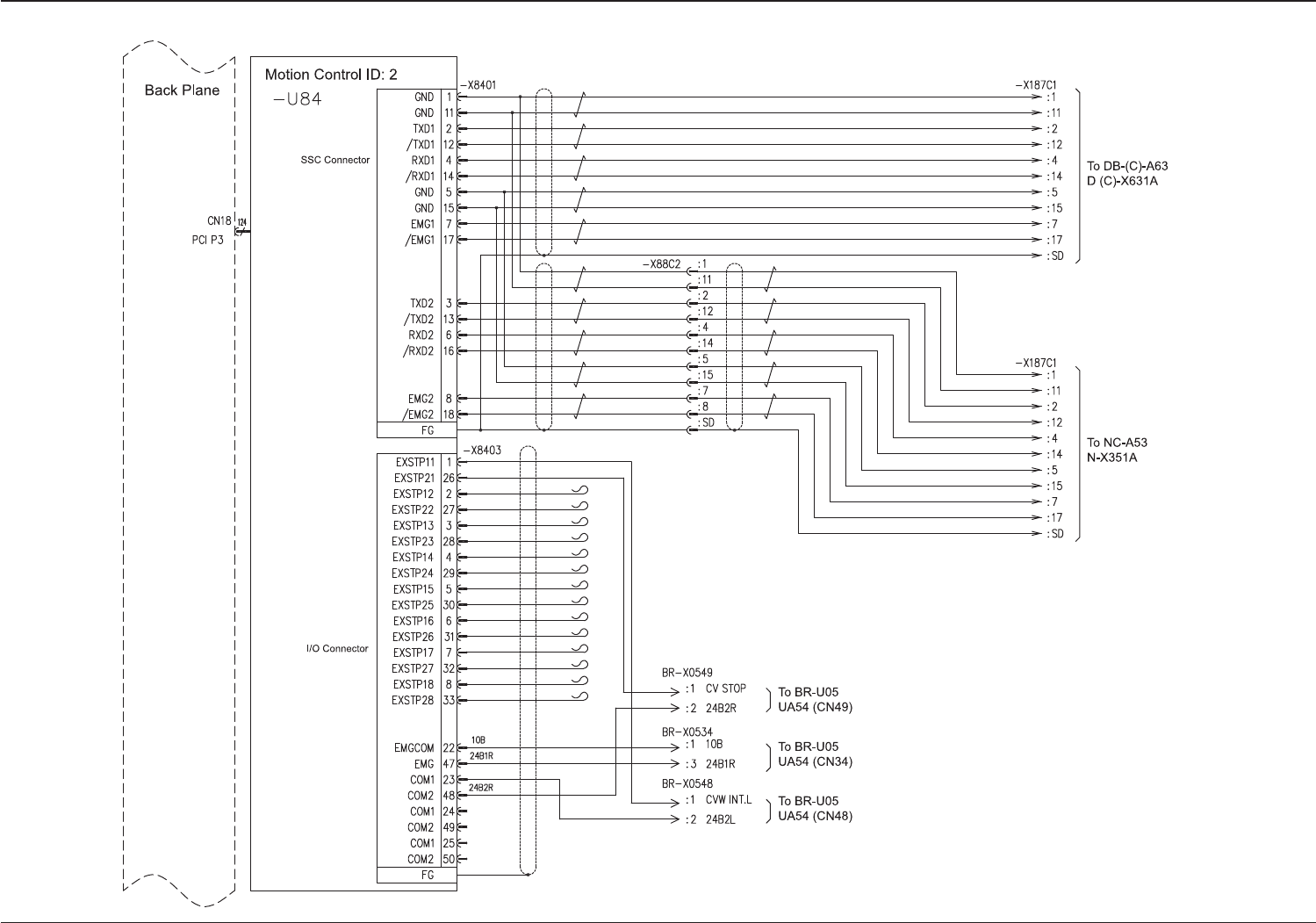
4-670604-003 B(M803WF---2024)
CPU2-R (4)
CPU2-R (4)

AKFEPED-ID
4-680604-003 A(M803WF---2025)
CPU2-R (5)
CPU2-R (5)