5OM-1343-008_w - 第169页
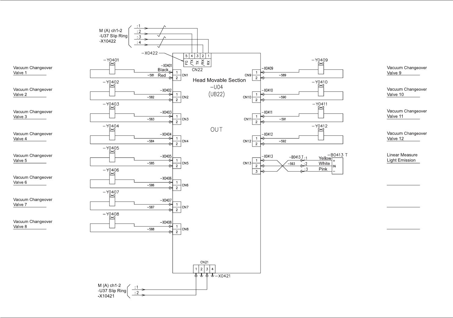
AKFEPED-ID 4-72 0601-002 A(M803WM---2013) UB22 I/O Board (Head Movable Section) A UB22 I/O Board (Head Movable Section) A

AKFEPED-ID
4-710604-003 B(M803WM---2012)
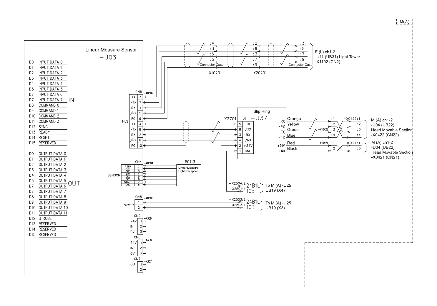
Linear Measure Circuit Diagram A
Linear Measure Circuit Diagram A

AKFEPED-ID
4-720601-002 A(M803WM---2013)
UB22 I/O Board (Head Movable Section) A
UB22 I/O Board (Head Movable Section) A

AKFEPED-ID
4-73
Head Motor Circuit Diagram B
Head Motor Circuit Diagram B
0604-003 E(M803WM---2021)