5OM-1343-008_w - 第174页
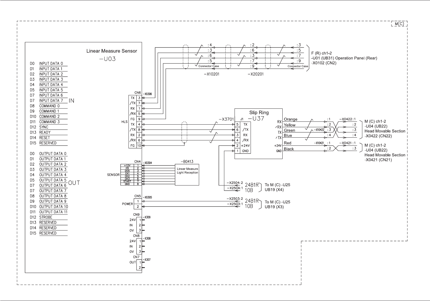
AKFEPED-ID 4-77 0604-003 B(M803WM---2032) Linear Measure Circuit Diagram C Linear Measure Circuit Diagram C

AKFEPED-ID
4-760604-003 E(M803WM---2031)
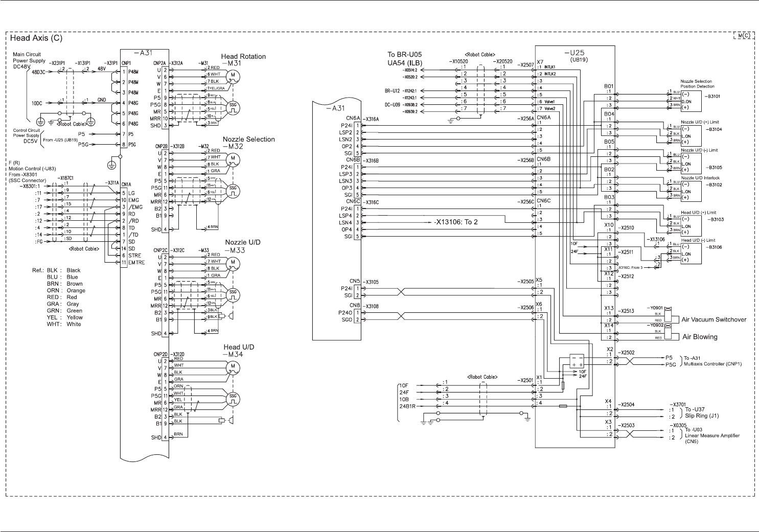
Head Motor Circuit Diagram C
Head Motor Circuit Diagram C

AKFEPED-ID
4-770604-003 B(M803WM---2032)
Linear Measure Circuit Diagram C
Linear Measure Circuit Diagram C

AKFEPED-ID
4-780604-003 A(M803WM---2033)
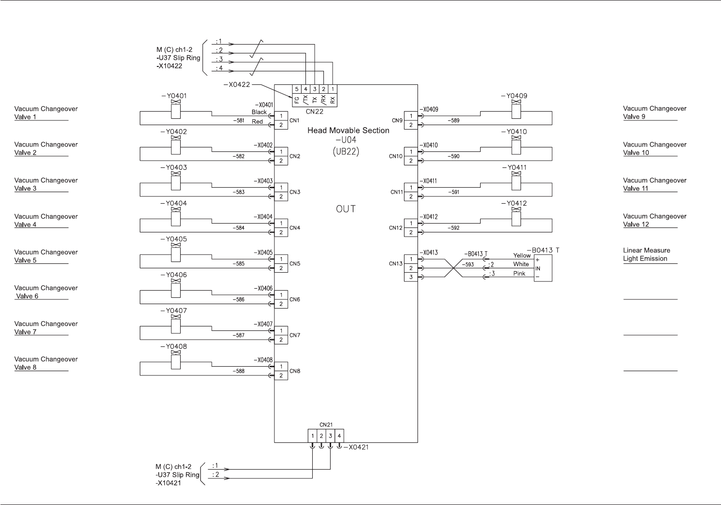
UB22 I/O Board (Head Movable Section) C
UB22 I/O Board (Head Movable Section) C