5OM-1343-008_w - 第176页
AKFEPED-ID 4-79 0604-003 E(M803WM---2041) Head Motor Circuit Diagram D Head Motor Circuit Diagram D

AKFEPED-ID
4-780604-003 A(M803WM---2033)
UB22 I/O Board (Head Movable Section) C
UB22 I/O Board (Head Movable Section) C

AKFEPED-ID
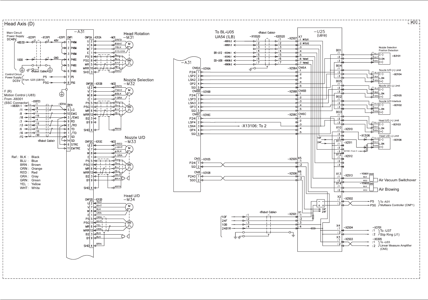
4-790604-003 E(M803WM---2041)
Head Motor Circuit Diagram D
Head Motor Circuit Diagram D

AKFEPED-ID
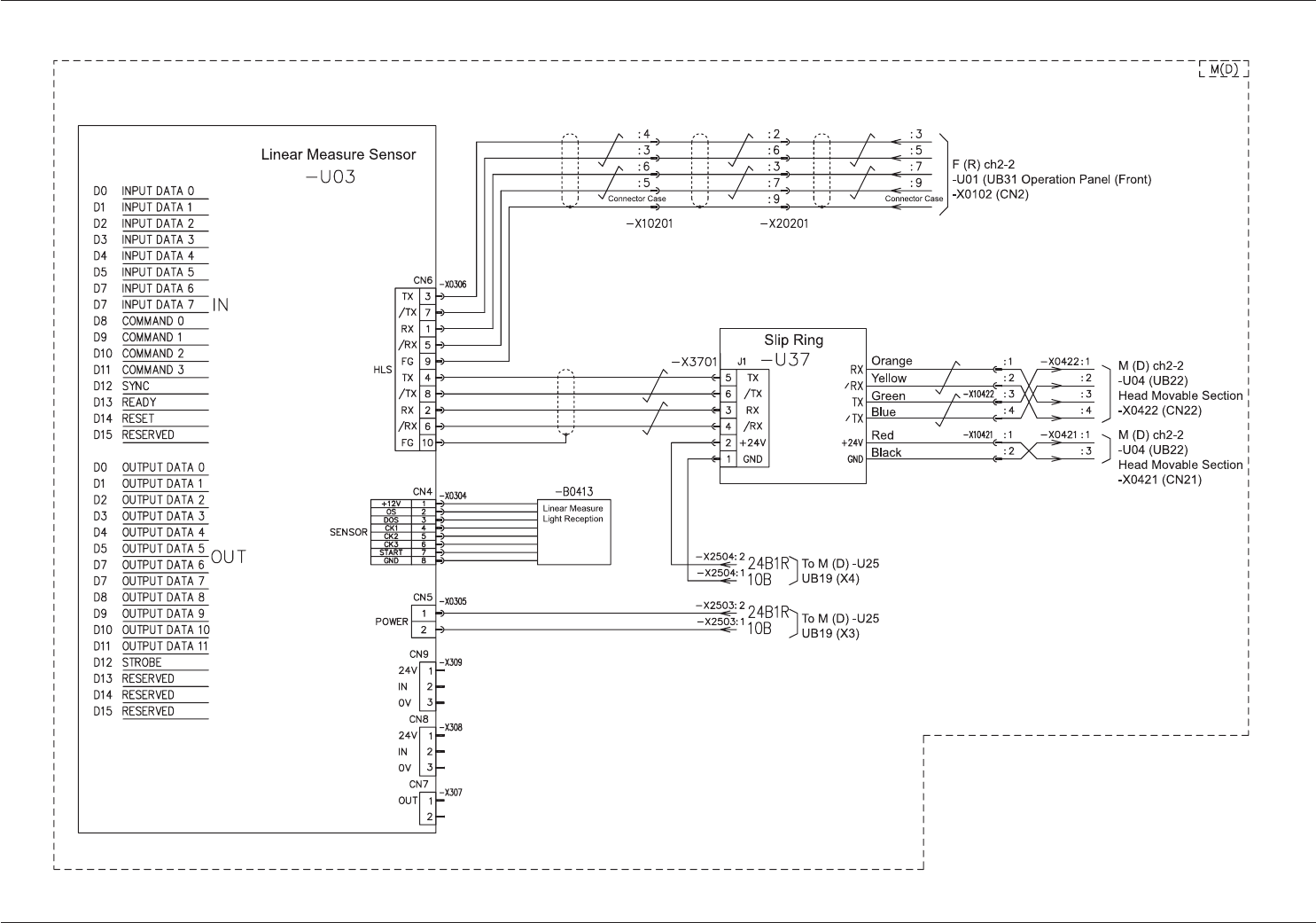
4-800604-003 B(M803WM---2042)
Linear Measure Circuit Diagram D
Linear Measure Circuit Diagram D