5OM-1343-008_w - 第179页
AKFEPED-ID 4-82 0604-003 F(M803WN---2001) UB32 I/O Board T ransfer L UB32 I/O Board T ransfer L

AKFEPED-ID
4-810601-002 A(M803WM---2043)
UB22 I/O Board (Head Movable Section) D
UB22 I/O Board (Head Movable Section) D

AKFEPED-ID
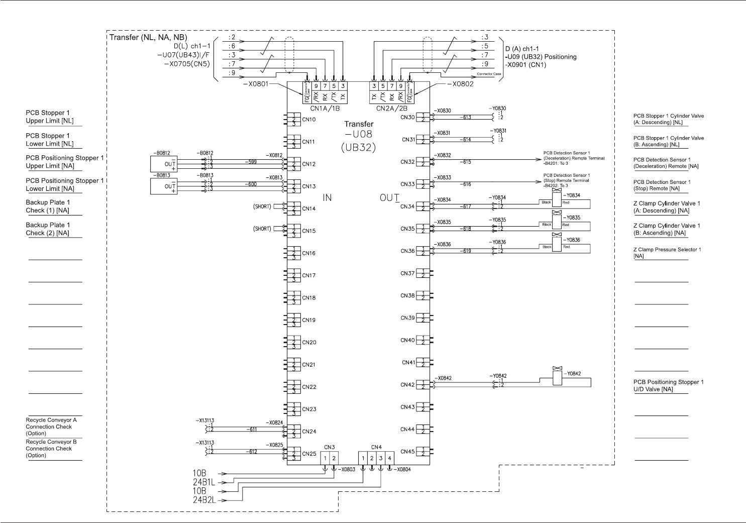
4-820604-003 F(M803WN---2001)
UB32 I/O Board Transfer L
UB32 I/O Board Transfer L

AKFEPED-ID
4-8300604-003 B(M803WN---2002)
NL, NA, NB Conveyor Motor Circuit Diagram (1)
NL, NA, NB Conveyor Motor Circuit Diagram (1)